Страница 2 - Содержание
Содержание 2 Руководство по установке и техническому обслуживанию Bear 0020217154_00 Содержание 1 Безопасность ..................................................... 3 1.1 Относящиеся к действию предупредительные указания............................. 3 1.2 Использование по назначению....................
Страница 3 - Безопасность 1
Безопасность 1 0020217154_00 Bear Руководство по установке и техническому обслуживанию 3 1 Безопасность 1.1 Относящиеся к действию предупредительные указания Классификация относящихся к действию предупредительных указанийОтносящиеся к действию предупреди- тельные указания классифицированы по степени...
Страница 4 - Безопасность
1 Безопасность 4 Руководство по установке и техническому обслуживанию Bear 0020217154_00 ▶ Закройте запорное устройство счетчика газа или главное запорное устройство. ▶ Если возможно, закройте газовый за- порный кран на изделии. ▶ Предупредите жильцов дома криком или стуком. ▶ Незамедлительно покинь...
Страница 7 - Указания по документации 2; Указания по документации
Указания по документации 2 0020217154_00 Bear Руководство по установке и техническому обслуживанию 7 2 Указания по документации 2.1 Соблюдение совместно действующей документации ▶ Обязательно соблюдайте инструкции, содержащиеся во всех руководствах по эксплуатации и монтажу, прилагаемых к компонента...
Страница 8 - Описание изделия
3 Описание изделия 8 Руководство по установке и техническому обслуживанию Bear 0020217154_00 3.4 Данные на маркировочной табличке Действительность: Россия, Казахстан При заводской сборке маркировочная табличка установ- лена за распределительной коробкой. Серийный номер указан на маркировочной таблич...
Страница 9 - Монтаж 4; Монтаж
Монтаж 4 0020217154_00 Bear Руководство по установке и техническому обслуживанию 9 4 Монтаж 4.1 Извлечение изделия из упаковки 1. Извлеките изделие из картонной упаковки. 2. Снимите защитную пленку со всех частей изделия. 4.2 Проверка комплектности ▶ Проверьте комплект поставки на комплектность и от...
Страница 10 - Монтаж; Соблюдение минимальных расстояний
4 Монтаж 10 Руководство по установке и техническому обслуживанию Bear 0020217154_00 50 830 50 60 160 260 E 50 C Элементыуправления A B C D E 20KLOM17 335 180 600 130 100 30KLOM17 420 222 600 130 100 40KLOM17 505 265 600 150 100 50KLOM17 590 307 620 180 120 4.6 Соблюдение минимальных расстояний 100 1...
Страница 11 - Установка 5; Установка
Установка 5 0020217154_00 Bear Руководство по установке и техническому обслуживанию 11 4.8.3 Демонтаж крышки облицовки B A 1. Выньте оба нижних винта крышки облицовки. 2. Снимите крышку облицовки, вытянув её задний край вверх. 4.8.4 Монтаж крышки облицовки A B 1. Наденьте крышку облицовки на изделие...
Страница 12 - Установка
5 Установка 12 Руководство по установке и техническому обслуживанию Bear 0020217154_00 5.1.2.2 Нисходящий теплообменник Установка в отопительный контур пластмассовых труб, не обладающих диффузионно-плотными свойствами, мо- жет привести к возникновению коррозии в отопительном котле. ▶ Установите нисх...
Страница 14 - Ввод в эксплуатацию
6 Ввод в эксплуатацию 14 Руководство по установке и техническому обслуживанию Bear 0020217154_00 5.7.3 Закрывание распределительной коробки A B 1. Отведите распределительную коробку вверх. 2. Закрепите распределительную коробку обоими вин- тами на изделии. 5.7.4 Обеспечение электропитания Осторожно!...
Страница 15 - Ввод в эксплуатацию 6
Ввод в эксплуатацию 6 0020217154_00 Bear Руководство по установке и техническому обслуживанию 15 Суммар-ная теп-лопро-изводи-тель-ность Жёсткость воды при удельном объеме системы 1) ≤ 20 л/кВт >20 л/кВт ≤ 50 л/кВт >50 л/кВт кВт ° дН моль/ м³ ° дН моль/ м³ ° дН моль/ м³ от > 50до ≤ 200 11,2 ...
Страница 17 - Передача изделия пользователю 7; Проверка настройки газового тракта; Передача изделия пользователю
Передача изделия пользователю 7 0020217154_00 Bear Руководство по установке и техническому обслуживанию 17 6.5 Проверка настройки газового тракта 6.5.1 Проверка настройки газового тракта (измерением давления) 1 2 1. Выведите изделие из эксплуатации. 2. Перекройте газовый запорный кран. 3. С помощью ...
Страница 18 - Устранение неполадок
8 Устранение неполадок 18 Руководство по установке и техническому обслуживанию Bear 0020217154_00 ▶ Передайте пользователю на хранение все руковод- ства и документацию на изделие. ▶ Объясните пользователю предпринятые меры по обеспечению подачи воздуха на горение и отвода от- ходящих газов и укажите...
Страница 19 - Осмотр и техобслуживание 9; Снятие/установка горелки
Осмотр и техобслуживание 9 0020217154_00 Bear Руководство по установке и техническому обслуживанию 19 9.4 Снятие/установка горелки 9.4.1 Демонтаж горелки 1. Перекройте газовый запорный кран. 2. Демонтируйте переднюю облицовку. (→ страница 10) 3. Отверните резьбовое соединение на газовом шту- цере. 4...
Страница 20 - 0 Вывод из эксплуатации
10 Вывод из эксплуатации 20 Руководство по установке и техническому обслуживанию Bear 0020217154_00 9.7 Проверка автомата контроля и управления горением газа 1. Отсоедините штекер кабеля ионизации. ◁ Пламя горелки гаснет. 2. Выждите примерно 30 секунд, пока автомат кон- троля и управления горением г...
Страница 21 - Приложение; A Коды диагностики
Приложение 0020217154_00 Bear Руководство по установке и техническому обслуживанию 21 Приложение A Коды диагностики Код Параметр Значения или пояснения Заводскиенастройки Собствен-ные на-стройки D.00 Макс. теплопроизводительность с шагом 1 кВт Макс. тепло-производитель-ность отопи-тельного аппа-рата...
Страница 23 - B Коды ошибок
Приложение 0020217154_00 Bear Руководство по установке и техническому обслуживанию 23 Код Параметр Значения или пояснения Заводскиенастройки Собствен-ные на-стройки D.70 Положение переключающего кла-пана (не влияет на отопительныйаппарат) 0 = нормальный режим1 = среднее положение2 = положение постоя...
Страница 24 - C Устранение неполадок
Приложение 24 Руководство по установке и техническому обслуживанию Bear 0020217154_00 Код Значение Сброс кода ошибки F.13 Короткое замыкание датчика NTC для изме-рения температуры в накопителе Датчик NTC подключен:Автоматически, если причина устраненаДатчик NTC не подключен:Нажмите клавишу снятия сб...
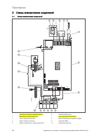
Страница 26 - D Схемы электрических соединений; Схема электрических соединений
Приложение 26 Руководство по установке и техническому обслуживанию Bear 0020217154_00 D Схемы электрических соединений D.1 Схема электрических соединений X2 X20 X104 X12 X19 X1 1 X13 X90 X51 X30 X32 X106 X41 X40 GND 1 1 1 1 1 1 1 1 1 16 15 14 13 11 10 21 9 8 76 54 3 1718 12 - + 24V H + 16 15 14 13 1...
Страница 27 - Схема подключения внешних компонентов
Приложение 0020217154_00 Bear Руководство по установке и техническому обслуживанию 27 11 Датчика температуры в накопителе 12 Датчик температуры наружного воздуха 13 Манометрический выключатель (деталь адаптеравентилятора) 14 Главная клеммная планка 15 Датчик давления 16 Реле температуры отходящих га...
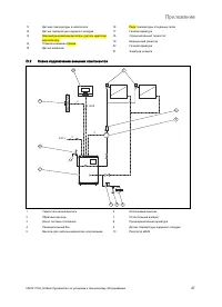
Страница 28 - Схема соединений накопителя с насосом загрузки накопителя
Приложение 28 Руководство по установке и техническому обслуживанию Bear 0020217154_00 D.3 Схема соединений накопителя с насосом загрузки накопителя 2 2 BUS 2 3 3 3 3 230 V 17 1 2 3 4 2 5 6 11 10 12 13 7 8 9 4 15 14 16 1 Термостатический вентиль 2 Обратный вентиль 3 Накопитель 4 Предохранительная арм...
Страница 29 - E Работы по осмотру и техническому обслуживанию; Технические характеристики – Общая информация
Приложение 0020217154_00 Bear Руководство по установке и техническому обслуживанию 29 E Работы по осмотру и техническому обслуживанию № Работы Периодичность 1 Проверка общего состояния изделия, удаление загрязнений Ежегодно 2 Проверка горелки на повреждения, удаление загрязнения Ежегодно 3 Очистка г...
Страница 30 - Технические характеристики – мощность/нагрузка; Технические характеристики - отопление
Приложение 30 Руководство по установке и техническому обслуживанию Bear 0020217154_00 20KLOM17 30KLOM17 40KLOM17 50KLOM17 Массовый поток отходя-щих газов 15,6 г/с 21,3 г/с 28 г/с 38,2 г/с Уровень шума (в 1 мот отопительного аппа-рата, на высоте 1,5 м) ≤ 55 дБ ≤ 55 дБ ≤ 55 дБ ≤ 55 дБ Технические хара...
Страница 31 - Технические характеристики - электрика
Приложение 0020217154_00 Bear Руководство по установке и техническому обслуживанию 31 Технические характеристики - электрика 20KLOM17 30KLOM17 40KLOM17 50KLOM17 Напряжение питания 230 В / 50 Гц 230 В / 50 Гц 230 В / 50 Гц 230 В / 50 Гц Потребляемая электри-ческая мощность, макс. 15 Вт 15 Вт 15 Вт 15...