Protherm Бобер 50 DLO - инструкции и руководства

model-name

Котел Protherm Бобер 50 DLO - инструкции пользователя по применению, эксплуатации и установке на русском языке читайте онлайн в формате pdf

1 Page 1
2 Page 2
3 Page 3
4 Page 4
5 Page 5
6 Page 6
7 Page 7
8 Page 8
9 Page 9
10 Page 10
11 Page 11
12 Page 12
13 Page 13
14 Page 14
15 Page 15
16 Page 16
17 Page 17
18 Page 18
19 Page 19
20 Page 20
21 Page 21
22 Page 22

Краткое содержание

Страница 13 - Гарантия и гарантийные условия; Чистка котла

11 Гарантия и гарантийные условия На котлы Protherm „БОБЁР“ предоставляется гарантия в соответствии с Гарантийным талоном, Техническим паспортом и другими условиями, указанными в руководстве по обслуживанию и в руководстве по монтажу (главы «Введение», «Установка котла»). Чистка котла Во время экспл...

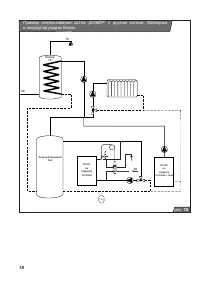
Страница 14 - Руководство по монтажу; Комплект поставки; Общая информация об установке; Монтаж

12 Руководство по монтажу Комплект поставки Общая информация об установке котла Котёл PROTHERM „БОБЁР“ может вводить в эксплуатацию только специализированная организация, имеющая разрешение на проведение данного вида работ согласно законов РФ. Для установки котла и его ввода в эксплуатацию, а также ...

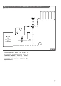
Страница 16 - Котельная

14 L L + 500 800 600 Ш мин. 1700 в зависимос ти от дымохода рис. 10 Котельная Планировка котельной На рисунке (рис. № 10) указаны минимальные расстояния, которые необходимо выдерживать в целях безопасной эксплуатации котельной и при манипуляции с котлом, например, при его чистке или при заполнении т...

Protherm Котлы Инструкции