Страница 2 - Описание устройства; Kränzle quadro 1500 TS T
Описание устройства 2 Kränzle quadro 1500 TS T Безопасный отключаемый пистолет Ходовая дуга эргономической формы, съемнаяПриспособление для намотки кабеля длиной 7,5 м Шланговый барабан со шлангом высокого давления из металлической ткани 20 м (только на моделях T ST)Рукоятка, складная Держатель для ...
Страница 3 - Содержание; Cторон
Описание устройства ................................................................................ 2Содержание .............................................................................................. 3Технические данные ...........................................................................
Страница 4 - Технические данные
4 Технические данные Рабочее давление, бесступенчато регулируемое 30 - 140 бар Допускаемое избыточное давление 160 бар Расход воды при номинальном давлении *1 25 л/мин Размер сопла (плоская струя) 2511 Размер сопла (турбокиллер) 11 Объем поплавкового ящика 16 л Максимальная входная температура в поп...
Страница 6 - Всё это Вы купили
6 3. Грязекиллер насадка у аппаратов TS - специальная принадлежность Всё это Вы купили 1. Oчиститель высокого давления Kränzle quadro 1500 TS T со шланговым барабаном, шлангом высокого давления из металлической ткани 20 м, номинальный диаметр 8 или Очиститель высокого давления Kränzle quadro 1500 TS...
Страница 7 - Общие инструкции; Область использования; Промышленные очистители высокого давления; Предупреждение несчастных случаев; Утечки масла: При выходе масла сразу же обратиться в
7 Общие инструкции Область использования Машины использовать исключительно для чистки струей высокого давления со средствами для чистки или струей высокого давления без средства для чистки. Испытания Аппараты при необходимости, однако не реже, чем каждые 12 месяцев, должны подвергаться испытаниям ко...
Страница 8 - Указания по технике безопасности
8 Указания по технике безопасности Учтите, что при чистке водой под высоким давлением на копье возникает ощутимая отдача. (см. технические данные, стр. 4/5) Предохранительный затвор на пистолете перекидывать после каждого пользования, чтобы предотвратить непроизвольное распыление! При использовании ...
Страница 11 - На что Вам обязательно следует; Проблема недостатка воды; Если замеренное количество воды слишком мало, то Вам; Указанияпо технике безопасности -
11 На что Вам обязательно следует обращать внимание: Проблема недостатка воды Недостаток воды имеет место чаще, чем это себе можно представить. Чем мощнее какой- либо прибор, тем больше опасность, что в распоряжении будет иметься слишком мало воды. При недостатке воды в насосе возникает кавитация (с...
Страница 12 - Проблема недостатка электроэнергии; Подключение к электросети; Проверьте размер своего силового предохранителя и в
Проблема недостатка электроэнергии Если к Вашей электрической сети подключено слишком много потребителей, то напряжение и сила тока, имеющееся в распоряжении, могут значения снизиться. Вследствие этого двигатель аппарата высокого давления не запускается или даже перегорает. Электропитание может быт ...
Страница 13 - Техника Kränzle; Система для воды и чистки; Распылительная трубка с распылительным пистолетом; Клапан регулирования давления-предохранит. клапан
13 Техника Kränzle Система для воды и чистки Вода должна подаваться в очиститель высокого давления под давлением (входное давление 2 – 8 бар). Поплавковый клапан регулирует подачу воды. AЗатем вода высасывается из водяного бака насосом высокого давления и под установленным давлением подается в предо...
Страница 14 - С задержкой отключения двигателя; Шланг высокого давления и распылительное
14 С задержкой отключения двигателя Обусловленное эксплуатацией частое включение и выключение двигателя приводит у аппаратов этих размеров к сильной нагрузке электросети и к повышенному износу внутренних элементов переключения. Поэтому двигатель Kränzle qaudros отключается только через 30 секунд пос...
Страница 15 - Пуск в эксплуатацию
15 Пуск в эксплуатацию 1. Вывернуть крепежный винт из шестигранника шлангового барабана, насадить складную рукоятку на шестигранник и закрепить винтом. 2 . Перед каждым пуском в работу проверять чистоту сетки на входе воды. Вручную открутить элемент подключения шланга. При помощи острогубцев вынуть ...
Страница 18 - Пуск в эксплуатацию; Соблюдать осторожность в случае горячей воды; При работе с горячей входной водой, имеющей
Пуск в эксплуатацию 18 12. Шланг высокого давления крепко прикрутить к пистолету. 11. Насадить шланг высокого давления на пистолет. 14. Подсоединить электроэнергию. 400 B, 12 A, 50 Гц Розетку необходимо со стороны сети защитить инертным предохранителем 16 А. 13. Присоединить водяной шланг в водяному...
Страница 19 - Установка - Месторасположение; Аппарат не разрешается устанавливать и
19 15. Бесступенчато регулировать рабочее давление при помощи маховичка. Максимально имеющееся давление твердо установлено на заводе 17. Включить аппарат при открытом распылительном пистолете и выпустить воздух: несколько раз открыть и закрыть пистолет. Начать процесс чистки. 16. Привести в действие...
Страница 20 - Прямое всасывание; Перед первым процессом всасывания насос или
Прямое всасывание Отбор воды из прудов, бочек для дождевой воды и т.п. Аппарат благодаря мощности всасывания насоса (высота всасывания до 2,5 м, макс. длина шланга 3 м) обеспечивает возможность засасывания воды для чистки из отдельных резервуаров или прудов. В этом случае необходимо произвести обвод...
Страница 21 - Всасывание добавок; С подводом очистного материала на стороне всасывания:
21 Всасывание добавок С подводом очистного материала на стороне всасывания: Инжекторы очистного материала на напорной стороне, как и на обычных аппаратах, расходуют ок. 30% энергии очистки, независимо от того, находятся ли они в работе или нет. AБлагодаря наличию водяного ящика на всех аппаратах qua...
Страница 22 - Защита от замерзания; Хранение с экономией места
Снятие с эксплуатации - Защита от замерзания 0 1. Отключить аппарат– главный выключатель в положении „0“ 0 2. Перекрыть подвод воды 0 3. Кратковременно раскрыть пистолет, пока не создастся давление 0 4. Заблокировать пистолет 0 5. Открутить водяной шланг и пистолет 0 6. Опорожнить пистолет: двигател...
Страница 23 - Небольшой ремонт; сделай сам без
23 Небольшой ремонт сделай сам без затруднений Манометр показывать полное давление, а из сопла вода не выходит: Высока вероятность, что забито сопло. Манометр показывать полное давление, вода из копья не выходит или выходит очень мало. (В манометре нет воды, речь идет об глицерине для демпфирования ...
Страница 25 - Возможная причина No 1: Утечка; При утечке гарантия вследствие косвенных убытков
25 Небольшой ремонт сделай сам без затруднений После закрытия пистолета манометр снова показывает полное давление. Аппарат постоянно включается и выключается. Возможная причина № 1: Утечка После закрытия пистолета аппарат должен отключиться, а манометр должен показывать „0“ бар . Если манометр продо...
Страница 28 - Свидетельство о соответствии ЕС
Kränzle quadro 1500 TS T, Manfred Bauer, Fa. Josef Kränzle Rudolf-Diesel-Str. 20, 89257 Illertissen K quadro 1500 TST: 1500 l/h директива для машин 2006/42/EG директива по низкому напряжению 2004/108/EG директива об уровне шума 2005/88EG, статья 13 „Высоконапорные водоструйные аппараты“, приложение ...
Страница 29 - Гарантийное заявление
Гарантийное заявление Гарантия действительна исключительно при дефектах материала или изготовления, износ не попадает под гарантию. Машину следует эксплуатировать в соответствии с настоящим руководством по эксплуатации. Руководство по эксплуатации является частью гарантийных предписаний. Гарантия со...
Страница 34 - Стояночный тормоз
Спецификация запасных частей фирмы Kränzle quadro 1500 TS / TST Стояночный тормоз 1 Grundplatte 1 42.615 2 Bremspedal 1 44.022 3 Bremshebel 1 44.023 4 Bremsklotz 1 44.024 5 Stift 6 x 50 1 44.035 6 Starlock-kappe 8 mm 1 44.165 7 Stift 6 x 40 1 44.035 1 8 Distanzring 2 42.626 9 Sechskantschraube M6x16...
Страница 35 - Вход воды
Спецификация запасных частей фирмы Kränzle quadro 1500 TS / TST Вход воды 1 Mutter R3/4“ 1 46.258 2 Revisionsdeckel 1 42.605 3 Sterngriffmutter M8 4 42.619 6 Dichtung 1 46.261 8 Gewindestift M6x40 4 42.617 1 10 Wassereingangsteil 2x R3/4“ AG 1 42.804 11 Kupfer-Dichtring 1 42.820 12 T-Stück 3x R3/4“ ...
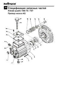
Страница 37 - Двигатель насоса quadro 1500 TS / TST
Двигатель насоса quadro 1500 TS / TST 1 Stator 112 5,5kW 400V / 50Hz 1 40.540 2 A-Lager Flansch 1 40.530 3 Rotor 112 (400V / 50Hz) 1 40.531 5 4 Lüfterrad für BG 112 1 40.532 5 Lüfterhaube BG 112 1 40.533 6 V-Seal 1 40.545 7 Flachdichtung 1 43.030 10 Kegelrollenlager 31306 1 40.103 11 Öldichtung 35 x...
Страница 41 - Байпасный клапан и реле давления
Байпасный клапан и реле давления quadro 1500 TS / TST 5 O-Ring 16 x 2 1 13.150 5.1 O-Ring 13,94 x 2,62 1 42.167 8 O-Ring 11 x 1,44 1 12.256 9 Edelstahlsitz 1 14.118 10 Sicherungsring 1 13.147 11 Edelstahlkugel 1 13.148 12 Edelstahlfeder 1 14.119 13 Verschlussschraube 1 14.113 14 Steuerkolben 1 14.13...
Страница 45 - Шланговый барабан quadro 1500 TST
Шланговый барабан quadro 1500 TST 1 Seitenschale Schlauchführung 1 40.302 2 Seitenschale Wasserführung 1 40.301 3 Trommel Unterteil 1 40.304 4 Trommel Oberteil 1 40.303 5 Innensechskantschraube M 4 x 25 4 40.313 6 Lagerklotz mit Bremse 1 40.306 7 Lagerklotz links 1 40.305 8 Klemmstück 2 40.307 9 Kun...
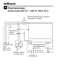
Страница 48 - Электросхема
Электросхема Kränzle quadro 800 TS T - 1200 TS 400 B, 50 Гц Включатель/выключательс защитой от перегрузкина 14,5 Ампер Реле давления Двигатель насоса 3 x 400 B / 50 Гц Питающая линия через CEE 5 x 16 A 400 B / 50 Гц 48 Расцепитель максим. тока 12 А Управляющая плата странсформатором 400 В / 50 Гц
Страница 49 - Протокол испытаний для Очистители высокого давления
49 Протокол испытаний для Очистители высокого давления Типовая табличка (имеется) Руковод. по эксплуатации (имеется) Защитные кожухи и устройства Напорная линия (плотность) Манометр (Функция) Поплавковый клапан (плотность) Pаспылительное устройство (маркировка) Шланг высок. давления/соединение (повр...