Страница 2 - Технические данные
2 Уважаемый заказчик, мы сердечно поздравляем Вас с приобретением нового очистителя высокого давления и благодарим Вас за покупку!Вы выбрали продукцию абсолютно высшего качества!Очистители высокого давления фирмы Kränzle убеждают своей удобной в обращении, компактной формой конструкции и надежной пр...
Страница 3 - Содержание
3 Содержание Технические данные ............................................................ 2 Содержание .......................................................................... 3 Описание устройства ........................................................... 4 Используемые символы .................
Страница 4 - Описание устройства; Построение
4 Описание устройства Построение Очиститель высокого давления K 1050 P является переносным аппаратом с продуманной системой упорядочения. Построение показано на схеме. 1 Ручка, эргономически оформленнаяf 2 Головка насоса из латуни 3 Стартстопный выключатель с разгрузкой давления для шланга высокого ...
Страница 5 - Всё это Вы купили; Копье-грязекиллер с трубкой
5 Описание устройства Original-Betriebsanleitung Hochdruckreiniger Vor Inbetriebnahme Sicherheitshinweise lesen und beachten!Für späteren Gebrauch oder Nachbesitzer - D - K 1050 P Всё это Вы купили 1. Очиститель высокого давления K 1050 P 2. Безопасный отключаемый пистолет с ручкой по стандарту ISO ...
Страница 6 - Используемые символы; Символы, используемые в руководстве по эксплуатации
6 Используемые символы Символы, используемые в руководстве по эксплуатации Несоблюдение этого указания может привести к загрязнению окружающей среды. Указание по использованию аппарата, несоблюдение которого может привести к чрезмерному износу или полному выходу из строя аппарата К 1050 Р. Предупреж...
Страница 7 - Общие инструкции; Область использования; Соблюдать инструкции по защите окружающей среды, утилизации; Испытания; Промышленные очистители высокого давления должны через; Предупреждение несчастных случаев; Утечки масла
7 Общие инструкции Область использования Очистители высокого давления использовать исключительно для чистки струей высокого давления, без моющих средств или с их применением. Очиститель высокого давления предназначен только для применения в приватных условиях. Соблюдать инструкции по защите окружающ...
Страница 8 - Указания по технике безопасности
8 Указания по технике безопасности Учтите, что при чистке водой под высоким давлением на копье возникает ощутимая отдача. Поэтому обеспечьте устойчивость его положения. (См. главу «Технические данные»). Предохранительный затвор на безопасном отключаемом пистолете перекидывать после каждого пользован...
Страница 11 - Указания по эксплуатации; На что Вам обязательно следует обращать внимание:; Если замеренное количество воды слишком мало, то Вам следует; Снабжение водой
11 Указания по эксплуатации На что Вам обязательно следует обращать внимание: Проблема недостатка воды Недостаток воды имеет место чаще, чем это себе можно представить. Чем мощнее очиститель высокого давления, тем больше опасность, что в распоряжении будет иметься слишком мало воды. При недостатке в...
Страница 12 - Проблема недостатка электроэнергии; Проверьте размер своего силового предохранителя и в случае; Подключение к электросети
12 Указания по эксплуатации Проблема недостатка электроэнергии Если к Вашей электрической сети подключено слишком много потребителей, то напряжение и сила тока, имеющееся в распоряжении, могут значения снизиться. Вследствие этого двигатель аппарата высокого давления не запускается или даже перегорае...
Страница 13 - аппарата только при включенном предохранительном рычаге
13 Система чистки водой с добавкой средств ухода Вода должна под давлением подаваться в насос высокого давления. Затем вода под давлением подается насосом высокого давления в предохранительную распылительную трубку. Струя высокого давления образуется благодаря соплу, расположенному на предохранитель...
Страница 15 - Пуск в эксплуатацию
15 Пуск в эксплуатацию Не ставить очистители высокого давления на неукрепленный грунт, так как аппарат во время эксплуатации вибрирует. При транспортировке машины, т.е. когда она будет переноситься, учитывать вес аппарата, приведенный в технических данных. Очиститель К 1050 Р не разрешается устанавл...
Страница 16 - Соединительную муфту и соединительный ниппель перед
16 Пуск в эксплуатацию 6. После установки копья отпустить предохранительную гильзу и обеспечить надежную посадку копья. 5. Предохранительную гильзу пистолета сначала оттянуть назад, а затем установить копье в соединительную муфту пистолета. 4. Шланг высокого давления прикрутить плотно и герметично к...
Страница 17 - Перед каждым пуском в работу
17 Пуск в эксплуатацию 7. Перед каждым пуском в работу проверять чистоту сетки на входе воды. Если расположенный внутри фильтр загрязнен, его снять и выполнить операцию 7.1. 8. Присоединить водяной шланг к входу в водяной ящик. Аппарат по выбору можно подключать к напорной линии (давление на входе 1...
Страница 19 - Снятие с эксплуатации; Компактные и переносные аппараты
19 Снятие с эксплуатации 1. Выключить очиститель высокого давления 2. Перекрыть подвод воды 3. Кратковременно раскрыть безопасный отключаемый пистолет, пока не создастся давление 4. Заблокировать пистолет 5. Открутить водяной шланг и пистолет 6. Опорожнить пистолет: двигатель включить примерно на 10...
Страница 20 - Небольшой ремонт сделай сам без затруднений; Высока вероятность, что на входе забито сито или сопло.
20 Небольшой ремонт сделай сам без затруднений Из копья не течет или течет слишком мало воды. Порядок действий: Отключите очиститель высокого давления. Вытяните сетевой штекер. Кратковременно включите безопасный отключаемый пистолет для создания давления. Вначале открутите безопасный отключаемый пис...
Страница 21 - Bозможно, что забиты или заклеились клапаны.
21 Небольшой ремонт сделай сам без затруднений Из копья выходит непостоянная струя. Вибрация шланга высокого давления. Порядок действий: Поочередно наверните все 6 клапанов. (латунные винты с шестигранной головкой, расположенные вертикально и горизонтально рядами по 3 шт.) Снимите винт с корпусом кл...
Страница 22 - При утечке гарантия вследствие косвенных убытков; Возможная причина No 1:
22 Небольшой ремонт сделай сам без затруднений После закрытия безопасного отключаемого пистолета аппарат должен отключиться. Если отключения не произойдет, причиной может быть утечка в насосе, реле давления, шланге высокого давления или безопасном отключаемом пистолете. При утечке гарантия вследстви...
Страница 23 - При повреждении насоса от неисправных уплотнительных колец; Возможная причина No 2:; Дефектный обратный клапан.
23 Небольшой ремонт сделай сам без затруднений Порядок действий: Выключить очиститель высокого давления, сетевой штекер вытянуть. Перекрыть подачу воды. Перекрыть подачу воды. Открутить выход насоса. При повреждении насоса от неисправных уплотнительных колец вследствие засасывания воздуха или недост...
Страница 24 - Свидетельство о соответствии ЕС; директива по электромагнитной; директор
24 Свидетельство о соответствии ЕС Настоящим мы заявляем, что конструктивное исполнение очистителей высокого давления: тех. документация прилагается: Номинальный расход обеспечивает соблюдение следующих директив и их изменений для очистителей высокого давления: Замеренный уровень звуковой мощности: ...
Страница 26 - Гарантия
26 Гарантия Гарантия Гарантийное обязательство действительно исключительно при дефектах материала или изготовления, износ не подпадает под гарантию. Машину следует эксплуатировать в соответствии с настоящим руководством по эксплуатации. Руководство по эксплуатации является частью гарантийных предпис...
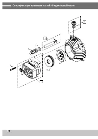
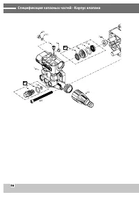
Страница 33 - Замена масла
33 K 1050 P Pos. Bezeichnung Stück Art.-Nr. 1 Gehäuseplatte 1 49.200 2 Öldichtung 12 x 20 x 5 3 43.081 3 O-Ring 78 x 2 1 49.201 4 Plungerfeder 3 49.203 5 Federdruckscheibe Ø12mm 3 49.219 6 Plunger 12 mm AC mit Wellensicherungsring 3 49.209 7 Wellensicherungsring Ø12mm 3 49.230 8 Taumelscheibe 10,0° ...