Страница 2 - Благодарим Вас; Благодарим Вас за приобретение продукции Haier.
2 RU Благодарим Вас Благодарим Вас за приобретение продукции Haier. Вниматель но прочтите инструкции перед использованием этого прибора. Инструкции содержат важную информацию, которая поможет вам максимально эффективно исполь- зовать прибор и гарантировать безопасную и правильную установку, использо...
Страница 3 - Содержание
3 RU Содержание Информация по технике безопасности .................................................................................. 4 Предусмотренное применение............................................................................................... 7 Описание изделия ..........................
Страница 4 - – Информация по технике безопасности; Перед первым использованием
4 RU 1 – Информация по технике безопасности ПРЕДУПРЕЖДЕНИЕ! Перед первым использованием ► Убедитесь, что упаковка не повреждена. ► Удалите всю упаковку и храните ее в недоступном для детей месте. ► Всегда переносите прибор как минимум вдвоем, так как он тяжелый. Ежедневное применение ► Использование...
Страница 5 - Ежедневное применение
5 RU 1 – Информация по технике безопасности ПРЕДУПРЕЖДЕНИЕ! Ежедневное применение ► Не сушите в приборе следующие предметы: ► Нестиранные вещи. ► Предметы, загрязненные легковоспламеняющимися веществами, такими как растительное масло, ацетон, спирт, бензин, газолин, керосин, пятновыводители, скипида...
Страница 6 - Техническое обслуживание / чистка
6 RU 1 – Информация по технике безопасности ПРЕДУПРЕЖДЕНИЕ! Техническое обслуживание / чистка ► Очищайте фильтр для ворса и фильтр конденсатора после каждого вы- полнения программы (см. УХОД И ЧИСТКА). ► Не используйте водяную пыль или пар для чистки прибора. ► Не используйте промышленные химикаты д...
Страница 7 - – Предусмотренное применение; Предусмотренное применение; Примечание
7 RU 2 – Предусмотренное применение Предусмотренное применение Прибор предназначен для сушки вещей, которые были выстираны в водном растворе и имеют пометку на этикетке производителя как пригодные для сушки в барабане. Он предназначен исключительно для домашнего использования внутри помещения. Он не...
Страница 8 - – Описание изделия; Изображение прибора
8 RU 1 3 2 4 5 6 7 3.3 3-1 3-2 3-2 3-3 3 – Описание изделия Примечание Из-за технических изменений и различных моделей, изображения в следующих главах мо гут отличаться от вашей модели. 3.1 Изображение прибора Вид спереди (Рис. 3-1): Вид сзади (Рис. 3-2): 1 Резервуар для воды2 Дверца сушильной машин...
Страница 9 - – Панель управления; Отложенный старт; защиты от; отложенного старта
9 RU Защита от детей 4-3 Отлож. старт 4-2 Dry L evel Delay Wrink le F ree T em p. B a byc a re Quic k Dry M ix C otton Duvet S ynthe tic s T owel W a rm Up S hirt Wo ol T im er B ulk y Delic a te Sp orts kg 9 A ++ Childl oc k ypoallerenic kg 9 ++ A i-REFRESH 13 2 14 9 10 1 11 12 6 16 7 5 8 17 15 3 4...
Страница 10 - Индикатор сигнала; Индикатор чистого фильтра; Кнопка температуры
10 RU 4 – Панель управления 4.4 Индикатор сигнала Вы можете отключить сигнал по своему усмотрению. Чтобы активировать функцию сигнала после включения сушилки, нажмите кнопки Без аллергии и Температура (Рис. 4-5) примерно на 3 секунды, пока иконка звукового сигнала не исчезнет. Для отключения, снова ...
Страница 11 - защиты; Индикат ор разблокировки дверцы; Режим Без аллергии; Степень сушки; Без складок
11 RU 4 – Панель управления 4.11 Кнопка степени сушки Нажмите кнопку (Рис. 4-12), чтобы установить конечную влажно сть белья в конце цикла. Экстра-сухое Сушка в шкаф Сушка под утюг 4.12 Кнопка защиты от детей Чтобы активировать функцию защиты от детей после запуска цикла, нажмите кнопку (рис. 4-13) ...
Страница 12 - – Программы
RU 5 – Программы Программа Степень сушки Белье Макс. нагрузка, кг Экстра-сушка Тяжелые ткани, требующие дополнительной сушки 6 С нтетика Экстра-сушка Синтетические ткани 4,5 олотенц Экстра-сушка Полотенца 6 уховые вещи / Вещи содержащие перо 1 ерсть / Шерстяные ткани 3 / Подогрев сухих вещей 4 / Цик...
Страница 13 - – Потребление; Технология теплового насоса; Экологически ответственное использование
RU 6 – Потребление Технология теплового насоса Конденсационная сушилка с теплообменником отличается исключительным энергопотреблением. Это ориентировочные значения, определенные при стандартных условиях. Значения могут отличаться от указанных в зависимости от повышенного и пониженного напряжения, ти...
Страница 14 - – Предложения и советы
14 RU 7 – Предложения и советы 7.1 Накрахмаленное белье Накрахмаленное белье оставляет в барабане крахмальную пленку, поэтому его нельзя использовать в сушилке. 7. 2 Ткани, требующие мягкого ухода Использование «ткани, требующей мягкого ухода» может привести к образованию от- ложений на фильтрах для...
Страница 15 - Очень большие вещи; Джерси и трикотаж
15 7 – Предложения и советы RU 7.1 1 Очень большие вещи имеют тенденцию наматываться. Если, по этой причине, желаемая степень сушки не может быть достигнута, расправьте белье и снова высушите с помощью программы с временем (ТАЙМЕР). 7.1 2 Крайне деликатные ткани Нельзя класть в сушилку ткани, которы...
Страница 16 - – Ежедневное применение; Подготовка прибора
16 RU 8 – Ежедневное применение 8.1 Подготовка прибора 1. Подключите прибор к источнику питания (220–240 В~/ 50 Гц) (рис. 8-1). См. также раздел «УСТАНОВКА». 2. Убедитесь, что: ► резервуар для воды пуст и правильно установ- лен. (Рис. 8-2). ► фильтр для ворса чист и правильно установ- лен. (Рис. 8-3...
Страница 17 - Загрузка прибора
17 RU 8 – Ежедневное применение Вес для справки Простыня (односпальная) Co on (хлопок) Прибл. 800 г Одежда из ткани смешанных волокон / Прибл. 800 г Пиджаки Co on (хлопок) Прибл. 800 г Джинсы / Прибл. 800 г Рабочая одежда Co on (хлопок) Прибл. 950 г Пижамы / Прибл. 200 г Рубашки / Прибл. 300 г Носки...
Страница 18 - Установка програ ммы и запуск
18 RU 8 – Ежедневное применение Примечание Кондиционеры для ткани или аналогичные продукты следует использовать в соответ- ствии с инструкциями производителя. 8.6 Установка програ ммы и запуск 1. Поверните ручку выбора программы (рис. 8-8), чтобы выбрать желаемую программу. 2. Установите такие функц...
Страница 19 - Использо вание решетки сушильной машины; Таблица ухода
19 RU 8 – Ежедневное применение 8.8 Использо вание решетки сушильной машины Решетка для сушки предназначена для использования с вещами, которые не рекомендуется сушить во вращаю- щемся барабане, например кроссовками, теннисными туфлями, свитерами или деликатным нижним бельем. 1. Откройте дверцу суши...
Страница 20 - – Уход и очистка; Очистка фильтра для ворса
20 RU 9 – Уход и очистка 9.1 Очистка фильтра для ворса Очищайт е фильтр для ворса после каждого цикла сушки.1. Снимите фильтр для ворса с барабана (рис. 9-1). 2. Откройте фильтр для ворса (рис. 9-2). 3. Очистите фильтр для ворса от остатков ворса (рис. 9-3). 4. Установите на место очищенный фильтр д...
Страница 21 - Опорожните резервуар для воды; Сушильная машина
21 RU 9 – Уход и очистка 9.3 Опорожните резервуар для воды Во время работы, пар конденсируется в воду, которая собирается в резервуаре для воды. Сливайте резервуар для воды после каждого цикла сушки.1. Вытащите резервуар для воды из корпуса (рис. 9-9). 2. Опустошите резервуар для воды (рис. 9-10). 3...
Страница 22 - 0 – Поиск и устранение неисправностей; Поиск неисправностей по коду ошибки на дисплее
22 RU 10 – Поиск и устранение неисправностей Многие возникающие проблемы можно решить самостоятельно, не обладая специальными знаниями. В случае возникновения проблемы, проверьте все возможные варианты и следуйте приведенным ниже инструкциям, прежде чем обращаться в службу послепродажного обслуживан...
Страница 23 - Поиск неисправностей без кода ошибки на дисплее
23 RU 10 – Поиск и устранение неисправностей Поиск неисправностей без кода ошибки на дисплее Проблема Возможная причина Возможные действия Сушильная машина не работает. • Проверьте подключение к источнику питания. • Проверьте источник питания. • Установите программу сушки. • Включите устройство. • О...
Страница 24 - 1 – Установка; Транспортировка и время ожидани я
24 RU 11 – Установка 11.1 Подготовка ► Удалите весь упаковочны й материал. Открывая упаковку, можно увидеть капли воды. Это нормальное явление является результатом заводских испытаний с водой. ► Удалите весь упаковочный материал, включая основу из полистирола. Примечание Утилизируйте упаковку эколог...
Страница 25 - Стиральная и сушильная машины в ком-
25 RU 11 – Установка 11.6 Перевешивание двери (только для моделей 8/9 кг) ► Перед тем как начать, отключите сушилку от электросети. ► Обращайтесь с деталями осторожно, чтобы не поцарапать краску. ► Установите рабочую поверхность на двери, во избежание царапин. ► Требуемые инструменты: Крестовая отве...
Страница 26 - 2 – Технические характеристики; Дополнительные характеристики
26 RU 12 – Технические характеристики Дополнительные характеристики Размеры – ВxГxШ в мм 845 x 600 x 595 Электропитание – напряжение/ток/ потребляемая мощность 220-240 В ~ 50 Гц/ 10 А/550 Вт Допустимый диапазон температур окружающего воздуха от 5°C до 35°C Фторированный парниковый газ HFC-134a Объем...
Страница 27 - Плата дисплея
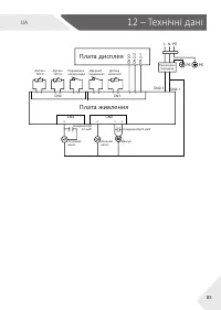
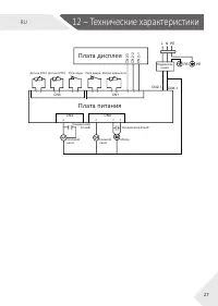
27 RU 12 – Технические характеристики CN2-3 CN2-2 CN2-1 CN2-1 CN4-1 1 2 3 4 5 6 4 6 7 8 3 2 1 L N PE PE PE CN1 CN2 CN3 CN4 2 4 3 2 Плата дисплея Плата питания Подавитель помех Датчик NTC2 Датчик NTC3 Реле воды Реле двери Датчик влажности Конденсатор 12 мкФ Конденсатор 8 мкФ Тепловой насос Сливной на...
Страница 28 - 3 – Обслуживание клиентов
28 RU 13 – Обслуживание клиентов Модель __________________________________ Серийный номер __________________________ Дата продажи _____________________________ Также , пожалуйста , проверьте наличие гарантии и документов о продаже Важно ! Отсутствие на приборе серийного номера делает невозможной для...
Страница 37 - – Өнімнің сипаттамасы; Ескерту; Құрылғы суреті
3 7 KZ 3 – Өнімнің сипаттамасы 1 3 2 4 5 6 7 3.3 3-1 3-2 3-2 3-3 Ескерту Техникалық өзгерістерге және әртүрлі модельдерге байланысты келесі тараулардағы суреттер сіздің моделіңізден өзгеше болуы мүмкін. 3.1 Құрылғы суреті Алдыңғы жағынан (3-1-Сурет): Артқы жағы (3-2-Сурет): 1 Су қойма2 Кептіру машин...
Страница 66 - – Опис виробу; Зображення приладу
6 6 UA 3 – Опис виробу 1 3 2 4 5 6 7 3.3 3-1 3-2 3-2 3-3 Примітка Через технічні зміни та наявності різних моделей зображення в наступних розділах можуть відрізнятися від вашої моделі. 3.1 Зображення приладу Передня частина (мал. 3-1): Задня частина (мал. 3-2): 1 Контейнер для води2 Дверцята сушильн...
Страница 67 - – Панель керування; Кнопка «Затримка»; Індикатор блокування від дітей; Індикатор затримки
6 7 UA 4 – Панель керування 1 Кнопка «Затримка» 2 Індикатор блокування від дітей 3 Індикатор затримки 4 Індикатор сигналу 5 Індикатор очищення фільтра 6 Кнопка «Тривалість» 7 Кнопка «Темп.» 8 Кнопка «Пуск/Пауза» 9 Перемикач програм 10 Кнопка живлення 11 Кнопка «Ступінь сушіння» 12 Кнопка «Блокування...