Страница 2 - Поздравляем Вас с удачным выбором!
- 2 - ПРЕД УПРЕЖДЕНИЕ Поздравляем Вас с удачным выбором! Ваш котел представляет собой высокопроизводительный модульный котел с электрон- ной регулировкой и розжигом и герметичной камерой. Материалы, из которых изготовлен котел, и системы его регулировки обеспечивают безопасность, высокий уровень ком...
Страница 3 - ВАЖНАЯ ИНФОРМАЦИЯ; руководство; В ХОДЕ МОНТАЖА; Установка
- 3 - ПРЕД УПРЕЖДЕНИЕ ВАЖНАЯ ИНФОРМАЦИЯ Необходимо внимательно прочесть данное руководство , чтобы рационально и безопасно эксплуатировать котел. Бережно храните руководство, поскольку в буду- щем в нем может снова возникнуть необходимость. В случае передачи котла друго- му пользователю, данное руко...
Страница 4 - Категория аппарата: II; В ХОДЕ ЭКСПЛУАТАЦИИ
- 4 - ПРЕД УПРЕЖДЕНИЕ Категория аппарата: II 2H3P (газ G20 20 мбар, G31 37 мбар) Страна назначения: RU Оборудование соответствует следующим европейским директивам: Директива о газе 2009/142/EK Директива о производительности 92/42/EK Директива об электромагнитной совместимости 2014/30/EU Директива о ...
Страница 5 - СОДЕРЖАНИЕ
- 5 - СОДЕРЖАНИЕ 1 ОПИСАНИЕ КОТЛА . . . . . . . . . . . . . . . . . . 6 1.1 Общий вид . . . . . . . . . . . . . . . . . . . . . . . . . . 6 1.2 Отсечной клапан . . . . . . . . . . . . . . . . . . . . . 6 1.3 Панель управления . . . . . . . . . . . . . . . . . . . 6 1.4 Общие характеристики ЖК-диспле...
Страница 6 - ОПИСАНИЕ КОТЛА
- 6 - ЭК СПЛУ АТ АЦИЯ ОПИСАНИЕ КОТЛА 1 ОПИСАНИЕ КОТЛА 1.1 Общий вид Модель и серийный номер котла указаны в гарантийном обязательстве. Рисунок 1.1 1 2 1 Панель управления 2 Глазок для контроля пламени в горелке 1.2 Отсечной клапан Рисунки, приведенные в данном руко- водстве, иллюстрируют только одно...
Страница 7 - дисплея; УСЛОВНЫЕ ОБОЗНАЧЕНИЯ
- 7 - ЭК СПЛУ АТ АЦИЯ ОПИСАНИЕ КОТЛА 1.4 Общие характеристики ЖК- дисплея Для ознакомления с техническими харак- теристиками котла см. раздел «ТЕХНИЧЕ- СКИЕ ХАРАКТЕРИСТИКИ» на стр. 17. Рисунок 1.4 УСЛОВНЫЕ ОБОЗНАЧЕНИЯ Данный символ означает, что сам пользователь может перезапу- стить котел, нажав кн...
Страница 8 - OFF
- 8 - ЭК СПЛУ АТ АЦИЯ ОПИСАНИЕ КОТЛА OFF (ВЫКЛ.) Электропитание котла вклю- чено, а переключатель уста- новлен в положение OFF (символ мигает) bar Дистанционное управление подключено bar Датчик контроля наружной температуры подключенКотел в режиме запроса мощ- ности контура отопления (символ мигает)...
Страница 9 - ИНСТРУКЦИИ ПО ЭКСПЛУАТАЦИИ
- 9 - ЭК СПЛУ АТ АЦИЯ ИНСТРУКЦИИ ПО ЭКСПЛУАТАЦИИ 2 ИНСТРУКЦИИ ПО ЭКСПЛУАТАЦИИ 2.1 Предупреждения Убедитесь, что контур системы отопления наполнен водой соот- ветствующим образом, даже если котел используется только для горячего водоснабжения. В противном случае, необходи- мо правильно наполнить конт...
Страница 10 - Температура контура отопления; Регулировка температуры системы ото-
- 10 - ЭК СПЛУ АТ АЦИЯ ИНСТРУКЦИИ ПО ЭКСПЛУАТАЦИИ Рисунок 2.5 10 11 На ЖК-дисплее последовательно отобразят- ся следующие символы, см. Рисунок 2.6. Рисунок 2.6 2.3 Температура контура отопления Температуру горячей воды на подаче в систе- му отопления можно регулировать, поворачи- вая ручку, изображе...
Страница 11 - Работа в режиме отопления; Температура контура горячего
- 11 - ЭК СПЛУ АТ АЦИЯ ИНСТРУКЦИИ ПО ЭКСПЛУАТАЦИИ новке котла узнайте о наиболее подходящей для вашей системы регулировке. На ЖК-дисплее можно проверить, набрала ли система заданную температуру. Работа в режиме отопления При работе котла в режиме нагрева горячей воды в системе отопления на ЖК-диспле...
Страница 12 - Регулировка; Функция предварительного
- 12 - ЭК СПЛУ АТ АЦИЯ ИНСТРУКЦИИ ПО ЭКСПЛУАТАЦИИ Рисунок 2.15 Рисунок 2.16 Регулировка Установите необходимую температуру воды в системе горячего водоснабжения и уменьшите необходимость смешивания го- рячей воды с холодной. Таким образом Вы сможете оценить преиму- щества автоматической регулировки ...
Страница 13 - Положение
- 13 - ЭК СПЛУ АТ АЦИЯ ИНСТРУКЦИИ ПО ЭКСПЛУАТАЦИИ Рисунок 2.20 Примечание: если котел будет отключен от электрического питания, то при следующем его включении необходимо подождать, по меньшей мере, 1 минуту, прежде чем активи- ровать данную функцию. Для отключения функции предварительного нагрева на...
Страница 14 - ПОЛЕЗНЫЕ РЕКОМЕНДАЦИИ
- 14 - ЭК СПЛУ АТ АЦИЯ ПОЛЕЗНЫЕ РЕКОМЕНДАЦИИ 3 ПОЛЕЗНЫЕ РЕКОМЕНДАЦИИ 3.1 Наполнение контура отопления Рисунок 3.1 Предохра- нительный клапан Кран наполнения Закрыто Открыто Откройте кран наполнения, см. Рисунок 3.1, расположенный под котлом, и проверь- те давление в контуре системы отопления при пом...
Страница 15 - Периодическое техническое
- 15 - ЭК СПЛУ АТ АЦИЯ ПОЛЕЗНЫЕ РЕКОМЕНДАЦИИ 3.4 Периодическое техническое обслуживание Для обеспечения эффективной и беспере- бойной работы котла рекомендуется, что- бы специалист уполномоченного сервисно- го центра производил техобслуживание и очистку котла, по меньшей мере, один раз в год. В ходе...
Страница 16 - Код отклонения от нормы
- 16 - ЭК СПЛУ АТ АЦИЯ ПОЛЕЗНЫЕ РЕКОМЕНДАЦИИ Шумы воздушных пузырьков В этом случае необходимо проверить дав- ление в контуре системы отопления и при необходимости произвести наполнение, см. раздел «Наполнение контура отопле- ния» на стр. 14. Низкое давление на манометре Добавьте еще воды в систему ...
Страница 17 - ТЕХНИЧЕСКИЕ ХАРАКТЕРИСТИКИ
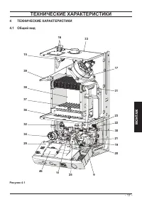
- 17 - МОНТ АЖ ТЕХНИЧЕСКИЕ ХАРАКТЕРИСТИКИ 4 ТЕХНИЧЕСКИЕ ХАРАКТЕРИСТИКИ 4.1 Общий вид Рисунок 4.1 20 21 16 33 15 22 23 17 25 29 36 37 19 38 30 39 31 32 34 9 46 18
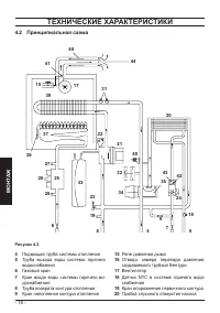
Страница 18 - Принципиальная схема
- 18 - МОНТ АЖ ТЕХНИЧЕСКИЕ ХАРАКТЕРИСТИКИ 4.2 Принципиальная схема Рисунок 4.2 4 Подающая труба системы отопления 5 Труба выхода воды системы горячего водоснабжения 6 Газовый кран 7 Кран входа воды системы горячего во- доснабжения 8 Труба возврата контура отопления 9 Кран наполнения контура отоплени...
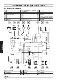
Страница 20 - Электрическая схема
- 20 - МОНТ АЖ ТЕХНИЧЕСКИЕ ХАРАКТЕРИСТИКИ Рисунок 4.3 4.3 Электрическая схема 1 2 3 4 5 6 7 8 9 10 11 12 13 14 c m c 1 3 4 g/v X5 P1 P2 X1 X6A X7 X3 X12 X17 X2 X15 X13 X11 X10 X4 M~ m c n 1 2 3 n m c 1 2 3 L N g/v c m m n c m m m c c n c c n n g/v n n c mg/v M ~ M ~ c m g/v m c t c c b b b n n n COM...
Страница 21 - Гидравлическая кривая; Расход при закрытых термостатических; Расширительный бак; шающей 124 литра, необходимо
- 21 - МОНТ АЖ ТЕХНИЧЕСКИЕ ХАРАКТЕРИСТИКИ 4.4 Гидравлическая кривая Гидравлическая кривая представляет со- бой зависимость давления (напора), допу- стимого в системе отопления, от расхода. Рисунок 4.4 0,0 0,1 0,2 0,3 0,4 0,5 0,6 0 200 400 600 800 1000 1200 1250 bar l/h 24 - 28 kW Рисунок 4.5 0,0 0,1...
Страница 22 - Технические данные FEDERICA 24 TURBO PLUS
- 22 - МОНТ АЖ ТЕХНИЧЕСКИЕ ХАРАКТЕРИСТИКИ 4.6 Технические данные FEDERICA 24 TURBO PLUS (Q.ном.) Номинальная тепловая мощность системы отопления/ подачи горячей воды (Hi) kW 25,5 kcal/h 21926 (Q.ном.) Минимальная тепловая мощность системы отопления (Hi) kW 11,0 kcal/h 9458 (Q.ном.) Минимальная тепло...
Страница 24 - Технические данные FEDERICA 28 TURBO PLUS
- 24 - МОНТ АЖ ТЕХНИЧЕСКИЕ ХАРАКТЕРИСТИКИ 4.7 Технические данные FEDERICA 28 TURBO PLUS (Q.ном.) Номинальная тепловая мощность системы отопления/ подачи горячей воды (Hi) kW 31,1 kcal/h 26741 (Q.ном.) Минимальная тепловая мощность системы отопления (Hi) kW 16,5 kcal/h 14187 (Q.ном.) Минимальная тепл...
Страница 26 - Технические данные FEDERICA 32 TURBO PLUS
- 26 - МОНТ АЖ ТЕХНИЧЕСКИЕ ХАРАКТЕРИСТИКИ 4.8 Технические данные FEDERICA 32 TURBO PLUS (Q.ном.) Номинальная тепловая мощность системы отопления/ подачи горячей воды (Hi) kW 33,9 kcal/h 29149 (Q.ном.) Минимальная тепловая мощность системы отопления (Hi) kW 15,5 kcal/h 13328 (Q.ном.) Минимальная тепл...
Страница 28 - МОНТАЖ
- 28 - МОНТ АЖ МОНТАЖ 5 МОНТАЖ 5.1 Предупреждения Продукты сгорания котла долж- ны выводиться непосредствен- но наружу или в предназначен- ный для этих целей дымоход в соответствии с действующими национальными нормами и местными правилами. Перед установкой необходимо в обяза- тельном порядке тщатель...
Страница 29 - Все значения приведены в мм; Наполнение системы отопле-; Установка кронштейна котла; Кран
- 29 - МОНТ АЖ МОНТАЖ Рисунок 5.1 25 25 Все значения приведены в мм 250 200 • Оставить 5 см свободного пространства перед котлом в случае его установки в шкафу, панели, нише. • Если котел устанавливается на место предыдущего, следует тщательно про- мыть и очистить место установки. • Рекомендуется ос...
Страница 30 - AB; Размеры и длина дымоотводов
- 30 - МОНТ АЖ МОНТАЖ 5.5 Размеры Котел соответствует следующим размерам: Рисунок 5.2 400 5 6 2 5 4 6 5 6 85 255 703 56 1 20 193 250 95 83 35 165 101 20 325 147 237 115 105 A B C E-F H - I AB D E F G G H I C A Дымоотвод / забор воздуха (коаксиаль- ная ø 60/100) B Дымоотвод (двойная ø 80) C Забор воз...
Страница 32 - Модель
- 32 - МОНТ АЖ МОНТАЖ Для колена 45° уменьшение 0,5 м Для колена 90° уменьшение 1 м Рисунок 5.8 B A C 45° 90° C 12 Комплект раздвоенных воздухозабор- ных и дымоотводных трубопроводов Ø 80 мм (Рисунок 5.13 - Рисунок 5.14) Этот комплект позволяет разделить возду- хозаборные и дымоотводные трубопрово- ...
Страница 33 - Диафрагма; Ø нет
- 33 - МОНТ АЖ МОНТАЖ Рисунок 5.10 24 кВтДвойные Ø 80/80 мм Диафрагма Дым Воздух Для длины от 0,5 м до 15 м Ø 38 мм Ø нет Для длины от 15 м до 30 м Ø 47 мм Ø 50 мм Рисунок 5.11 28 кВтДвойные Ø 80/80 мм Диафрагма Дым Воздух Для длины от 0,5 м до 15 м Ø 38 мм Ø нет Для длины от 15 м до 30 м Ø 47 мм Ø ...
Страница 34 - обходимо установить устройство для
- 34 - МОНТ АЖ МОНТАЖ (EN 483). Риск конденсации возникает в дымоотводах на участках, дли- на которых превышает 7 ме- тров. ТИП C 62 При использовании трубопроводов и отво- дящих патрубков другого производителя (типа C 62 ), необходимо, чтобы они были со- вместимыми с данной системой, а дымовой труб...
Страница 36 - Электрическое подключение; Подключение к сети электроснабжения
- 36 - МОНТ АЖ МОНТАЖ 5.8 Электрическое подключение • Снимите переднюю панель котла, в со- ответствии с указаниями. Выньте винты J. Снимите переднюю панель K , под- толкнув ее вверх, чтобы высвободить из нижних крючков Рисунок 5.19. Рисунок 5.19 J K • Открутите шесть указанных винтов, см. Рисунок 5....
Страница 37 - Подключение комнатного
- 37 - МОНТ АЖ МОНТАЖ Рисунок 5.23 L N 1 3 Клеммная колодка электропитания к двухполюсному выключателю Клеммная колодка комнатного термостата Кабель или провода электропитания котла и комнатного термостата должны прохо- дить в соответствии с указаниями рисунка, см. Рисунок 5.27. 5.9 Подключение комн...
Страница 38 - Клеммная; Установка внешнего датчика
- 38 - МОНТ АЖ МОНТАЖ Подключение зональных клапанов, управляемых комнатным термостатом Рисунок 5.26 1 3 L N В T Клеммная колодка комнатного термостата Зональный клапан с микроконтактами Комнатный термостат Чистые контакты микровыключателя зональных клапанов Для подключения зональных клапанов ис- по...
Страница 39 - К ВНЕШНЕМУ ДАТЧИКУ; Электрическое соединение; ненную в клеммной колодке комнатно-
- 39 - МОНТ АЖ МОНТАЖ Рисунок 5.28 • Соедините клеммы E1 и E2 клеммной колодки с двумя электропроводами, см. Рисунок 5.29. • Вставьте эти же два провода в клеммы внешнего датчика. Рисунок 5.29 К ВНЕШНЕМУ ДАТЧИКУ Клеммная колодка для подключения внешнего датчика Траектория кабеля или проводов внешне-...
Страница 40 - Клеммная колодка; К двухполюсному; Дистанционное включение с; заданного значения 60
- 40 - МОНТ АЖ МОНТАЖ Рисунок 5.33 1 3 Клеммная колодка электропитания Клеммная колодка комнатного термостата L N Кабель или провода питания котла и пульта дистанционного управления должны быть проложены и зафиксированы так, как пока- зано на рисунке, см. Рисунок 5.34. Рисунок 5.34 К двухполюсному в...
Страница 41 - Настройка коэффициента K; Последовательность настройки коэф-
- 41 - МОНТ АЖ МОНТАЖ Рисунок 5.38 • Для выхода из режима программирова- ния нажмите кнопку . 5.14 Настройка коэффициента K внешнего датчика В котле установлено значение коэффици- ента K, равное нулю, на случай работы без подсоединенного датчика. Рисунок 5.39 Внешняя температура °C 20 20 15 10 5 0 -...
Страница 42 - Значения
- 42 - МОНТ АЖ МОНТАЖ • Нажмите кнопку перезапуска 12, см. Ри- сунок 5.40, и пролистайте параметры до P15 , предназначенного для настройки коэффициента К. На ЖК-дисплее по- следовательно отобразятся следующие символы (параметр P15 будет загораться поочередно с 00 ). Рисунок 5.43 • Установите значени...
Страница 43 - насоса
- 43 - МОНТ АЖ МОНТАЖ Рисунок 5.49 Температура на подаче °C Внешняя температура °C 20 20 15 10 5 0 -5 -10 -15 -20 -25 30 40 50 60 70 80 K = 1,5 -15 °C + 15 °C График изменения температуры в зави- симости от положения регулятора при K, равном 1,5 , изображен на рисунке Рисунок 5.49. Последовательност...
Страница 45 - OK
- 45 - МОНТ АЖ МОНТАЖ насоса на ЖК-дисплее появится надпись OK в подтверждение того, что автомати- ческое сохранение установленного зна- чения прошло успешно. Рисунок 5.58 • Чтобы выйти из режима программирова- ния, установите переключатель функций / регулятор температуры 11, как показано на рисунке...
Страница 46 - Выбор частоты повторного
- 46 - МОНТ АЖ МОНТАЖ 5.16 Выбор частоты повторного включения Когда котел работает в системе отопления в режиме включения / выключения, мини- мальное время между двумя включениями составляет 3 минуты (частота повторного включения). В режиме программирования панели управления или пульта дистанционног...
Страница 49 - ПОДГОТОВКА К ЭКСПЛУАТАЦИИ
- 49 - МОНТ АЖ ПОДГОТОВКА К ЭКСПЛУАТАЦИИ 6 ПОДГОТОВКА К ЭКСПЛУАТАЦИИ 6.1 Предупреждения Перед выполнением описанных далее действий, убедитесь, что двухполюсный выключатель, предусмотренный при установ- ке, находится в положении «вы- ключен». 6.2 Последовательность операций Подача газа Рисунок 6.1 По...
Страница 50 - Прежде чем приступить к ка-
- 50 - МОНТ АЖ ПОДГОТОВКА К ЭКСПЛУАТАЦИИ Рисунок 6.4 • Поверните переключатель функций 11, как показано на рисунке, см. Рисунок 6.5, котел перейдет в режим «ожидания зимы» и на ЖК-дисплее отобразятся сле- дующие символы, см. Рисунок 6.6. Рисунок 6.5 10 11 12 Рисунок 6.6 Прежде чем приступить к ка- к...
Страница 51 - ПРОВЕРКА РЕГУЛИРОВКИ ГАЗА; ПРОВЕРКА РЕГУЛИРОВКИ
- 51 - МОНТ АЖ ПРОВЕРКА РЕГУЛИРОВКИ ГАЗА 7 ПРОВЕРКА РЕГУЛИРОВКИ ГАЗА 7.1 Предупреждения Измерив давление газа, тща- тельно закройте отводы, ис- пользованные для замера дав- ления. После проведения всех опера- ций по регулировке газа необ- ходимо опломбировать регули- ровки клапана. Внимание, опаснос...
Страница 52 - Проверка минимального давления в го-
- 52 - МОНТ АЖ ПРОВЕРКА РЕГУЛИРОВКИ ГАЗА Рисунок 7.3 24 22 MAКС. 22 МИН. C 21 20 Рисунок 7.4 FEDERICA 24 TURBO PLUS - Макс. давление газа на горелке Метан G20 Pa 1280 mbar 12,8 Пропан G31 Pa 3600 mbar 36,0 1 мбар соответствует приблизительно 10 мм H20 Рисунок 7.5 FEDERICA 28 TURBO PLUS - Макс. давле...
Страница 53 - Регулировка розжига горелки; Отвод для
- 53 - МОНТ АЖ ПРОВЕРКА РЕГУЛИРОВКИ ГАЗА Рисунок 7.9 FEDERICA 32 TURBO PLUS - Мин. давление газа на горелке Метан G20 Pa 220 mbar 2,2 Пропан G31 Pa 750 mbar 7,5 1 мбар соответствует приблизительно 10 мм H20 7.3 Регулировка розжига горелки • Отключите котел от сети электропитания. • Поверните переклю...
Страница 54 - НАСТРОЙКА
- 54 - МОНТ АЖ ПРОВЕРКА РЕГУЛИРОВКИ ГАЗА Рисунок 7.14 • Нажмите кнопку перезапуска 12, см. Ри- сунок 7.12, и пролистайте параметры до P14 , предназначенного для настройки давления розжига горелки. На ЖК-дис- плее последовательно отобразятся сле- дующие символы (параметр P14 будет загораться поочеред...
Страница 56 - СМЕНА ТИПА ГАЗА
- 56 - ТЕХНИЧЕСКОЕ ОБ С ЛУЖИВ АНИЕ СМЕНА ТИПА ГАЗА 8 СМЕНА ТИПА ГАЗА 8.1 Предупреждения Все действия по приспособле- нию котла к подаваемому типу газа должны производиться специалистами уполномочен- ного сервисного центра. Для приспособления котла к типу газа не- обходимо использовать только детали ...
Страница 57 - Метан
- 57 - ТЕХНИЧЕСКОЕ ОБ С ЛУЖИВ АНИЕ СМЕНА ТИПА ГАЗА • Нажмите кнопку перезапуска 12, см. Ри- сунок 8.2, и пролистайте параметры до P05 , предназначенного для настройки типа газа. На ЖК-дисплее последова- тельно отобразятся следующие символы (параметр P05 будет загораться пооче- редно с 01 ). Рисунок ...
Страница 59 - ТЕХНИЧЕСКОЕ ОБСЛУЖИВАНИЕ
- 59 - ТЕХНИЧЕСКОЕ ОБ С ЛУЖИВ АНИЕ ТЕХНИЧЕСКОЕ ОБСЛУЖИВАНИЕ 9 ТЕХНИЧЕСКОЕ ОБСЛУЖИВАНИЕ 9.1 Предупреждения Описанные в данной главе дей- ствия должны выполняться только квалифицированными специалистами, рекомендуется обращаться в уполномоченный сервисный центр. Для обеспечения надежной и беспере- бой...
Страница 60 - Закрыто
- 60 - ТЕХНИЧЕСКОЕ ОБ С ЛУЖИВ АНИЕ ТЕХНИЧЕСКОЕ ОБСЛУЖИВАНИЕ Рисунок 9.3 7 • Откройте краны горячей воды. 9.4 Опорожнение контура системы отопления • Закройте краны на подаче и возврате си- стемы отопления. • Откройте кран опорожнения котла, см. Рисунок 9.4. Рисунок 9.4 Закрыто Открыто 9.5 Очистка пе...
Страница 61 - Проверка КПД котла; См. также раздел «Настройка
- 61 - ТЕХНИЧЕСКОЕ ОБ С ЛУЖИВ АНИЕ ТЕХНИЧЕСКОЕ ОБСЛУЖИВАНИЕ Рисунок 9.5 Минимальное значение давления, созда- ваемого трубкой Вентури, см. в следующих таблицах: Рисунок 9.6 FEDERICA 24 TURBO PLUS Минимальное давление, создаваемое трубкой Вентури Па 84 мбар 0,84 Рисунок 9.7 FEDERICA 28 TURBO PLUS Мин...
Страница 62 - Настройка функции
- 62 - ТЕХНИЧЕСКОЕ ОБ С ЛУЖИВ АНИЕ ТЕХНИЧЕСКОЕ ОБСЛУЖИВАНИЕ Рисунок 9.11 Модель FEDERICA 32 TURBO PLUS Номинальная тепловая мощность kW 33,9 Номинальный КПД % 93,1 Эффективность сгорания % 94,1 Показатель воздуха n 1,6 Состав дымов CO2 % 7,2 Состав дымов O2 % 8,1 Состав дымов CO ppm n.t. Температура...
Страница 64 - Компания; Federica Bugatti
- 64 - 10 ГАРАНТИЙНЫЕ ОБЯЗАТЕЛЬСТВА Компания Federica Bugatti гарантирует на- стоящее итальянское качество. По вопросам монтажа, ввода оборудования в эксплуатацию и последующего технического и сервисного обслуживания рекомендуем Вам обращаться в авторизованный Сервисный Центр Federica Bugatti. По до...
Страница 66 - 1 ГАРАНТИЙНЫЙ ТАЛОН No
- 66 - 11 ГАРАНТИЙНЫЙ ТАЛОН № Модель оборудования Серийный номер Сведения о продаже Фирма продавец Адрес Телефон Ф.И.О. продавца Дата продажи М.П. Подпись Сведения о владельце: Ф.И.О. Адрес установки Телефон Оборудование получено в заводской упаковке, с полной комплектацией. Претензий к внешнему вид...