Страница 2 - electrolux; Основные функции котла
2 electrolux Основные функции котла • Данное устройство обеспечивает отопление и горячее водоснабжение путем превраще-ния энергии сжигаемого газа (природного или сжиженного) в тепловую энергию теп-лоносителя системы отопления или тепло-вую энергию горячей воды. • Крупный цифровой дисплей отражает вс...
Страница 3 - газовые котлы; Внутренняя структура котла
газовые котлы 3 Внутренняя структура котла 1 22 23 24 25 26 4 3 5 8 9 10 11 12 13 14 16 15 21 17 181920 2 6 7 1 Вторичный теплообменник 2 Трехходовой клапан 3 Датчик давления теплоносителя 4 Датчик NTC системы ГВС 5 Сервопривод трехходового клапана 6 Электрод розжига и ионизации 7 Горелка 8 Труба вы...
Страница 4 - Циркуляционный насос; GCB 24 Basic Duo Fi
4 electrolux Циркуляционный насос В котле установлен трехскоростной циркуляционный насос со встроенным автоматическим воздухоотводчиком. GCB 24 Basic Duo Fi GCB 30 Basic Duo Fi На заводе установлена «III» скорость вращения насоса, что соответствует максимальной производительности.Изменяя скорость на...
Страница 5 - Показатель; Технические характеристики
газовые котлы 5 Показатель Ед. изм. Модель котла GCB 24 Basic Duo Fi GCB 30 Basic Duo Fi Общие данные Тип используемого газа - Природный / Сжиженный Минимальное давление природного газа мбар 3,5 3,5 Номинальное давление природного газа (G20) мбар 13-25 13-25 Номинальное давление сжиженного газа (G30...
Страница 7 - Панель управления; Пояснение к ЖК-дисплею
газовые котлы 7 Панель управления Пояснение к ЖК-дисплею 1 2 3 4 9 8 7 5 6 1 ЖК-дисплей. Отображает информацию о работе котла, текущее время. 2 Кнопка переключения режимов «зима/ лето». 3 Кнопка «SET». 4 Кнопка «программа». 5 Кнопка «RESET». Перезагрузка котла. 6 Кнопка «вкл/выкл». 7 Кнопка понижени...
Страница 8 - Подключение газа; Заполнение системы отопления; Включение котла и его работа; Проверка котла перед первым включением
8 electrolux Подключение газа Подключение газа к котлу осуществляется при помощи плоской паронитовой прокладки и накидной гайки. Для подключения газа докускается использование гибкой сильфонной подводки, сертифицированной на газ. Заполнение и слив системы отопления Заполнение системы отопления Подсо...
Страница 9 - ОN; Начало использования; Режима горячего водоснабжения
газовые котлы 9 • нажмите кнопку «SET» – на дисплее горит « » и будет моргать « » – установите значение часов текущего времени; • нажмите кнопку «SET» – на дисплее горит « » и будет моргать « » – установите текущий день недели (1 – понедельник, 2 – вторник и т.д.); • нажмите кнопку «SET» – на диспле...
Страница 10 - Настройка программатора котла
10 electrolux Настройка программатора котла • Пользователь может установить программу работы отопления на 24 часа (минимально на 1 час). Если на дисплее задана черная отметка (ON), это значит, что в этот час котел будет работать на отопление с заданной тем-пературой теплоносителя. Если на дисплее ме...
Страница 11 - Погодозависимое управление котлом; Выключение; Выключение котла на долгое время
газовые котлы 11 против часовой стрелки. • Таким же образом можно изменить время и дату.• Снова нажмите кнопку PROG, вернетесь в настройки даты. После программирования настройки сохранятся автоматически, систе-ма выходит из режима программирования через 8 секунд или при нажатии кнопки RESET. Погодоз...
Страница 12 - Е2 – перегрев теплоносителя; Температура теплоносителя более 100; Е3 – ошибка в системе дымоудаления; • Если в помещении, где установлен котел
12 electrolux функция «Авторестарт», благодаря ей котел автоматически перезапускается при перебоях по электричеству и газу. Перезапуск котла происходит циклично каждые 30 минут. Е2 – перегрев теплоносителя Температура теплоносителя более 100 о С. Решение: после остывания теплоносителя до 70 о С пере...
Страница 13 - Общие неисправности и решения; Hеисправность
газовые котлы 13 Если по какой-либо причине температура в системе отопления опускается ниже +2 о С, котел выключается и на дисплее появляется код ошибки «Е9». Общие неисправности и решения Hеисправность Причина Решение Звук хлопка при розжиге Проблема с воспламенением газа Свяжитесь со специалистом ...
Страница 14 - Техническое обслуживание; Распаковка
14 electrolux Hеисправность Причина Решение Е9 Температура в контуре отопления котла ниже +2 о С Свяжитесь со специалистом Шум Шумит вентилятор Свяжитесь со специалистом Шумит насос Свяжитесь со специалистом Воздух в системе отопления Удалите воздух из системы отопления Нет горячей воды Неисправен д...
Страница 15 - Проверка и принятие; Размеры; Требования к воде, используемой в качестве; Присоединение гидравлических систем
газовые котлы 15 Проверка и принятие Вместе с котлом поставляются:• инструкция по эксплуатации и установке;• кронштейн для крепления и крепеж. Данная инструкция является основным документом при проведении монтажа, тех-нической эксплуатации и ремонта котла. Внимательно прочитайте ее и следуйте указан...
Страница 16 - Условия установки; Крепление панели для установки; Подсоединение газа
16 electrolux Условия установки Не устанавливать котел вблизи открытого огняСтена, на которую вешается котел, должна быть способна выдержать вес не менее 45 кг и материал стены должен быть не горючим. Если стена выполнена из горючих материалов, то она должны быть покрыта негорючим мате-риалом толщин...
Страница 17 - Присоединение к дымоходу; Концентрическая система «труба в трубе»
газовые котлы 17 действующим нормам и предписаниям; • питающий трубопровод должен иметь сечение превышающее или равное таковому котла; • проверьте, чтобы подаваемый газ соот- ветствовал тому, для которого котел был отрегулирован: иначе квалифицированный специалист должен будет произвести пере-вод на...
Страница 18 - Расположение терминала
18 electrolux Расположение терминалов для аппаратов с принудительной тягой в зависимости от их теплопроизводительности Расположение терминала Расстояния Аппараты свыше 16 до 35 кВт (мм мин.) Под окном А 600 Под вентиляционным отверстием В 600 Под карнизом С 300 Под балконом** D 300 От смежного окна ...
Страница 19 - Система полностью раздельных труб; LO
газовые котлы 19 Изучите приведенную далее таблицу. Каж-дый дополнительный изгиб 90° эквивален-тен 0,5 погонным метрам трубы, каждый дополнительный изгиб 45° эквивалентен 0,25 погонным метрам трубы. Допускается не более 3-х изменений направления 90° для каждой трубы. Система полностью раздельных тру...
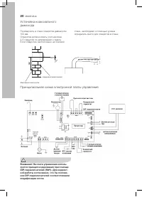
Страница 20 - Принципиальная схема электронной платы управления
20 electrolux Установка коаксиального дымохода Просверлите в стене отверстие диаметром105 мм.Отверстие должно иметь угол наклона 2-5 градусов по направлению к земле.Если отверстие расположено на боковой Монтажная планка котла Наружная сторона здания 105 2° - 5° стене, необходимо с помощью уровня опр...
Страница 21 - Описание DIP-переключателей
газовые котлы 21 Описание DIP-переключателей Перевод котла на сжиженный газ Внимание! Перевод на другой тип газа должен производить квалифицированный специалист авторизованного сервисного центра. На заводе-изготовителе котел настроен на природный газ. Для перевода на сжиженный газ необходимо заменит...
Страница 23 - Этикетка котла; Год; Утилизация; Сертификат соответствия:
газовые котлы 23 Этикетка котла Этикетка котла, расположенная снаружи на правой боковой поверхности крышки котла, содержит информацию о котле, в том числе наименование и мощность котла, дату изготов-ления и страну-производителя.Дату изготовления можно определить по серийному номеру нанесенному на эт...
Страница 24 - Га ран тий ный та лон
Га ран тий ный та лон Поздравляем Вас с приобретением техники отличного качества! Настоящий документ не ограничивает определенные законом права потребителей, но дополняет и уточняет оговоренные законом обязательства, предполагающие соглашение сторон либо договор. Настоящая гарантия действительна тол...