Страница 2 - Техника безопасности; Электрический монтаж с учетом требований ЭМС; Предупреждения и аварийные сигналы; Оглавление; является зарегистрированным товарным знаком компании Danfoss
Оглавление 1 Краткое руководство 2 1.1 Техника безопасности 2 1.1.1 Предупреждения 2 1.1.2 Инструкции по безопасности 2 1.2 Введение 3 1.2.1 Список литературы 3 1.2.2 Разрешения 3 1.2.3 Сеть ИТ 3 1.2.4 Избегайте непреднамеренного пуска 4 1.2.5 Инструкции по утилизации 4 1.3 Монтаж 4 1.3.1 Перед нача...
Страница 3 - Краткое руководство; Техника безопасности; Предупреждение о высоком напряжении; Время разрядки; Напряжение; ПРЕДУПРЕЖДЕНИЕ; Ток утечки на землю превышает 3,5 мА.
1 Краткое руководство 1.1 Техника безопасности 1.1.1 Предупреждения ВНИМАНИЕ! Предупреждение о высоком напряжении Напряжение преобразователя частоты опасно, если онподключен к сети. Неправильный монтаж двигателя илипреобразователя частоты может стать причинойповреждения оборудования, серьезных травм...
Страница 4 - Сеть ИТ; Болт ЭМС; ], если в работе используется питания от сети ИТ.; Краткое руководство
• Кнопка [Off/Reset] (Выкл./Сброс) не выполняетфункции защитного переключателя. Она неотключает преобразователь частоты от сети. 1.2 Введение 1.2.1 Список литературы Настоящее краткое руководство содержит основныесведения, необходимые для монтажа и эксплуатациипреобразователя частоты. Дополнительную...
Страница 5 - пуска; Отсоедините кабель двигателя.; Свободное пространство над; ПРИМЕЧАНИЕ
1.2.4 Избегайте непреднамеренного пуска Если преобразователь частоты подключен к сети,двигатель можно запустить/остановить с помощьюцифровых команд, команд с шины, заданий или с LCP. • Отсоедините преобразователь частоты от сети,если для обеспечения безопасности персоналатребуется защита от непредна...
Страница 7 - электромонтажу
Приведенные размеры относятся к физическимразмерам установок. При установке необходимооставить дополнительное пространство для свободногодоступа воздуха под установками и над ними.Количество пространства для свободного доступавоздуха приведено в Таблица 1.10 : Корпус Необходимое пространство для сво...
Страница 8 - Общие технические требования
Мощность [кВт] Крутящий момент [Нм] Корпус Класс IP 3 x 380–480 В Сеть Двигатель Подключение постоянного тока Клеммы управления Земля Реле I2 IP54 0.75-4.0 1,4 0,8 0,8 0,5 0,8 0,5 I3 IP54 5.5-7.5 1,4 0,8 0,8 0,5 0,8 0,5 I4 IP54 11–18,5 1,4 0,8 0,8 0,5 0,8 0,5 I5 IP54 11–18,5 1,8 1,8 - 0,5 3 0,6 I6 I...
Страница 17 - Таблица 1.22 Предохранители; требований ЭМС
Автоматический выключатель Предохранитель UL Не UL UL Не UL Bussmann Bussmann Bussmann Bussmann Макс. ток предохранителя Мощность [кВт] Тип RK5 Тип RK1 Тип J Тип Т Тип G 3 x 525–600 В IP20 2,2 KTS-R20 20 3 KTS-R20 20 3,7 KTS-R20 20 5,5 KTS-R20 20 7,5 KTS-R20 30 11 KTS-R30 35 15 KTS-R30 35 18,5 Cutle...
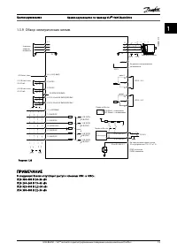
Страница 18 - Рисунок 1.21 Электрический монтаж с учетом требований ЭМС
• В установочных шкафах нельзя применятьнеэкранированные /незащищенные силовыекабели. L1 L2 L3 PE Мин. 16 мм 2 Уравнительный кабель Кабели управления Все точки подключения кабелей на одной стороне панели Заземленный рельс Изоляция кабеляудалена Выходнойконтактор и т. д. Кабель двигателя Двигатель, 3...
Страница 19 - Рисунок 1.22 Расположение клемм управления; -00 Digital Input Mode; Рисунок 1.25 Клеммы управления
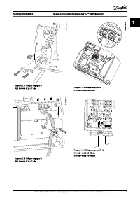
1.3.8 Клеммы управления IP20 200–240 В 0,25–11 кВт и IP20 380–480 В 0,37–22 кВт: 130BB622.10 Рисунок 1.22 Расположение клемм управления 1. Вставьте отвертку под клеммную крышку,чтобы открыть защелку. 2. Поверните отвертку и откройте крышку. 130BB624.10 Рисунок 1.23 IP20 380–480 В 30–90 кВт 1. Вставь...
Страница 21 - Программирование; softwaredownload; Дисплей используется для отображения информации.
1.4 Программирование 1.4.1 Программирование с помощью панели местного управления (LCP) ПРИМЕЧАНИЕ Преобразователь частоты может бытьзапрограммирован с ПК через коммуникационный портRS-485 COM с помощью программы настройки MCT 10Set-up Software. Используйте код 130B1000 для заказапрограммы или загруз...
Страница 22 - Цифровой вход клеммы 27 (; контура
D. Кнопки управления и световые индикаторы(светодиоды) 13 [Hand On] (Ручной пуск): Используется для пускадвигателя и позволяет управлять преобразователемчастоты с LCP. ПРИМЕЧАНИЕ Цифровой вход клеммы 27 ( 5-12 Terminal 27 Digital Input ) по умолчанию настроен на инверсный останов выбегом. Это означа...
Страница 25 - -29 Automatic Motor Adaption
Номер и название Диапазон Значение поумолчанию Функция 1-22 Motor Voltage 50,0–1000,0 В В соответствии стипоразмером Введите напряжение двигателя с паспортнойтаблички 1-23 Motor Frequency 20,0–400,0 Гц В соответствии стипоразмером Введите частоту двигателя, указанную напаспортной табличке 1-24 Motor...
Страница 27 - Мастер настройки параметров замкнутого контура
Мастер настройки параметров замкнутого контура 6-29 Terminal 54 Mode [1] Voltage 6-25 T54 high Feedback 0050 Hz 20-94 PI integral time 0020.00 s Current Voltage This dialog is forced to be set to [1] Analog input 54 27 28 29 30 31 32 33 34 20-00 Feedback 1 source [1] Analog input 54 3-10 Preset refe...
Страница 31 - до 0
Номер иназвание Диапазон Значениепоумолчанию Функция 1-24 MotorCurrent 0,01–10000,00A Всоответствии стипоразмером Введите токдвигателя спаспортнойтаблички 1-25 MotorNominalSpeed 100,0–9999,0об/мин Всоответствии стипоразмером Введитеноминальнуюскоростьвращениядвигателя спаспортнойтаблички 1-26 MotorC...
Страница 35 - Предупреждения и аварийные сигналы
1.6 Предупреждения и аварийные сигналы Номер отказа Номер разряда аварийн ого сигнала/ предупре ждения Текст отказа Предуп режден ие Авари йный сигнал Отключ ение с блокир овкой Причина отказа 2 16 Live zero error X X Сигнал на клемме 53 или 54 ниже 50 % от значения,установленного в пар. 6-10 Termin...
Страница 36 - Limit
Номер отказа Номер разряда аварийн ого сигнала/ предупре ждения Текст отказа Предуп режден ие Авари йный сигнал Отключ ение с блокир овкой Причина отказа 56 user interrupt X была прервана оператором 57 timeout X Повторяйте запуск до тех пор, пока не будет завершена. ПРИМЕЧАНИЕ Повторные запуски могу...
Страница 37 - Общие технические требования; ) При номинальной нагрузке
1.7 Общие технические требования 1.7.1 Питание от сети 3 x 200–240 В перем. тока Преобразователь частоты PK2 5 PK3 7 PK7 5 P1K 5 P2K2 P3K7 P5K5 P7K5 P11K P15K P18K P22K P30K P37K P45K Типовая мощность на валу [кВт] 0,25 0,37 0,75 1,5 2,2 3,7 5,5 7,5 11,0 15,0 18,5 22,0 30,0 37,0 45,0 Типовая мощност...
Страница 38 - Преобразователь частоты; Габарит корпуса IP20; C температура окружающей среды; Плавкие предохранители
1.7.2 Питание от сети 3 x 380–480 В перем. тока Преобразователь частоты PK37 PK75 P1K5 P2K2 P3K0 P4K0 P5K5 P7K5 P11K P15K P18K P22K P30K P37K P45K P55K P75K P90K Типовая мощность на валу [кВт] 0,37 0,75 1,5 2,2 3,0 4,0 5,5 7,5 11,0 15,0 18,5 22,0 30,0 37,0 45,0 55,0 75,0 90,0 Типовая мощность на вал...
Страница 39 - Выходной ток
Преобразователь частоты PK37 PK75 P1K5 P2K2 P3K0 P4K0 P5K5 P7K5 P11K P15K P18K P22K P30K P37K P45K P55K P75K P90K Расчетные потери мощности [Вт], лучший/типовой вариант 1) 13/15 16/21 46/57 46/58 66/83 95/118 104/13 1 159/19 8 248/27 4 353/37 9 412/45 6 475/52 3 733 922 1067 1133 1733 2141 Масса, ко...
Страница 40 - Габарит корпуса IP54
1.7.3 Питание от сети 3 x 380–480 В перем. тока Преобразователь частоты PK75 P1K5 P2K2 P3K0 P4KO P5K5 P7K5 P11K P15K P18K P11K P15K P18K P22K P30K P37K P45K P55K P75K P90K Типовая мощность на валу [кВт] 0,75 1,5 2,2 3,0 4,0 5,5 7,5 11 15 18,5 11 15 18,5 22,0 30,0 37,0 45,0 55,0 75,0 90,0 Типовая мощ...
Страница 46 - Руководство по проектированию; характеристик в связи с
Макс. нагрузка на клеммы (AC-15) 1) 01-03/04-06 (нормально замкнутый контакт) (индуктивная нагрузка при cos φ 0,4) 250 В пер. тока, 0,2 A Макс. нагрузка на клеммы (DС-1) 1) 01-03/04-06 (нормально замкнутыйконтакт) (резистивная нагрузка) 30 В пост. тока, 2 А Мин. нагрузка на клеммы 01-03 (нормально з...
Страница 47 - О дополнительных устройствах см.
1.9 Дополнительные устройства для VLT ® HVAC Basic Drive FC 101 О дополнительных устройствах см. Руководство по проектированию VLT ® HVAC MG18C. 1.10 Поддержка MCT 10 Информацию по MCT 10 можно посмотреть, посетив: www.danfoss.com/BusinessAreas/DrivesSolutions/fc101driveupdates Краткое руководство К...