COMARO MD 55-13 - инструкции и руководства

model-name

Компрессор COMARO MD 55-13 - инструкции пользователя по применению, эксплуатации и установке на русском языке читайте онлайн в формате pdf

1 Page 1
2 Page 2
3 Page 3
4 Page 4
5 Page 5
6 Page 6
7 Page 7
8 Page 8
9 Page 9
10 Page 10
11 Page 11
12 Page 12
13 Page 13
14 Page 14
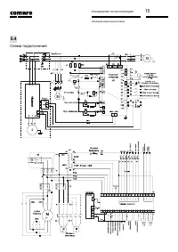
15 Page 15
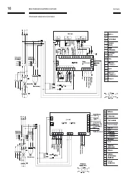
16 Page 16
17 Page 17
18 Page 18
19 Page 19
20 Page 20
21 Page 21
22 Page 22
23 Page 23
24 Page 24
25 Page 25
26 Page 26
27 Page 27
28 Page 28
29 Page 29
30 Page 30
31 Page 31
32 Page 32
33 Page 33

Краткое содержание

Страница 2 - Предупреждения; Пожалуйста, внимательно прочтите настоящие инструкции перед на-

2 Comaro ВинтоВой компрессор MD предупреждения и меры предосторожности 1 Предупреждения и меры предосторожности Пожалуйста, внимательно прочтите настоящие инструкции перед на- чалом установки воздушного компрессора. Это позволит избежать травм персонала и повреждение устройства. 1.1 меры предосторож...

Страница 3 - Осмотр; Для обеспечения прав покупателя, пожалуйста, внимательно прочти-

3 рукоВодстВо по эксплуатации осмотр и транспортировка 2 Осмотр и транспортировка Для обеспечения прав покупателя, пожалуйста, внимательно прочти- те данную главу. Пожалуйста, придерживайтесь методов, указанных в главе 2.4 при транспортировке устройства, чтобы избежать возник-новения опасных ситуаци...

Страница 4 - проверка аксессуаров; транспортировки; любые предметы на охладитель.; метод передачи

4 Comaro ВинтоВой компрессор MD осмотр и транспортировка 2.3 проверка аксессуаров ― После получения воздушного компрессора сначала проверьте наличие полного комплекта аксессуаров. Все воздушные компрессоры оборудуются следующими компонентами: ― 1. Одно руководство по эксплуатации; ― 2. Один гарантий...

COMARO Компрессоры Инструкции