Canon XL H1 - инструкции и руководства
Видеокамера Canon XL H1 - инструкции пользователя по применению, эксплуатации и установке на русском языке читайте онлайн в формате pdf
Инструкции:
Инструкция по эксплуатации Canon XL H1
Краткое содержание
2 Введение Важные инструкции по эксплуатации ПРЕДУПРЕЖДЕНИЕ. ВО ИЗБЕЖАНИЕ ПОРАЖЕНИЯ ЭЛЕКТРИЧЕСКИМ ТОКОМ НЕ СНИМАЙТЕ КОЖУХ (ИЛИ ЗАДНЮЮ ПАНЕЛЬ). ВНУТРИ КАМЕРЫ НЕТ ДЕТАЛЕЙ, ПОДЛЕЖАЩИХ ОБСЛУЖИВАНИЮ ПОЛЬЗОВАТЕЛЕМ.ОБСЛУЖИВАНИЕ ДОЛЖНО ВЫПОЛНЯТЬСЯ КВАЛИФИЦИРОВАННЫМ ПЕРСОНАЛОМ. ВНИМАНИЕ! ВО ИЗБЕЖАНИЕ ОПАСНОС...
3 Введ ение R Использование данного Руководства Благодарим Вас за покупку видеокамеры Canon XL H1. Перед началом работы с видеокамерой внимательно прочитайте данное Руководство и сохраните его в качестве справочника. В случае неполадок в работе видеокамеры см. таблицу Поиск и устранение неполадок ( ...
5 Введ ение R Содержание Введение Важные инструкции по эксплуатации .................................................................................................................................................. 2Использование данного Руководства .....................................................
7 Введ ение R Проверка комплекта дополнительных принадлежностей Комплект корпуса * Не входит в комплект поставки в Океании и Китае. Дополнительные принадлежности, входящие в состав комплекта объектива Компактный блок питания CA-920 Переходник постоянного тока DC-920 Аккумулятор BP-950G Карта памяти ...
8 Элементы камеры и их назначение XL H1 Режим внешнего управленияРежим VCR/PLAYПитание выключеноАвтоПриоритет выдержкиПриоритет диафрагмыРучнойПрожекторНочная съемкаПростая съемка Вид слева Программы съемки Диск POWER Кнопка LIGHTКнопка END SEARCH ( 47) Переключатель MODE SELECT ( 46) Переключатель ...
13 Введ ение R Пульт дистанционного управления WL-D5000 Кнопка PHOTO ( 113) Кнопка START/STOP ( 40) Кнопка MENU ( 29) Кнопка TV SCREEN ( 129) Кнопка SLIDESHOW ( 121) Кнопка DATA CODE ( 105) Кнопка INDEX WRITE ( 87) Кнопка AUDIO MONITOR ( 63, 101) Кнопка END SEARCH ( 47) Кнопка SEARCH SELECT ( 103, 1...
14 Подготовка Подготовка источника питания Зарядка аккумулятора Перед зарядкой отсоедините от блока питания переходник постоянного тока. Снимите с аккумулятора крышку клемм. 1. Подсоедините кабель питания к блоку питания.2. Подключите кабель питания к электрической розетке. 3. Установите аккумулятор...
15 Подг от овка R Питание камеры от бытовой электросети 1. Поверните диск POWER в положение OFF (Выкл.).2. Установите переходник постоянного тока на видеокамеру. Слегка нажав, сдвиньте переходник постоянного тока вверх в направлении стрелки до щелчка в фиксаторе. 3. Подсоедините кабель питания к бло...
16 ¯ Время зарядки, съемки и воспроизведения Указанные ниже значения времени являются приблизительными и зависят от условий зарядки, съемки и воспроизведения. * Приблизительное время съемки с повторяющимися операциями, такими, как пуск/остановка, зуммирование и включение/ выключение питания. Фактиче...
17 Подг от овка R Подготовка видеокамеры Установка и снятие цветного видоискателя Установка цветного видоискателя 1. Наденьте видоискатель на кронштейн и затяните винт крепления. 2. Подсоедините кабель видоискателя к верхнему гнезду на корпусе видеокамеры. 3. Вставьте кабель видоискателя в кабельный...
18 Снятие и установка наглазника Положение наглазника можно изменить для использования с левым или правым глазом. При изменении положения наглазника для использования с правым или левым глазом снимите наглазник и снова установите его. Установка наглазника Совместив отверстие для рычага диоптрийной р...
19 Подг от овка R Диоптрийная регулировка Включите видеокамеру и произведите настройку рычагом диоптрийной регулировки. Не допускайте попадания в видоискатель прямых солнечных лучей. Возможно повреждение ЖК-дисплея видоискателя из-за концентрации света линзой. Будьте особенно внимательны при установ...
21 Подг от овка R Закрепление ремня ручки Отрегулируйте ремень ручки таким образом, чтобы указательный и средний пальцы доставали до рычага зуммирования, а большой палец доставал до кнопки пуска/остановки. Закрепление наплечного ремня Пропустите концы ремня через кронштейны крепления и отрегулируйте...
22 Подготовка объектива См. также инструкцию по эксплуатации объектива. Установка объектива 1. Переведите диск POWER в положение OFF (Выкл.). 2. Снимите пылезащитные крышки с видеокамеры и объектива. 3. Совместите красную метку на объективе с красной меткой на видеокамере и поверните объектив по час...
23 Подг от овка R ¯ При съемке в стандарте HDV с объективом, не являющимся HDV-совместимым, правильная работа не гарантируется. При установке на видеокамеру объектива, не являющегося HDV-совместимым, отображаются сообщения «THIS LENS HAS NO STILL SHOOTING CAPABILITY» (ОБЪЕКТИВ НЕ ПОДДЕРЖИВАЕТ СЪЕМКУ...
24 Регулировка заднего фокусного отрезка (объективы без встроенной функции регулировки заднего фокусного отрезка) Задний фокусный отрезок можно регулировать для корректировки фокусировки в положении телефото или широкоугольном положении. Задний фокусный отрезок может настраиваться видеокамерой автом...
26 Использование беспроводного пульта дистанционного управления Нажимая кнопки на беспроводном пульте дистанционного управления, направляйте его на один из датчиков дистанционного управления на видеокамере. На видеокамере предусмотрены три датчика дистанционного управления: два спереди и один сзади....
27 Подг от овка R Загрузка/извлечение кассеты Используйте только видеокассеты с логотипом . Для записи в режиме HDV рекомендуется использовать кассеты, совместимые со стандартом HDV. 1. Откройте крышку отсека для кассеты, сдвинув переключатель EJECT. Отсек для кассеты открывается автоматически. 2. У...
28 Установка/извлечение карты памяти Видеокамера позволяет использовать карты памяти SD или продаваемые в магазинах карты памяти MultiMediaCard (MMC). Карта памяти SD снабжена переключателем для защиты от случайного стирания. Установка карты 1. Переведите диск POWER в положение OFF (Выкл.).2. Открой...
29 Подг от овка R Изменение параметров с помощью кнопки MENU Параметры многих функций видеокамеры можно изменить с помощью экранного меню. Выбор меню и установок 1. Для открытия меню нажмите кнопку MENU.2. Поворачивая диск SELECT, выберите подменю, затем нажмите кнопку SET.3. Поворачивая диск SELECT...
30 Меню и установки по умолчанию Установки по умолчанию выделены жирным шрифтом. 1 Может выбираться только при установке объектива с функцией заданного положения фокусировки. CAMERA MENU (МЕНЮ КАМЕРЫ) Подменю Пункт меню Возможные значения SIGNAL SETUP TIME CODE COUNT-UP REC-RUN , REC-RUN PS., FREE-R...
39 Подг от овка R Установка часового пояса, даты и времени Перед началом использования видеокамеры или после полной разрядки встроенного аккумулятора резервного питания установите часовой пояс, дату и время. Установка часового пояса/летнего времени 1. Нажмите кнопку MENU.2. Поворачивая диск SELECT, ...
40 Съемка Съемка На заводе-изготовителе при поставке видеокамеры устанавливаются следующие настройки:Режим съемки – HDV; Аудиорежим – 2 канала.Информация о записи звука приведена в соответствующей главе ( 59). Съемка 1. Снимите крышку с объектива.2. Нажмите кнопку фиксатора и установите диск POWER в...
41 Съ ем ка R Если на одной кассете записаны эпизоды как в стандарте HDV, так и в стандарте DV, функции поиска конца записи, поиска по дате и индексного поиска могут работать неправильно. Съемка с низкой точки На рукоятке для переноски предусмотрен дублирующий набор органов управления съемкой и зумм...
42 Индикация на экране во время съемки Временной код Указывает время съемки в часах, минутах, секундах и кадрах. Остаток ленты Указывает количество оставшейся ленты в минутах. Когда кассета заканчивается, мигает символ « END». • Если ленты осталось менее чем на 15 с, оставшееся время может не отобра...
43 Съ ем ка R Можно выбрать один из трех уровней объема информации, отображаемой на дисплее: полная, частичная и нет информации.При последовательных нажатиях кнопки EVF DISPLAY режимы индикации циклически переключаются в приведенном ниже порядке. * Если для пункта [GUIDE INFO] (СПРАВОЧНАЯ ИНФОРМАЦИЯ...
44 Просмотр снятого изображения В режиме паузы записи эта функция позволяет проверить несколько последних секунд записи. Нажмите и отпустите кнопку (просмотр записи). Видеокамера перематывает кассету назад, воспроизводит несколько последних секунд записи и возвращается в режим паузы записи. Если тек...
45 Съ ем ка R Выбор стандарта сигнала (HD/SD) Установите переключатель MODE SELECT в требуемое положение. • HD: для записи на кассету в стандарте HDV или для использования видеокамеры в качестве камеры высокой четкости (HD).• SD 16:9, SD 4:3: для записи на кассету в стандарте DV или для использовани...
46 Изменение формата кадра При съемке со стандартной четкостью (SD) можно установить формат кадра записей 16:9 или 4:3. Установите переключатель MODE SELECT в положение SD 16:9 или SD 4:3. Формат кадра видоискателя видеокамеры составляет 16:9. При выборе формата кадра 4:3 изображение отображается в ...
47 Съ ем ка R Поиск конца записи Эта функция служит для поиска конца последнего снятого сюжета. Нажмите кнопку END SEARCH. • Появляется символ « ». • Видеокамера перематывает кассету назад или вперед, воспроизводит несколько последних секунд записи и останавливает кассету. • При повторном нажатии кн...
48 «Наезд»/«отъезд» видеокамеры Зуммированием можно управлять с боковой ручки или с рукоятки для переноски. Можно также использовать кольцо зуммирования на зум-объективе или кнопки зуммирования на беспроводном пульте дистанционного управления. Для «отъезда» видеокамеры (широкоугольное положение) сдв...
49 Съ ем ка R Фиксированное положение зуммирования (объективы с функцией фиксированного положения зуммирования) Эта функция позволяет запомнить любое положение зуммирования для быстрого возврата к этому положению. Задание фиксированного положения зуммирования 1. Установите переключатель POSITION PRE...
50 Настройка фокусировки В видеокамере можно задать автоматическую или ручную фокусировку. Для упрощения ручной фокусировки можно также использовать функции повышения резкости контуров и увеличения изображения ( 51). Если используется объектив, отличный от объектива HD 20x L IS, см. также руководств...
51 Съ ем ка R Ручная фокусировка 1. Объективы с функцией автофокусировки: переместите селектор фокусировки на объективе в положение M. На экране отображается индикатор «MF». 2. Переведите объектив в положение телефото.3. Настройте фокус, поворачивая кольцо фокусировки.4. Кадрируйте объект с помощью ...
52 Повышение резкости контуров изображения Во время съемки или в режиме паузы записи нажмите кнопку EVF PEAKING. • Повышается резкость контуров объекта.• Для отмены этой функции нажмите кнопку еще раз. Увеличение В режиме паузы записи нажмите кнопку EVF MAGNIFYING. • Центральная часть экрана увеличи...
54 Выбор частоты кадров Можно выбрать стандартную частоту кадров 50i или 25F, независимо от режима съемки. Режим 50i Съемка с частотой 50 кадров/с в чересполосном режиме, как в телевизионном сигнале. Режим 25F Съемка с частотой 25 кадров/с в режиме прогрессивной развертки с преобразованием выходных ...
55 Съ ем ка R Установка временного кода Выбор варианта отсчета времени Для временного кода можно выбрать вариант отсчета времени съемки (REC-RUN), отсчета времени съемки с заданным началом (REC-RUN PS.) и свободный отсчет времени (FREE-RUN). В случае отсчета времени съемки временной код отсчиты-вает...
56 Синхронизация временного кода видеокамеры Временной код данной видеокамеры можно синхронизировать с внешним генератором временного кода. Кроме того, можно включить в запись сигнал пользовательского бита, поступающий на разъем TC IN ( 58). В видеокамере предусмотрены перечисленные ниже варианты си...
57 Съ ем ка R Выбор способа синхронизации Откройте меню и выберите пункт [SIGNAL SETUP] (НАСТРОЙКА СИГНАЛА). Выберите пункт [EXT. SYNC] (ВНЕШН. СИНХР.), затем выберите требуемое значение и закройте меню. ¯ Если выбран способ синхронизации [GENLOCK+TC], параметры [FRAME SETTNG] (НАСТРОЙКА КАДРОВ) и [...
58 Установка пользовательского бита Для индикации пользовательского бита может быть выбрана дата/время съемки или идентификационный код, состоящий из 8 символов в шестнадцатеричном формате, который удобно использовать для идентификации кассет. Всего возможны 16 различных символов: цифры от 0 до 9 и ...
59 Съ ем ка R Запись звука При съемке на кассету в стандарте HDV или DV можно записывать звук только по двум каналам или по всем четырем каналам. Скорость передачи звуковых данных составляет 384 Кбита/с при записи по 2 каналам и 384 Кбита/с (192 Кбита/с / 2 канала) при записи по всем 4 каналам. Част...
60 Использование фильтра шума ветра При использовании только микрофона из комплекта поставки можно уменьшить шум ветра, записываемый передним микрофоном. Откройте меню и выберите пункт [AUDIO SETUP] (НАСТР. АУДИО). Выберите пункт [WIND SCREEN] (ФИЛЬТР ВЕТРА), затем выберите требуемое значение и закр...
61 Съ ем ка R При подключении к разъемам XLR 1. Подключите микрофон к разъемам XLR. Для подачи на микрофон фантомного питания установите переключатель +48V в положение ON (Вкл.). Перед включением фантомного питания обязательно сначала подсоедините микрофон. При выключении фантомного питания микрофон...
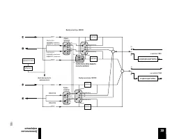
62 Запись по каналам 3 и 4 Выберите аудиовход SHOE (дополнительно приобретаемый микрофонный адаптер MA-300), AUDIO2 (разъемы RCA) или REAR (разъемы XLR). См. также раздел Блок-схема звукового тракта ( 154). Обязательно установите для параметра [AUDIO MODE] (АУДИО РЕЖИМ) значение [4 CH] при записи на...
63 Съ ем ка R При подсоединении микрофона, не поддерживающего фантомное питание, обязательно установите переключатель +48V в положение OFF (Выкл.). В противном случае возможно повреждение микрофона. Настройка уровня записи звука Отображение/скрытие индикатора уровня звука на экране Откройте меню и в...
65 Съ ем ка R Использование программных режимов автоэкспозиции Программные режимы автоэкспозиции обеспечивают автоматическую съемку профессионального качества в различных условиях. Выбор программных режимов автоэкспозиции Нажмите кнопку и поворачивайте диск POWER. Отображается символ выбранного режи...
66 Приоритет диафрагмы ( 69) Этот режим позволяет выбрать одно из 7 значений величины диафрагмы – от f/1.6 до f/9.5 (или до полного закрытия диафрагмы), – и видеокамера автоматически устанавливает соответ-ствующую выдержку затвора. Этот режим обеспечивает наилучшее управление глубиной резкости. Ручн...
69 Съ ем ка R Съемка в режиме приоритета диафрагмы (Av) Доступные значения величины диафрагмы (для объектива HD 20x L IS) F1.6, F2.0, F2.8, F4.0, F5.6, F8.0, F9.5, CLOSE (Закрыта) 1. Установите диск POWER в положение Av.2. Выберите величину диафрагмы с помощью диска IRIS. С помощью параметра [IRIS D...
70 Съемка в ручном режиме Можно устанавливать экспозицию с любой комбинацией выдержки затвора и величины диафрагмы. Доступные установки * Только с объективом HD 20x L IS. 1. Установите диск POWER в положение M. Появляется индикатор экспозиции. 2. Выберите величину диафрагмы с помощью диска IRIS. С п...
71 Съ ем ка R Настройка экспозиции Фиксация экспозиции 1. Установите диск POWER в положение , Tv или Av . 2. Нажмите кнопку EXP. LOCK. • Появляется индикатор экспозиции. Индикатор экспозиции показывает приблизительное значение.• Метка над индикатором указывает значение автоматической настройки экспо...
72 Использование сдвига автоэкспозиции Сдвиг автоэкспозиции позволяет вручную изменять значения, заданные системой автоматической установки экспозиции, чтобы сделать изображение темнее или светлее. Можно выбрать одно из 13 значений автоэкспозиции (+2.0, +1.5, +1.0, +0.75, +0.5, +0.25, ±0, -0.25, -0....
73 Съ ем ка R Настройка усиления Регулировка усиления настраивает величину генерируемого видеосигнала в зависимости от освещения и условий съемки. Можно выбрать автоматическую регулировку усиления или одно из фиксированных значений в диапазоне от -3 до +18 дБ. 1. Установите диск POWER в положение , ...
74 Установка баланса белого В видеокамере используется электронная обработка баланса белого для калибровки изображения с целью точной передачи цветов при различных условиях освещения.Помимо полностью автоматического режима, для баланса белого предусмотрены режим съемки в помещении, режим съемки вне ...
75 Съ ем ка R Установка пользовательского баланса белого 1. Установите диск POWER в положение любой программы съемки, кроме . 2. Нажмите диск WHITE BALANCE, чтобы он выдвинулся наружу.3. Установите диск WHITE BALANCE на один из номеров пользовательских настроек.4. Наведите видеокамеру на белый объек...
77 Съ ем ка R Функция смягчения деталей кожи При использовании функции смягчения деталей кожи производится выявление областей изображения, имеющих телесные цвета, и в этих областях изображение смягчается с целью скрытия дефектов кожи. В видоискателе такие области телесного цвета выделяются полосатым...
78 Использование пользовательских настроек Можно задать значения для 23 параметров записи, используемых при записи на кассету (17 переметров при записи фото- графий на карту памяти). В видеокамере можно сохранить максимум 6 пользовательских настроек, и максимум 20 настроек можно записать на карту па...
81 Съ ем ка R Задание пользовательских настроек 1. Откройте меню и выберите пункт [CUSTOM PRESET] (ПОЛЬЗ. НАСТРОЙКА).2. Выберите пункт [ EDIT] ( РЕДАКТИРОВАНИЕ). Открывается подменю пользовательских настроек. 3. Выберите пункт [SELECT CP] (ВЫБОР ПН), затем выберите имя файла пользовательской настрой...
82 3. Поворачивая диск SELECT, выберите цифру, букву или знак препинания, затем нажмите кнопку SET. • Начинает мигать следующий символ имени файла пользовательских настроек.• Установите остальные символы имени файла пользовательских настроек аналогичным образом. 4. Завершив переименование файла поль...
83 Съ ем ка R Копирования файла пользовательских настроек на карту памяти 1. Откройте меню и выберите пункт [CUSTOM PRESET] (ПОЛЬЗ. НАСТРОЙКА), затем [ ]. 2. В подменю копирования выберите пункт [SELECT CP] (ВЫБОР ПН), затем выберите имя файла пользовательских настроек, который требуется скопировать...
84 Сохранение текущих пользовательских настроек на карту памяти вместе с фотографией В режиме текущие используемые пользовательские настройки можно сохранить на карту памяти вместе со снимаемой фотографией. Это очень удобно, если в последующем требуется загрузить этот файл пользовательских настроек,...
85 Съ ем ка R Устранение влияния частоты развертки (Clear Scan) Эта функция позволяет снимать экран электронно-лучевого дисплея компьютера или другого оборудования без появления черной полосы или мигания экрана. Частота может настраиваться в диапазоне от 50,2 до 200,3 Гц. 1. Установите диск POWER в ...
86 Пользовательские кнопки Пользовательской кнопке могут быть назначены различные часто используемые функции. Пользовательским кнопкам могут быть назначены различные функции в различных режимах работы. Установки по умолчанию Пользовательским кнопкам могут быть назначены следующие функции 1 Может быт...
87 Съ ем ка R Изменение установок пользовательских кнопок Откройте меню и выберите пункт [SYSTEM/ ] (СИСТЕМА/ ). Выберите пункт [CUSTOM KEY 1] (ПОЛЬЗОВ. КНОПКА 1) или [CUSTOM KEY 2] (ПОЛЬЗОВ. КНОПКА 2), выберите функцию, назначаемую пользовательской кнопке и закройте меню. Если не требуется использо...
88 Удержание временного кода Можно нажать пользовательскую кнопку для фиксации индикации временного кода. Временной код продолжает отсчиты-ваться обычным образом, несмотря на фиксацию индикации временного кода на экране. Управление функцией удержания временного кода возможно только с помощью пользов...
89 Съ ем ка R Запись цветных полос/опорного звукового сигнала Цветные полосы Предусмотрена возможность генерирования и записи испытательной таблицы SMPTE (Общество кино- и телеинженеров США) в виде цветных полос. 1. Нажмите кнопку BARS/FADE SELECT для отображения индикатора «COLOR BARS». • При после...
90 Монтажные переходы Можно выбрать введение/выведение изображения с переходом на белый или черный экран. 1. Во время съемки или в режиме паузы записи нажатием кнопки BARS/FADE SELECT введите на экран «WHITE FADE» (Белый монтажный переход) или «BLACK FADE» (Черный монтажный переход). • При последова...
91 Съ ем ка R Управление цифровым видеооборудованием Эта функция позволяет видеокамере XL H1 управлять функциями записи и остановки подключенного устройства хранения/записи с интерфейсом IEEE1394. Устройство должно поддерживать протокол IEEE1394 AV/C.Пользователи Windows XP (SP2) могут использовать ...
92 Прочие функции/настройки видеокамеры Изменение режима записи (SP/LP) Только при съемке в режиме стандартной четкости (режим SD) можно выбрать режим записи SP (стандартная запись) или LP (длительная запись). В режиме LP емкость кассеты возрастает в 1,5 раза. Для переключения в режим LP откройте ме...
93 Съ ем ка R Отключение индикаторов съемки Откройте меню и выберите пункт [SYSTEM/ ] (СИСТЕМА/ ). Выберите пункт [TALLY LAMP] (ИНДИКАТОР СЪЕМКИ), установите для него значение [OFF] (ВЫКЛ.) и закройте меню. Индикатор съемки все равно будет загораться при поступлении сигнала от беспроводного пульта д...
94 Воспроизведение Воспроизведение кассеты Выберите стандарт воспроизведения, соответствующий воспроизводимой кассете. 1. Переведите диск POWER в положение . 2. Откройте меню и выберите пункт [SIGNAL SETUP] (НАСТРОЙКА СИГНАЛА). Выберите пункт [PLAYBACK STD] (СТАНДАРТ ВОСПРОИЗВЕДЕНИЯ) и установите дл...
95 Восп роизведение R (Покадровое воспроизведение) Воспроизведение отдельными кадрами. Нажимайте и отпускайте кнопку на пульте дистанционного управления во время паузы воспроизведения. Для непрерывного покадрового воспроизведения нажмите эту кнопку и удерживайте ее нажатой. (Замедленное воспроизведе...
96 Подключение к монитору/телевизору Различные режимы записи и соответствующие выходные разъемы указаны в приведенной ниже таблице. Подключение к телевизору или монитору высокой четкости (HDTV/HiVision) Использование разъема SD/HD SDI Разъем HD/SD SDI Разъем COMPONENT OUT (D-) Разъем HDV/DV Разъемы ...
99 Восп роизведение R ¯ Для питания видеокамеры рекомендуется использовать сеть переменного тока. ¯ При подключении к разъему RCA переключите селектор RCA/BNC вниз в положение RCA. При подключении к разъему BNC переключите селектор RCA/BNC вверх в положение BNC. ¯ Во время ускоренного воспроизведени...
100 Использование адаптера SCART Подключите стереокабель из комплекта поставки к разъемам AUDIO1 видеокамеры и к аудиоразъемам адаптера SCART. Подключите видеоразъемы адаптера SCART с помощью видеокабеля RCA (приобретается в магазинах) к разъему VIDEO IN/OUT – RCA видеокамеры и переключите селектор ...
101 Восп роизведение R Аудиовыход Выбор аудиовыхода разъемов RCA Нажмите кнопку AUDIO MONITOR. При последовательных нажатиях этой кнопки варианты циклически переключаются в следующем порядке: CH , CH и CH / CH . Выбор аудиоканалов Откройте меню и выберите пункт [AUDIO SETUP] (НАСТР. АУДИО). Выберите...
102 Возврат в ранее отмеченное положение Если впоследствии будет нужно вернуться к некоторому определенному сюжету, пометьте это место нулевой отметкой в памяти; при перемотке кассеты вперед или назад лента остановится в этой точке.Эта функция управляется с пульта дистанционного управления. 1. Нажми...
103 Восп роизведение R Индексный поиск Индексный поиск позволяет найти любую точку, заранее помеченную с помощью индексного сигнала ( 87). Эта функция управляется с пульта дистанционного управления. 1. Кнопкой SEARCH SELECT выведите на экран индикатор «INDEX SEARCH». Появляется символ « ». 2. Для на...
104 Поиск даты Функция поиска даты позволяет искать места смены даты/часового пояса.Эта функция управляется с пульта дистанционного управления. 1. Кнопкой SEARCH SELECT выведите на экран индикатор «DATE SEARCH». Появляется символ « ». 2. Для начала поиска нажмите кнопку или . • Для поиска следующих ...
105 Восп роизведение R Отображение кода данных Видеокамера регистрирует код данных, содержащий дату и время съемки, а также другие параметры камеры, такие, как выдержка затвора, усиление и экспозиция (диафрагменное число). Выбор варианта индикации кода данных Откройте меню и выберите пункт [DISPLAY ...
106 Изменение режима датчика дистанционного управления Для предотвращения помех от других используемых поблизости беспроводных пультов дистанционного управления Canon предусмотрены два режима работы и возможность отключения датчика дистанционного управления. Отключение датчика дистанционного управле...
107 Мон таж R Монтаж Запись внешнего видеосигнала (аналоговый линейный вход, вход HDV/DV) На кассету можно записывать внешний видеосигнал с аналогового видеовхода (стандарт SD) или со входа HDV/DV (стандарт SD или HD). Аналоговый линейный вход Можно выбрать аудиоканалы, записываемые вместе с видеоси...
108 Запись возможна только в том случае, если для параметра [PLAYBACK STD] (СТАНД. ВОСПРОИЗВЕДЕНИЯ) задано значение [AUTO] (АВТО) ( 33). Замечания об авторских правах Предупреждение о нарушении авторских прав Авторские права на некоторые заранее записанные видеокассеты, фильмы и другие материалы, а ...
111 И спо льзование к арт ы пам ят и R Использование карты памяти Выбор уровня качества и размера изображения Изменение уровня качества фотографии Можно выбрать значение Superfine (Наивысшее), Fine (Высокое) или Normal (Обычное). Откройте меню и выберите пункт [RECORDING SETUP] (НАСТРОЙКА ЗАПИСИ). В...
112 Номера файлов Фотографиям автоматически присваиваются номера файлов от 0101 до 9900 и они помещаются в папки, содержащие до 100 изображений. Папкам присваиваются номера от 101 до 998. * Только при воспроизведении кассеты. Для изменения значения этого параметра откройте меню и выберите пункт [REC...
113 И спо льзование к арт ы пам ят и R Запись фотографий на карту памяти С помощью видеокамеры можно записывать фотографии с кассеты, загруженной в видеокамеру. Можно также записывать фотографии на карту памяти во время записи видеофильма на кассету. 1. Установите диск POWER (Питание) в положение пр...
114 ¯ Если режим приоритета фокусировки включен ([ON]) Если полностью нажать кнопку PHOTO до того, как цвет символа изменится на зеленый, настройка фокуса может занять до 2 с (до 4 с в программе ночной съемки).Если объект не подходит для автофокусировки, видеокамера фиксирует фокусировку. В этом слу...
115 И спо льзование к арт ы пам ят и R Захват стоп-кадров с кассеты Во время воспроизведения кассеты текущее изображение можно записать на карту памяти в виде стоп-кадра. 1. Откройте меню и выберите пункт [RECORDING SETUP] (НАСТРОЙКА ЗАПИСИ). Выберите пункт [STILL I.REC] (ЗАПИСЬ ФОТОГРАФИЙ), установ...
116 Выбор режима перевода кадров Изменение режима перевода кадров 1. Установите диск POWER (Питание) в положение любой программы съемки, кроме , а переклю- чатель TAPE/CARD (Кассета/карта) – в положение . 2. Для переключения режима перевода кадров нажимайте кнопку DRIVE MODE. Режим изменяется при ка...
117 И спо льзование к арт ы пам ят и R Автоматическая экспозиционная вилка (брекетинг AEB) Нажмите кнопку PHOTO. На карту памяти записываются три фотографии с различными значениями экспозиции. Убедитесь в наличии достаточного свободного места на карте памяти.
118 Выбор способа замера экспозиции 1. Установите диск POWER в положение , Tv , Av или M , а переключатель TAPE/CARD – в положение . 2. Нажмите кнопку . • Режим изменяется при каждом нажатии этой кнопки.• Отображается символ текущей выбранной настройки.• Если выбран вариант (SPOT/ТОЧЕЧНЫЙ), в центре...
119 И спо льзование к арт ы пам ят и R Использование дополнительно приобретаемой вспышки Для съемки естественных фотографий при недостаточной освещенности можно использовать E-TTL II-совместимые вспышки Canon Speedlite, включая модели 420EX/430EX/550EX/580EX. См. также руководство по эксплуатации вс...
120 Просмотр фотографий сразу после съемки Сразу после съемки фотография может отображаться в течение 2, 4, 6, 8 или 10 с. Откройте меню и выберите пункт [CAMERA SETUP] (НАСТР. КАМЕРЫ). Выберите пункт [REVIEW] (ПРОСМОТР), затем выберите требуемое значение и закройте меню. ¯ Фотография отображается в...
121 И спо льзование к арт ы пам ят и R Воспроизведение фотографий с карты памяти 1. Поверните диск POWER в положение , а переключатель TAPE/CARD установите в положение . 2. Для перемещения между изображениями нажимайте кнопку +/–. ¯ Изображения, записанные другой видеокамерой, изображения, загруженн...
122 Индексный экран 1. Переместите рычаг зуммирования в направлении W . Отображаются максимум 6 изображений. 2. Поворачивая диск SELECT, выберите изображение. • Переместите метку « » к изображению, которое требуется просмотреть. • Для переключения между индексными страницами нажимайте кнопку + / –. ...
123 И спо льзование к арт ы пам ят и R Стирание изображений Можно стирать изображения по одному или все сразу. ¯ Будьте внимательны при стирании изображений. Восстановить стертые изображения невозможно. ¯ При стирании фотографии со встроенным файлом пользовательской настройки (записанной с параметро...
124 Защита изображений В режиме одиночного изображения или на индексном экране важные изображения можно защитить от случайного стирания. При форматировании карты памяти все фотографии, включая защищенные, будут безвозвратно стерты. 1. Выберите защищаемое изображение.2. Для открытия меню операций с ф...
125 И спо льзование к арт ы пам ят и R Форматирование карты памяти Форматирование требуется для новых карт памяти или при появлении сообщения «CARD ERROR» (ОШИБКА КАРТЫ). Форматирование карты памяти можно также использовать для удаления всех содержащихся на ней данных. ¯ При форматировании карты пам...
126 Настройки заказа печати Можно помечать фотографии для печати и задавать количество экземпляров. Параметры заказа печати совместимы со стандартами цифровой печати Digital Print Order Format (DPOF) и могут использоваться для печати на DPOF-совместимых принтерах. Можно выбрать максимум 998 фотограф...
129 Д оп олн ит ел ьн ая ин ф ормац ия R Индикация на экране Отключение индикации на экране видеокамеры Для воспроизведения на чистом экране можно убрать индикацию с экрана. Откройте меню и выберите пункт [DISPLAY SETUP/ ] (НАСТР. ЭКРАНА/ ). Выберите пункт [DISPLAYS] (ИНДИКАЦИЯ), установите для него...
131 Д оп олн ит ел ьн ая ин ф ормац ия R Индикация на экране во время воспроизведения Поиск даты ( 104)/Индексный поиск ( 103) Аудиовыход ( 101) Баланс микширования ( 101) Пользовательские кнопки ( 86) Код данных ( 105) Поиск конца записи ( 47) Стандарт записи ( 45) Частота кадров ( 54) Операция с к...
133 Д оп олн ит ел ьн ая ин ф ормац ия R Список сообщений Сообщение Пояснения SET THE TIME ZONE, DATE AND TIME Не установлены часовой пояс, дата и время. Это сообщение отображается при каждом включении питания до тех пор, пока не будут установлены часовой пояс, дата и время. 39 CHANGE THE BATTERY PA...
134 Обслуживание/прочее Меры предосторожности при обращении с видеокамерой ¯ Не держите видеокамеру за видоискатель, микрофон или его кабель. ¯ Не оставляйте видеокамеру в местах, подверженных сильному нагреву (например, в стоящем на солнце автомобиле), и в местах с высокой влажностью. ¯ Не использу...
135 Д оп олн ит ел ьн ая ин ф ормац ия R Видоискатель 1. Откройте защитную крышку (например, с помощью отвертки с плоским жалом).2. Для чистки стекла используйте ватный тампон.3. Установите на место защитную крышку. Будьте осторожны, чтобы не поцарапать стекло во время чистки. Видеоголовки ¯ При поя...
136 Конденсация Быстрое перемещение видеокамеры из зоны высокой температуры в зону низкой температуры и наоборот может привести к образованию конденсата (капель воды) на внутренних поверхностях видеокамеры. В случае обнаружения конденсации не пользуйтесь видеокамерой. Продолжение эксплуатации видеок...
137 Д оп олн ит ел ьн ая ин ф ормац ия R Правила обращения с аккумулятором ¯ Поскольку заряженный аккумулятор постепенно самопроизвольно разряжается, заряжайте его в день использования или накануне, чтобы обеспечить полный заряд. ¯ Когда аккумулятор не используется, устанавливайте крышку, закрывающу...
138 Правила обращения с кассетами ¯ Перематывайте кассеты после использования. В случае ослабления и повреждения ленты возможны искажения изображения и звука. ¯ Храните кассеты в вертикальном положении в футлярах. При длительном хранении кассет время от времени перематывайте их. ¯ После использовани...
139 Д оп олн ит ел ьн ая ин ф ормац ия R Использование видеокамеры за рубежом Источники питания Компактный блок питания можно использовать для питания видеокамеры или для зарядки аккумуляторов в любой стране, в которой напряжение электросети составляет от 100 до 240 В~, 50/60 Гц. Информацию о перехо...
140 Переработка встроенного литиевого аккумулятора Если камера Вам больше не нужна, обязательно извлеките из нее встроенный литиевый аккумулятор для переработки в соответствии с порядком, установленным в Вашей стране. 1. С помощью отвертки с плоским жалом снимите показанную на рисунке пластинку с эт...
141 Д оп олн ит ел ьн ая ин ф ормац ия R Поиск и устранение неполадок В случае неполадок видеокамеры проверьте приведенный контрольный перечень. Если устранить неполадку не удалось, обратитесь к дилеру или в сервисный центр Canon. Источник питания Съемка/Воспроизведение Съемка Неполадка Причина Спос...
143 Д оп олн ит ел ьн ая ин ф ормац ия R Прочее Экран ЖК-дисплея ЖК-дисплей изготавливается с использованием высокопрецизионных технологий, и более 99,99% пикселов работоспособны. Менее 0,01 % пикселов могут иногда самопроизвольно загораться или отображаться в виде черных или зеленых точек. Это не о...
144 Состав видеосистемы (Наличие в продаже зависит от региона) ZR-1000 Контроллер дистанцион-ного управления зуммированием MA-300 Микрофонный адаптер Экстендер XL 1,6x 1 RC-72 Преобразо-ватель формата 5 FS-72U Комплект фильтров Зум-объектив 16x IS II XL 5,5-88 мм 3x зум-объектив XL 3,4–10,2 мм 16x з...
146 Дополнительные принадлежности Аккумуляторы Аккумулятор BP-950G можно также приобрести в качестве дополнительного аксессуара.Дополнительно приобретаемый аккумулятор BP-970G обеспе- чивает на 35% большее время съемки, чем аккумулятор BP-950G. Автомобильный блок питания CB-920 Предназначен для подк...
148 Зарядное устройство/держатель для двух аккумуляторов CH-910 Зарядное устройство CH-910 обеспечивает последовательную зарядку двух аккумуляторов. Питание видеокамеры также возможно от установленного на видеокамеру устройства CH-910 с двумя заряженными аккумуляторами. Если установлено два аккумуля...
149 Д оп олн ит ел ьн ая ин ф ормац ия R Технические характеристики XL H1 * Работа видеокамеры проверялась с картами памяти SD емкостью до 2 Гбайт. Правильная работе со всеми картами памяти не гарантируется.** Данная видеокамера поддерживает стандарт Exif 2.2 (также называемый «Exif Print»). Exif Pr...
151 Д оп олн ит ел ьн ая ин ф ормац ия R Компактный блок питания CA-920 Аккумулятор BP-950G Вес и габариты указаны приблизительно. Компания Canon не несет ответственности за опечатки и упущения. Технические характеристики могут быть изменены без уведомления. Напряжение питания 100 – 240 В~, 50/60 Гц...
152 Алфавитный указатель Av (программа съемки) . . . . . . . . . . . . . . . . . . . . . . . . . . . . . . . . . . 69HD/SD, стандарты видеосигналов . . . . . . . . . . . . . . . . . . . . . . . . . . 4HDV/DV, стандарты записи на кассету . . . . . . . . . . . . . . . . . . . . . . . 4Tv (программа съ...
ДЛЯ ЗАМЕТОК . . . . . . . . . . . . . . . . . . . . . . . . . . . . . . . . . . . . . . . . . . . . . . . . . . . . . . . . . . . . . . . . . . . . . . . . . . . . . . . . . . . . . . . . . . . . . . . . . . . . . . . . . . . . . . . . . . . . . . . . . . . . . . . . . . . . . . . . . . . . . . . . ...
Canon Видеокамеры Инструкции
-
Canon DC19 / DC21 / DC22
Инструкция по эксплуатации
-
Canon DC301 / DC310 / DC311 / DC320
Инструкция по эксплуатации
-
Canon HG10
Инструкция по эксплуатации
-
Canon HG20 / HG21
Инструкция по эксплуатации
-
Canon Legria FS19
Инструкция по эксплуатации
-
Canon Legria FS305 / FS306 / FS307
Инструкция по эксплуатации
-
Canon Legria FS36 / FS37
Инструкция по эксплуатации
-
Canon Legria HF M300
Инструкция по эксплуатации
-
Canon Legria HF M306
Инструкция по эксплуатации
-
Canon Legria HF M307
Инструкция по эксплуатации
-
Canon Legria HF M31 / HF M32
Инструкция по эксплуатации
-
Canon Legria HF M36
Инструкция по эксплуатации
-
Canon Legria HF R106
Инструкция по эксплуатации
-
Canon Legria HF R16 / HF R17 / HF R18
Инструкция по эксплуатации
-
Canon Legria HF R205 / HF R206
Инструкция по эксплуатации
-
Canon Legria HF R26 / HF R27 / HF R28
Инструкция по эксплуатации
-
Canon Legria HF S20 / HF S21
Инструкция по эксплуатации
-
Canon Legria HF S200
Инструкция по эксплуатации
-
Canon Legria HF S30
Инструкция по эксплуатации
-
Canon MV790
Инструкция по эксплуатации