Ballu-Biemmedue CONFORT 1G oil - инструкции и руководства

model-name

Обогреватель Ballu-Biemmedue CONFORT 1G oil - инструкции пользователя по применению, эксплуатации и установке на русском языке читайте онлайн в формате pdf

1 Page 1
2 Page 2
3 Page 3
4 Page 4
5 Page 5
6 Page 6
7 Page 7
8 Page 8

Краткое содержание

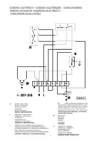
Страница 3 - РИС

3 5 6 QUADRO COMANDI - TABLEAU DE COMMANDE KONTROLLTAFEL - CONTROL BOARD - TABLERO DE MANDOS – УСТРОЙСТВО ТЕПЛОГЕНЕРАТОРА 10 РИС . 1 1 Commutatore Riscaldamento - Arresto - Ventilazione Commutateur Chauffage - Stop - Ventilation Schalter Heizung - Stop - Lüftung Control knob Heat - Stop - Ventilatio...

Страница 4 - Русский; ОБЩЕЕ ОПИСАНИЕ; ОБЩИЕ РЕКОММЕНДАЦИИ; УСТАНОВКА и ЗАПУСК; ПОДКЛЮЧЕНИЕ К ВОЗДУХОВОДУ

4 Русский ОБЩЕЕ ОПИСАНИЕ Теплогенераторы CONFORT предназначены для использования в небольших и среднего размера помещениях, которым требуется основное или дополнительное отопление. Тепло создается теплогенератором посредством горения дизельного топлива, продукты горения через теплообменник выходят и...

Страница 5 - ПОДКЛЮЧЕНИЕ ПОДАЧИ ТОПЛИВА; ПОРЯДОК; Режим; ОБСЛУЖИВАНИЕ; Перед перемещением теплогенератора:

5 Русский 200 мм ПОДКЛЮЧЕНИЕ ПОДАЧИ ТОПЛИВА РИС.2 Для подключения подачи топлива к горелке, следуйте инструкциям в Руководстве по эксплуатации дизельной горелки с учетом длины и проводки входной/выходной топливных трубок. ПОРЯДОК РАБОТЫ ВКЛЮЧЕНИЕ • Установите выключатель (1) в позицию «0». • Включит...

Ballu-Biemmedue Обогреватели Инструкции