Ballu-Biemmedue GA/N 45 C - Инструкция по эксплуатации

Ballu-Biemmedue GA/N 45 C

Обогреватель Ballu-Biemmedue GA/N 45 C - инструкция пользователя по применению, эксплуатации и установке на русском языке. Мы надеемся, она поможет вам решить возникшие у вас вопросы при эксплуатации техники.

Если остались дополнительные вопросы — свяжитесь с нами через контактную форму.

1 Страница 1
2 Страница 2
3 Страница 3
4 Страница 4
5 Страница 5
6 Страница 6
7 Страница 7
8 Страница 8
9 Страница 9
10 Страница 10
11 Страница 11
12 Страница 12
13 Страница 13
14 Страница 14
15 Страница 15
16 Страница 16
17 Страница 17
18 Страница 18
19 Страница 19
20 Страница 20
21 Страница 21
22 Страница 22
23 Страница 23
24 Страница 24
25 Страница 25
26 Страница 26
27 Страница 27
28 Страница 28
29 Страница 29
30 Страница 30
31 Страница 31
32 Страница 32
33 Страница 33
34 Страница 34
35 Страница 35
36 Страница 36
37 Страница 37
38 Страница 38
39 Страница 39
40 Страница 40
Страница: / 40

Содержание:

  • Страница 29 – ВАЖНО; ОПИСАНИЕ; ОБЩИЕ
  • Страница 30 – Рис
  • Страница 31 – ИНСТРУКЦИИ; Внимание
  • Страница 32 – ТЕХОБСЛУЖИВАНИЕ
Загрузка инструкции

GENERATORE D'ARIA CALDA A GAS NATURALE/G.P.L.
GENERATEUR D'AIR CHAUD AU GAS NATUREL/G.P.L.
WARMLUFTERZEUGER MIT ERDGAS-/FLÜSSIGGASBETRIEB
NATURAL GAS /L.P.G. SPACE HEATER
GENERADOR DE AIRE CALIENTE A GAS NATURAL/G.P.L.

ТЕПЛОВОЙ

ГЕНЕРАТОР

НА

ПРИРОДНОМ

ГАЗЕ

/

СНГ
















0694BU2235

GA/N

45C

L-L 166.00-BM

MANUALE D’USO E MANUTENZIONE
MANUEL D'INSTRUCTIONS
BETRIEBSANLEITUNG
INSTRUCTIONS MANUAL
MANUAL DE INSTRUCCIONES

РУКОВОДСТВО

ПО

ЭКСПЛУАТАЦИИ

И

ТЕХОБСЛУЖИВАНИЮ

"Загрузка инструкции" означает, что нужно подождать пока файл загрузится и можно будет его читать онлайн. Некоторые инструкции очень большие и время их появления зависит от вашей скорости интернета.

Краткое содержание

Страница 29 - ВАЖНО; ОПИСАНИЕ; ОБЩИЕ

RU 29 ВАЖНО Перед использованием генератора рекомендуется внимательно прочесть все инструкции по эксплуатации , приведенные далее , и тщательно выполнять содержащиеся в них указания . Изготовитель не несет ответ - ственности за физический и / или материальный ущерб , возникший в результате ненадлежа...

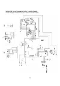
Страница 30 - Рис

RU 30 отраслевых нормах и законодательствах . В случае отсутствия норм и / или указаний , вентиляция помещения может быть определена в зависимости от назначения применения , в частности : • обогрев недомашнего типа вентилируемых помещений средних или больших размеров , как указано в норме EN 1596:20...

Страница 31 - ИНСТРУКЦИИ; Внимание

RU 31 зовых клапанов (4) указывает категорию работы ( как пра - вило , это категория I2H, G20 / 20 мбар ). Перед включением теплогенератора необходимо по таблице I определить категорию работы , указанную в ка - честве обязательной в европейской и национальной нор - мативной документации , в зависимо...

Характеристики

Другие модели - Обогреватели Ballu-Biemmedue

Все обогреватели Ballu-Biemmedue