Ballu-Biemmedue GA/N 115 C - Инструкция по эксплуатации

Ballu-Biemmedue GA/N 115 C

Обогреватель Ballu-Biemmedue GA/N 115 C - инструкция пользователя по применению, эксплуатации и установке на русском языке. Мы надеемся, она поможет вам решить возникшие у вас вопросы при эксплуатации техники.

Если остались дополнительные вопросы — свяжитесь с нами через контактную форму.

1 Страница 1
2 Страница 2
3 Страница 3
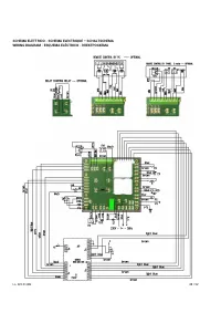
4 Страница 4
5 Страница 5
6 Страница 6
7 Страница 7
8 Страница 8
9 Страница 9
10 Страница 10
11 Страница 11
12 Страница 12
13 Страница 13
14 Страница 14
15 Страница 15
16 Страница 16
17 Страница 17
18 Страница 18
19 Страница 19
20 Страница 20
21 Страница 21
22 Страница 22
23 Страница 23
24 Страница 24
25 Страница 25
26 Страница 26
27 Страница 27
28 Страница 28
29 Страница 29
30 Страница 30
31 Страница 31
32 Страница 32
33 Страница 33
34 Страница 34
35 Страница 35
36 Страница 36
37 Страница 37
38 Страница 38
39 Страница 39
40 Страница 40
41 Страница 41
42 Страница 42
43 Страница 43
44 Страница 44
45 Страница 45
46 Страница 46
47 Страница 47
48 Страница 48
49 Страница 49
50 Страница 50
51 Страница 51
52 Страница 52
Страница: / 52
Загрузка инструкции


L-L 222.01-BM

1 / 52

MANUALE D’USO E MANUTENZIONE

MANUEL

D'INSTRUCTIONS

BETRIEBSANLEITUNG

INSTRUCTIONS

MANUAL

MANUAL

DE

INSTRUCCIONES

РУКОВОДСТВО

ПО

ЭКСПЛУАТАЦИИ

И

ТЕХОБСЛУЖИВАНИЮ


GENERATORE D'ARIA CALDA

GENERATEUR

D'AIR

CHAUD

WARMLUFTERZEUGER

SPACE

HEATER

GENERADOR DE AIRE CALIENTE

ТЕПЛОВОЙ

ГЕНЕРАТОР













GA/N 70C – GA/N 95C – GA/N 115C

IT

FR
DE
EN
ES

RU

"Загрузка инструкции" означает, что нужно подождать пока файл загрузится и можно будет его читать онлайн. Некоторые инструкции очень большие и время их появления зависит от вашей скорости интернета.

Характеристики

Другие модели - Обогреватели Ballu-Biemmedue

Все обогреватели Ballu-Biemmedue