Страница 2 - Настенный газовый конденсационный котел
Паспорт и инструкция по монтажу и техническому обслуживанию для специалистов Настенный газовый конденсационный котел Condens 7000 W 6 720 806 992-00-1O ZWBR 35-3 A ... | ZBR 42-3 A ... 6 720 807 047 (2013/03) RU
Страница 3 - Содержание; Схема электрических подключений котла ZWBR . . 10
2 | Содержание Condens 7000 W 6 720 807 047 (2013/03) Содержание 1 Пояснения символов и указания по технике безопасности . . . . . . . . . . . . . . . . . . . . . . . . . . . . . . . . . . . . . . . . 3 1.1 Пояснения условных обозначений . . . . . . . . . . . . . . . . 3 1.2 Указания по технике безо...
Страница 4 - Пояснения символов и указания по технике безопасности; Пояснения условных обозначений; Знак
Пояснения символов и указания по технике безопасности | 3 6 720 807 047 (2013/03) Condens 7000 W 11 Защита окружающей среды . . . . . . . . . . . . . . . . . . . . . . . . . 41 12 Проверка/техобслуживание . . . . . . . . . . . . . . . . . . . . . . . . . 41 12.1 Описание различных рабочих шагов . . ...
Страница 5 - Комплект поставки; Использование по назначению; Индекс
4 | Комплект поставки Condens 7000 W 6 720 807 047 (2013/03) Термическая дезинфекция ▶ Опасность ошпаривания кипятком! Следить за эксплуатацией при температуре более 60 °C ( страница 28). Проверка/техобслуживание ▶ Рекомендация для заказчика: Заключить договор на проверку и техническое обслуживани...
Страница 6 - Сведения о котлe; Типовая табличка; Heatronic 3 с 2-проводной шиной; Принадлежности
Сведения о котлe | 5 6 720 807 047 (2013/03) Condens 7000 W 3.4 Типовая табличка Заводская табличка находится внутри с правой стороны в нижней части котла ( поз. 36, рис. 4, стр. 8). Там вы найдёте данные о мощности оборудования, сведения о допуске и серийный номер. 3.5 Описание котла • Котел пред...
Страница 7 - Устройство котлов ZWBR
6 | Сведения о котлe Condens 7000 W 6 720 807 047 (2013/03) 3.8 Устройство котлов ZWBR Рис. 3 6 720 807 039-01.1O 1 2 34 5 6 8 7 9 10 11 12 13 14 15 16 17 18 20 21 22 23 24 27 28 29 30 34 40 45 41 44 42 43 38 35 39 19 25 26 31 32 33 37 36 min
Страница 9 - Устройство котлов ZBR
8 | Сведения о котлe Condens 7000 W 6 720 807 047 (2013/03) 3.9 Устройство котлов ZBR Рис. 4 6 720 619 437-03.3O min 2728 29 30 32 33 35 3637 39 38 34 26 31 25 14 15 16 17 18 21 24 22 23 19 20 1 2 3 45 6 8 7 9 10 11 12 13
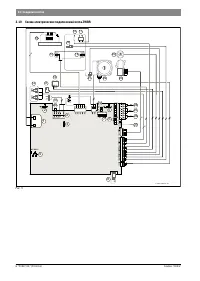
Страница 11 - Схема электрических подключений котла ZWBR
10 | Сведения о котлe Condens 7000 W 6 720 807 047 (2013/03) 3.10 Схема электрических подключений котла ZWBR Рис. 5 AC 230 V L N Ls Ns LR B B 4 2 1 A F 6 720 615 886-11.2O 1 2 3 5 4 8 9 20 24 10 25 26 27 PR PO NP LP 9 8 7 6 7 12 22 23 11 21 13 LZ NZ 6 4 14 15 18 16 19 17 6 28 29
Страница 13 - Схема электрических подключений котла ZBR
12 | Сведения о котлe Condens 7000 W 6 720 807 047 (2013/03) 3.11 Схема электрических подключений котла ZBR Рис. 6 AC 230 V L N Ls Ns LR B B 4 2 1 A F 4 6 720 612 664-16.6O 1 3 5 4 8 9 12 14 15 23 PR PO NP LP 10 24 25 26 18 16 19 17 LS NS 20 6 LZ NZ 9 8 7 21 22 2 6 7 13 27 27 11
Страница 15 - Единица
14 | Сведения о котлe Condens 7000 W 6 720 807 047 (2013/03) 3.12 Технические характеристики ZWBR 35-3... ZWBR 35-3... Единица измерения Природный газ Пропан Бутан Макс. номинальная теплопроизводительность (P макс ) 40/30 °C кВт 35,3 35,3 40,2 Макс. номинальная теплопроизводительность (P макс ) 50/3...
Страница 16 - Технические характеристики ZBR 42-3 A
Сведения о котлe | 15 6 720 807 047 (2013/03) Condens 7000 W 3.13 Технические характеристики ZBR 42-3 A ZBR 42-3 A Единица измерения Природный газ Пропан Бутан Макс. номинальная теплопроизводительность (P макс ) 40/30 °C кВт 40,8 40,8 46,4 Макс. номинальная теплопроизводительность (P макс ) 50/30 °C...
Страница 17 - Важные указания; Рис. 7 Пример гидравлической обвязки
16 | Предписания Condens 7000 W 6 720 807 047 (2013/03) 3.14 Состав конденсата, мг/л 4 Предписания Должны соблюдаться следующие директивы и предписания:• Строительные нормы и правила соответствующей страны• Требования местных газовых служб 5 Установка котла 5.1 Важные указания ▶ Перед монтажом получ...
Страница 18 - Установка котла; Рис. 8 Потеря давления в котле ZBR 42-3 A; Выбор места монтажа; Требования к помещению для монтажа; Предварительный монтаж трубопроводов
Установка котла | 17 6 720 807 047 (2013/03) Condens 7000 W Рис. 8 Потеря давления в котле ZBR 42-3 A Расход циркулирующей воды p Потеря давления 5.3 Выбор места монтажа Требования к помещению для монтажа ▶ Соблюдать местные государственные предписания.▶ Соблюдать минимальные монтажные размеры, пр...
Страница 19 - Рис. 12 Пример: монтажная панель No 759 ZBR; Монтаж котла; Снятие кожуха
18 | Установка котла Condens 7000 W 6 720 807 047 (2013/03) Рис. 11 Монтажная панель (ZWBR) [1] Подающая линия системы отопления [2] Подключение горячей воды [3] Подключение газа [4] Подключение холодной воды [5] Обратная линия отопительного контура Рис. 12 Пример: монтажная панель № 759 ZBR [1] Под...
Страница 20 - Рис. 16 Монтаж системы отвода продуктов сгорания; Проверка подключений; Подача воды; Электрические соединения; Общие указания
Электрические соединения | 19 6 720 807 047 (2013/03) Condens 7000 W Подсоединение шланга предохранительного клапана Рис. 14 Конусный сифон, дополнительные принадлежности № 432 Для надежного отвода конденсата и воды из предохранительного клапана имеются дополнительные принадлежности № 432. ▶ Проложи...
Страница 21 - Подключение сетевого кабеля к котлу; Подключение дополнительных принадлежностей; Открыть модуль Heatronic
20 | Электрические соединения Condens 7000 W 6 720 807 047 (2013/03) Двухфазная сеть (IT) ▶ Чтобы обеспечить достаточный ток ионизации, установить сопротивление (№ для заказа 8 900 431 516) между нейтралью и подключением защитного заземления. -или- ▶ применяйте разделительный трансформатор № 969. Пр...
Страница 22 - и L
Электрические соединения | 21 6 720 807 047 (2013/03) Condens 7000 W ▶ Сдвиньте клипсу крепления вниз и опустите Heatronic. Рис. 21 ▶ Вывернуть винты, отсоединить кабель и снять крышку. Рис. 22 ▶ Для защиты от струй воды (IP) разгрузку от натяжения отрезать всегда в соответствие с диаметром кабеля. ...
Страница 23 - ▶ Обрезать по размеру фиксатор для разгрузки от натяжения в; Подключение реле контроля температуры TB 1
22 | Электрические соединения Condens 7000 W 6 720 807 047 (2013/03) Бойлер косвенного нагрева с термостатом ▶ Обрезать по размеру фиксатор для разгрузки от натяжения в соответствии с диаметром кабеля. ▶ Провести кабель через фиксатор для разгрузки от натяжения и следующим образом подключить термост...
Страница 24 - ▶ С помощью сервисной функции 5.E установите подключение NP -; Подключение отдельного датчика температуры
Электрические соединения | 23 6 720 807 047 (2013/03) Condens 7000 W 6.4 Подключение отдельных дополнительных принадлежностей 6.4.1 Подключение циркуляционного насоса Рис. 30 ▶ С помощью сервисной функции 5.E установите подключение NP - LP на 1 (циркуляционный насос), стр. 37. 6.4.2 Подключение от...
Страница 25 - Замена кабеля сетевого питания; Рис. 36 Клеммная колодка для подачи питания ST10
24 | Электрические соединения Condens 7000 W 6 720 807 047 (2013/03) ▶ С помощью сервисной функции 5.E установите подключение NP - LP на 2 (отдельный отопительный насос в контуре без смесителя), стр. 37. При подключении к NP- LP отопительный насос всегда работает в режиме отопления. Различные схем...
Страница 26 - Ввод в эксплуатацию
Ввод в эксплуатацию | 25 6 720 807 047 (2013/03) Condens 7000 W 7 Ввод в эксплуатацию Рис. 37 [1] Кнопка функции «трубочист» [2] Клавиша Сервис [3] Лампа рабочего режима горелки [4] Главный выключатель [5] Блокировка кнопок [6] Кнопка eco [7] Кнопка «Сброс» [8] Дисплей [9] Автоматический воздухоотво...
Страница 27 - Перед вводом в эксплуатацию; Включение; Включение отопления; max; Регулировка отопления; Положение
26 | Ввод в эксплуатацию Condens 7000 W 6 720 807 047 (2013/03) 7.1 Перед вводом в эксплуатацию ▶ Установить предварительное давление в расширительном баке (принадлежности) в соответствии со статической высотой системы отопления. ▶ Открыть вентили радиаторов.▶ Открыть краны подающей и обратной линий...
Страница 28 - После ввода в эксплуатацию; Температура горячей воды
Ввод в эксплуатацию | 27 6 720 807 047 (2013/03) Condens 7000 W 7.5 После ввода в эксплуатацию ▶ Проверить сетевое давление газа ( стр. 40). ▶ Проверить на конце конденсатного шланга, выходит ли конденсат. Если этого не происходит, то выключить и затем включить главный выключатель. Таким образом а...
Страница 29 - Защита от замерзания
28 | Ввод в эксплуатацию Condens 7000 W 6 720 807 047 (2013/03) Дополнительные указания приведены в инструкции по эксплуатации регулятора отопления. 7.9 Защита от замерзания Защита от замерзания для системы отопления: ▶ Оставить котел включенным с регулятором температуры подающей линии , установленн...
Страница 30 - Защита насоса от заклинивания; Настройки системы Heatronic; Общие положения; Рис. 48 Обзор элементов управления; Настройки в сервисном меню; Организация, ответственная за монтаж
Настройки системы Heatronic | 29 6 720 807 047 (2013/03) Condens 7000 W 7.13 Защита насоса от заклинивания Если в течение суток котел не включался в работу, произойдет принудительное включение отопительного насоса и 3ходового клапана, чтобы избежать заклинивания в результате оседания взвешенных част...
Страница 31 - Обзор сервисных функций; Таб. 13 Сервисные функции первого уровня
30 | Настройки системы Heatronic Condens 7000 W 6 720 807 047 (2013/03) 8.2 Обзор сервисных функций 8.2.1 Первый сервисный уровень (нажимайте сервисную кнопку примерно 3 секунды) Сервисные функции Диапазон Значение при сбросе(после сброса параметров) Стр. Показания на дисплее Описание Показания на д...
Страница 33 - FF
32 | Настройки системы Heatronic Condens 7000 W 6 720 807 047 (2013/03) 6.A Последняя неисправность 00 - FF таблица 23 00 49 6.b Регулятор комнатной температуры, текущее напряжение на клемме 2 00 - 24 0-24 В с шагом 1 В Только чтение 37 6.d Текущий расход турбины (котлы ZWBR) 0.0 .- 9.9. 0,0 до 9,...
Страница 34 - Fd; Таб. 14 Сервисные функции второго уровня
Настройки системы Heatronic | 33 6 720 807 047 (2013/03) Condens 7000 W 8.2.2 Второй сервисный уровень (из первого сервисного уровня одновременно нажмите на 3 секунды кнопку eco и блокировку кнопок) Сервисные функции Диапазон Значение при сбросе(после сброса параметров) Стр. Показания на дисплее Опи...
Страница 35 - Описание сервисных функций; Первоначальной установкой; Рис. 50 Постоянное давление
34 | Настройки системы Heatronic Condens 7000 W 6 720 807 047 (2013/03) 8.3 Описание сервисных функций 8.3.1 1-ый сервисный уровень Отопительная мощность (сервисная функция 1.A) Мощность котла на отопление может регулироваться в диапазоне от минимальной до максимальной в соответствии с теплопотерями...
Страница 36 - Рис. 52 Характеристики насоса
Настройки системы Heatronic | 35 6 720 807 047 (2013/03) Condens 7000 W Характеристика насоса (сервисная функция 1.d) Эта сервисная функция соответствует переключателю скорости вращения двигателя насоса и активна только в том случае, если выбрано поле характеристики насоса 00 (сервисная функция 1.C)...
Страница 39 - Перенастройка на другой вид газа; или O
38 | Перенастройка на другой вид газа Condens 7000 W 6 720 807 047 (2013/03) Функция строительной сушки (сервисная функция 7.E) Эта функция включает и выключает функцию строительной сушки. Возможные настройки: • 00 : Выключена • 01 : только отопительный режим по настройкам котла или регулятора, т.е....
Страница 41 - Проверка сетевого давления газа; Измерение параметров дымовых газов; Кнопка с изображением трубочиста
40 | Измерение параметров дымовых газов Condens 7000 W 6 720 807 047 (2013/03) ▶ Удалить пломбу с регулировочного винта газовой арматуры и настроить содержание CO 2 или O 2 для минимальной номинальной мощности. Рис. 56 ▶ Снова проверить настройку при максимальном и минимальном значении тепловой мощн...
Страница 42 - Проверка герметичности тракта дымовых газов; Защита окружающей среды
Защита окружающей среды | 41 6 720 807 047 (2013/03) Condens 7000 W 10.2 Проверка герметичности тракта дымовых газов Измерение O 2 или CO 2 в воздухе для горения. Для измерения используйте кольцевой зонд дымовых газов. ▶ Снять заглушку с измерительного штуцера воздуха для горения ( рис. 59). ▶ Вст...
Страница 43 - Описание различных рабочих шагов; Сетчатый фильтр в трубе холодной воды
42 | Проверка/техобслуживание Condens 7000 W 6 720 807 047 (2013/03) – водное оборудование: Unisilkon L 641 (8 709 918 413) – резьбовые соединения: HFt 1 v 5 (8 709 918 010). ▶ Применяйте теплопроводящую пасту 8 719 918 658.▶ Применяйте только оригинальные запасные части!▶ Заказ запасных частей осущ...
Страница 45 - Проверка/техобслуживание
44 | Проверка/техобслуживание Condens 7000 W 6 720 807 047 (2013/03) Если требуется чистка:▶ Снять крышку люка для чистки ( стр. 8) и удалите возможно находящийся под ней лист. ▶ Демонтировать конденсатный сифон и подставить подходящую емкость. Рис. 69 ▶ Очистить теплообменник ножом для чистки сни...
Страница 48 - Контрольный лист для проверки/техобслуживания
Проверка/техобслуживание | 47 6 720 807 047 (2013/03) Condens 7000 W 12.2 Контрольный лист для проверки/техобслуживания (протокол проверки/техобслуживания) Дата 1 Запросить последнюю сохранённую в системе Heatronic ошибку, сервисная функция 6.A ( страница 43). 2 Проверка фильтра в трубе холодной в...
Страница 49 - Показания на дисплее; Описание; Таб. 21 Показания на дисплее; Специальные; Таб. 22 Специальные показания дисплея
48 | Показания на дисплее Condens 7000 W 6 720 807 047 (2013/03) 13 Показания на дисплее На 7-значном дисплее может быть показано следующее (таблица 21 и 22): Показываемое значение Описание Диа-пазон Цифра, точка, затем буква Сервисная функция ( таблица 13/ 14, стр. 30/ 33) Буква, затем цифра или ...
Страница 50 - Устранение неисправностей; Неисправности, показываемые на дисплее; Дисплей; Таб. 23 Неисправности с индикацией на дисплее
Устранение неисправностей | 49 6 720 807 047 (2013/03) Condens 7000 W 14 Устранение неисправностей 14.1 Общие положения ▶ Перед выполнением работ выключите котел главным выключателем. ▶ Перед работами с Heatronic отключите подачу электроэнергии (выньте предохранитель или отключите защитный автомат)....
Страница 53 - Неисправности, не показываемые на дисплее; Неисправности; Таб. 24 Неисправности без показания на дисплее
52 | Устранение неисправностей Condens 7000 W 6 720 807 047 (2013/03) 14.3 Неисправности, не показываемые на дисплее Неисправности Рекомендации Сильные шумы горения; шумовой фон ▶ Правильно вставьте кодирующий штекер, замените при необходимости.▶ Проверьте вид газа.▶ Проверьте подаваемое давление га...
Страница 54 - Характеристики датчиков; Предохранительный ограничитель температуры; Кодирующий штекер; Котел; Сжиженный газ
Устранение неисправностей | 53 6 720 807 047 (2013/03) Condens 7000 W 14.4 Характеристики датчиков 14.4.1 Предохранительный ограничитель температуры дымовых газов, предохранительный ограничитель температуры теплообменника 14.4.2 Датчик наружной температуры 14.4.3 Датчики температуры (NTC) подающей л...
Страница 55 - Заданные параметры подачи газа
54 | Заданные параметры подачи газа Condens 7000 W 6 720 807 047 (2013/03) 15 Заданные параметры подачи газа 15.1 Параметры настройки мощности нагрева горячей воды / отопления для ZWBR 35-3 A 23 Природный газ H, показатель 23 Наибольшая теплота сгорания H S (кВтч/м 3 ) 11,2 Наименьшая теплота сгоран...
Страница 59 - Акт сдачи котла в эксплуатацию; Были выполнены следующие работы
58 | Акт сдачи котла в эксплуатацию Condens 7000 W 6 720 807 047 (2013/03) 16 Акт сдачи котла в эксплуатацию Заказчик/пользователь установки: .............................................. ................................................................................................ Вклеить сюда п...
Страница 60 - ГАРАНТИЙНЫЙ ТАЛОН; FD
ГАРАНТИЙНЫЙ ТАЛОН | 59 6 720 807 047 (2013/03) Condens 7000 W 17 ГАРАНТИЙНЫЙ ТАЛОН Тип оборудования: Заводской и Серийный номер: FD Название, адрес, телефон фирмы продавца: (место для печати) Дата продажи: Фамилия и подпись Продавца: Адрес установки оборудования:Телефон:Данные мастера, осуществившег...
Страница 61 - монтажу и эксплуатации изделия; В интересах Вашей безопасности
60 | ГАРАНТИЙНЫЙ ТАЛОН Condens 7000 W 6 720 807 047 (2013/03) ГАРАНТИЙНЫЕ ОБЯЗАТЕЛЬСТВА 1. Гарантия предоставляется на четко определенные характеристики товара или отсутствие недостатков согласно соответствующему уровню техники. 2. Гарантийные сроки. 2.1. Срок гарантии завода изготовителя — 24 месяц...