Ballu BIH-T-1.5-E НС-1135605 - Инструкция по эксплуатации

Ballu BIH-T-1.5-E НС-1135605

Обогреватель Ballu BIH-T-1.5-E НС-1135605 - инструкция пользователя по применению, эксплуатации и установке на русском языке. Мы надеемся, она поможет вам решить возникшие у вас вопросы при эксплуатации техники.

Если остались дополнительные вопросы — свяжитесь с нами через контактную форму.

1 Страница 1
2 Страница 2
3 Страница 3
4 Страница 4
5 Страница 5
6 Страница 6
7 Страница 7
8 Страница 8
9 Страница 9
10 Страница 10
11 Страница 11
12 Страница 12
13 Страница 13
14 Страница 14
15 Страница 15
16 Страница 16
17 Страница 17
18 Страница 18
19 Страница 19
20 Страница 20
Страница: / 20

Содержание:

  • Страница 2 – Используемые обозначения; ПРИМЕЧАНИЕ; В тексте данной инструкции инфракрасные обо-; Содержание
  • Страница 3 – Правила безопасности; Не используйте данный прибор с про-
  • Страница 4 – Назначение и применение прибора; Назначение и применение; экономия электроэнергии; Устройство инфракрасного
  • Страница 5 – Модель; Подготовка к работе; Правила установки обогревателя; Модель; Интенсивность теплового облучения
  • Страница 7 – Назначение; Наименование; Установка терморегулятора
  • Страница 9 – Поиск и устранение неисправностей; Неисправность; Отсутствует излучаемое тепло; Утилизация прибора
  • Страница 10 – Адрес; Приборы и аксессуары можно приобрести
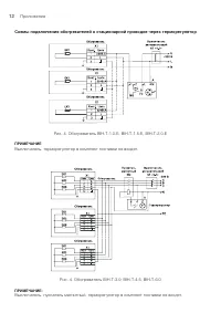
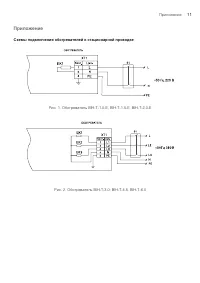
  • Страница 11 – Приложение; Схемы подключения обогревателей к стационарной проводке
  • Страница 12 – Выключатель, терморегулятор в комплект поставки не входят.
  • Страница 13 – ГАРАНТИЙНЫЙ ТАЛОН; ТИП
  • Страница 14 – Настоящая гарантия не распространяется на:; аксессуары, входящие в комплект поставки.; тепловентиляторы
  • Страница 15 – Особые условия эксплуатации кондиционеров; В обязательном порядке при эксплуатации ультразву-
  • Страница 16 – Памятка по уходу за кондиционером:; • вся необходимая информация о купленном изделии
  • Страница 17 – сохраняется у клиента; УНИВЕРСАЛЬНЫЙ ОТРЫВНОЙ ТАЛОН; УНИВЕРСАЛЬНЫЙ ОТРЫВНОЙ ТАЛОН
Загрузка инструкции

BIH-T-1.0-E

|

BIH-T-3.0

|

BIH-T-1.5-E

|

BIH-T-4.5

|

BIH-T-2.0-E

|

BIH-T-6.0

|

Руководство
по эксплуатации

Гарантийный талон

Обогреватель электрический
инфракрасный

Перед началом эксплуатации прибора внимательно
изучите данное руководство и храните его в доступном месте.

Code-128

"Загрузка инструкции" означает, что нужно подождать пока файл загрузится и можно будет его читать онлайн. Некоторые инструкции очень большие и время их появления зависит от вашей скорости интернета.

Краткое содержание

Страница 2 - Используемые обозначения; ПРИМЕЧАНИЕ; В тексте данной инструкции инфракрасные обо-; Содержание

Используемые обозначения ВНИМАНИЕ! Требования, несоблюдение которых может привести к тяжелой травме или серьезному повреждению оборудования. ОСТОРОЖНО! Требования, несоблюдение которых может привести к серьезной травме или летальному исходу. ПРИМЕЧАНИЕ 1. В тексте данной инструкции инфракрасные обо-...

Страница 3 - Правила безопасности; Не используйте данный прибор с про-

3 Правила безопасности ВНИМАНИЕ! • Электрообогреватель является электриче-ским прибором и, как всякий прибор, его необходимо оберегать от ударов, попа-дания пыли и влаги. Особенно осторожно нужно относиться к теплоизлучающему элементу. • Прибор должен подключаться к отдельному источнику электропитан...

Страница 4 - Назначение и применение прибора; Назначение и применение; экономия электроэнергии; Устройство инфракрасного

4 Назначение и применение прибора Назначение и применение прибора Обогреватели инфракрасные BALLU BIH-T-1.0-E, BIH-T-1.5-E, BIH-T-2.0-E; BIH-T-3.0; BIH-T-4.5, BIH-T-6.0 (далее – обогреватели) представляют собой электронагревательные приборы с теплоотдачей преимущественно инфракрасным излучением. Обо...

Другие модели - Обогреватели Ballu

Все обогреватели Ballu