Автосигнализации StarLine Twage A9 - инструкция пользователя по применению, эксплуатации и установке на русском языке. Мы надеемся, она поможет вам решить возникшие у вас вопросы при эксплуатации техники.
Если остались вопросы, задайте их в комментариях после инструкции.
"Загружаем инструкцию", означает, что нужно подождать пока файл загрузится и можно будет его читать онлайн. Некоторые инструкции очень большие и время их появления зависит от вашей скорости интернета.

54
Инструкция
по
эксплуатации
и
установке
сине
-
белый
сине
-
черный
синий
зелено
-
белый
зелено
-
черный
зеленый
контакты
реле
отпирания
контакты
реле
запирания
компрессор
откр
.
закр
.
+12
В
переключатель
в
двери
водителя
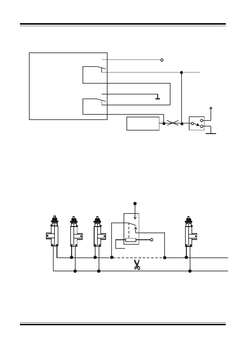
C
хема
подключения
к
пневматической
системе
запирания
Схема
подключения
активатора
двери
водителя
для
двухшагового
отпирания
дверей
+12B
или
корпус
активатор
в
двери
водителя
открыть
закрыть
активаторы
остальных
дверей
желто
-
синий
провод
86
87
87a
+12B
85
30
Содержание
- 3 Twage A9; Содержание
- 5 Возможности
- 7 Брелки; StarLine Twage
- 8 Назначение
- 9 CR
- 11 Valet
- 12 П р и м е ч а н и е
- 13 CHECK; Установка; ON
- 14 Быстрая; Выбор
- 15 MUTE; Режим; Примечание
- 16 В н и м а н и е
- 17 Внимание
- 18 AUTO ARM
- 23 Защитные; Сигналы
- 27 Сервисные
- 31 Вариант
- 34 Светодиодная
- 35 Запуск
- 36 Дистанционный
- 37 Ежедневный
- 39 Пример; Дистанционное
- 41 Запись
- 45 Рекомендации
- 47 ACC
- 51 StarLine
- 52 салонного
- 53 Подключение
- 55 Схемы
- 59 Гарантийные; Условия



