Автосигнализации Sheriff ZX-910 - инструкция пользователя по применению, эксплуатации и установке на русском языке. Мы надеемся, она поможет вам решить возникшие у вас вопросы при эксплуатации техники.
Если остались вопросы, задайте их в комментариях после инструкции.
"Загружаем инструкцию", означает, что нужно подождать пока файл загрузится и можно будет его читать онлайн. Некоторые инструкции очень большие и время их появления зависит от вашей скорости интернета.

УСТАНОВКА СИСТЕМЫ
Установка основных компонентов системы
Подключение проводов системы
ВАЖНО!
При подключении дополнительных реле к выходам охранной системы убедитесь в наличии
демпфирующего диода на контактах управления реле. Подключайте выход охранной системы
к дополнительному реле только со стороны анода демпфирующего диода. Делайте все под-
ключения проводов охранной системы только со снятыми предохранителями цепей питания
охранной системы. При отсутствии демпфирующего диода в составе дополнительного реле
полярность его подключения произвольная.
Предупреждение
Непосредственное подключение слаботочных выходов каналов к исполнительному сильно-
точному входу цепи открывания замка багажника автомобиля, а также к входу некоторых уст-
ройств дистанционного запуска двигателя автомобиля приведет к повреждению основного
блока охранной системы.
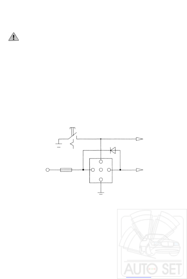
Управление открыванием багажника
Подключите выбранный провод канала управления к контакту управления реле типа PIT 40 А
12 VDC (или эквивалентного автомобильного реле, рассчитанного на ток 3 0 - 4 0 А). Подключите
провода к другим контактам реле в соответствии с Вашей схемой управления. Схема при-
мерного использования канала 2 для управления открыванием багажника приведена ниже:
Стандартные конфигурации запирания/отпирания дверей автомобиля
Трехпроводная цепь отпирания/запирания дверей отрицательной полярности
При установке системы в таких автомобилях темно-зеленый и темно-синий провода запира-
ния/отпирания дверей автомобиля не используются.
Оранжевый провод и синий провод с белой полосой должны быть подключены к "массе" (ме-
таллической детали кузова автомобиля).
Желтый провод - это импульсный выход запирания отрицательной полярности, и он должен
быть подключен к проводу управления штатным реле запирания отрицательной полярности.
Белый провод - это импульсный выход отпирания отрицательной полярности, и он должен
быть подключен к проводу управления штатным реле отпирания отрицательной полярности.
- 2 7 -
15А
+ 12В
кнопка
замка
к соленоиду замка
багажника
синий
оранжевый
85
87
86
30
Подготовлено компанией АвтоСет. Автосигнализации и автоэлектроника.