Aurora ВЕКТОР 2200 - Инструкция по эксплуатации

Aurora ВЕКТОР 2200

Сварочное оборудование Aurora ВЕКТОР 2200 - инструкция пользователя по применению, эксплуатации и установке на русском языке. Мы надеемся, она поможет вам решить возникшие у вас вопросы при эксплуатации техники.

Если остались дополнительные вопросы — свяжитесь с нами через контактную форму.

1 Страница 1
2 Страница 2
3 Страница 3
4 Страница 4
5 Страница 5
6 Страница 6
7 Страница 7
8 Страница 8
9 Страница 9
10 Страница 10
11 Страница 11
12 Страница 12
13 Страница 13
14 Страница 14
15 Страница 15
16 Страница 16
Страница: / 16

Содержание:

  • Страница 2 – СОДЕРЖАНИЕ
  • Страница 3 – ВВЕДЕНИЕ; Руководство по эксплуатации содержит информацию,
  • Страница 5 – ТЕХНИЧЕСКИЕ ХАРАКТЕРИСТИКИ; Модель
  • Страница 6 – Условия окружающей среды:; Температура работы:; Декларация о соответствии:; EAC
  • Страница 7 – ТЕХНИКА БЕЗОПАСНОСТИ; инструктаж по технике безопасности. Специалист должен обладать; Поражение электрическим током может быть смертельным!; Помните, сварочный электрод и кабеля находятся под напряжением.; Отключайте аппарат от сети при простое.
  • Страница 8 – Обратитесь к данному руководству по эксплуатации.
  • Страница 9 – УСТАНОВКА И ЭКСПЛУАТАЦИЯ; Подключите сетевой кабель.; беспечьте защиту розетки автоматическим; Подсоедините сварочные кабели.
  • Страница 10 – Установите значение сварочного тока.; Установите требуемую величину сварочного тока с; Установите электрод и приступайте к сварке.; Когда от электрода до держателя останется 2-3; Подготовка заготовки перед сваркой.; Металл на расстоянии 10-20 мм от шва должен быть
  • Страница 11 – ЕЖЕДНЕВНОЕ ОБСЛУЖИВАНИЕ; избежать; ХРАНЕНИЕ И ТРАНСПОРТИРОВКА; - используйте оригинальную упаковку при перевозке
  • Страница 12 – УСТРАНЕНИЕ ВОЗМОЖНЫХ НЕИСПРАВНОСТЕЙ; НЕИСПРАВНОСТЬ
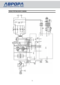
  • Страница 13 – ДЕТАЛИРОВКА
  • Страница 15 – ГАРАНТИЙНЫЕ ОБЯЗАТЕЛЬСТВА; Срок службы изделия составляет 5 лет.; Гарантийный срок составляет 2 года с даты продажи.
Загрузка инструкции




РУКОВОДСТВО

ПО ЭКСПЛУАТАЦИИ

Инверторный аппарат ручной дуговой сварки

Вектор 2200

aurora-online.ru

"Загрузка инструкции" означает, что нужно подождать пока файл загрузится и можно будет его читать онлайн. Некоторые инструкции очень большие и время их появления зависит от вашей скорости интернета.

Краткое содержание

Страница 2 - СОДЕРЖАНИЕ

2 СОДЕРЖАНИЕ ВВЕДЕНИЕ ...................................................................................................... 3 КОМПЛЕКТАЦИЯ ........................................................................................... 4 ОБЩИЙ ВИД ...........................................................

Страница 3 - ВВЕДЕНИЕ; Руководство по эксплуатации содержит информацию,

3 ВВЕДЕНИЕ Благодарим вас за приобретение сварочного аппарата АВРОРА Вектор. Мы создаём современные сварочные аппараты, которые помогают Вам создавать что-то новое, работать и воплощать творческие мечты! Позволяют Вам быть уверенным в надежности сварочного соединения и быть уверенным в своём будущем...

Страница 5 - ТЕХНИЧЕСКИЕ ХАРАКТЕРИСТИКИ; Модель

5 ТЕХНИЧЕСКИЕ ХАРАКТЕРИСТИКИ Модель Параметры ВЕКТОР 2200 Входное напряжение, В 1- фазный АС 230 Частота, Гц 50/60 Диапазон регулирования сварочного тока, А 20 - 220 Напряжение холостого хода, В 70 Диаметр электрода, мм Ø 1.6 - 5.0 Максимальный потребляемый ток, А 43 Максимальная потребляемая мощнос...

Характеристики

Другие модели - Сварочное оборудование Aurora

Все сварочное оборудование Aurora