Aurora MINIONE 1600 - Инструкция по эксплуатации

Aurora MINIONE 1600

Сварочное оборудование Aurora MINIONE 1600 - инструкция пользователя по применению, эксплуатации и установке на русском языке. Мы надеемся, она поможет вам решить возникшие у вас вопросы при эксплуатации техники.

Если остались дополнительные вопросы — свяжитесь с нами через контактную форму.

1 Страница 1
2 Страница 2
3 Страница 3
4 Страница 4
5 Страница 5
6 Страница 6
7 Страница 7
8 Страница 8
9 Страница 9
10 Страница 10
11 Страница 11
12 Страница 12
13 Страница 13
14 Страница 14
15 Страница 15
16 Страница 16
17 Страница 17
18 Страница 18
19 Страница 19
Страница: / 19

Содержание:

  • Страница 2 – Описание; Обратите
  • Страница 3 – Содержание
  • Страница 7 – Аппарат; Общие
  • Страница 8 – Модель; F F F
  • Страница 11 – Эксплуатация; Структура; MINIONE series
  • Страница 16 – Неисправности
Загрузка инструкции





РУКОВОДСТВО

ПОЛЬЗОВАТЕЛЯ

ПО

ЭКСПЛУАТАЦИИ



MINIONE 1200 / 1400 / 1600
MINIONE 1800 / 2000

www.aurora-online.ru

"Загрузка инструкции" означает, что нужно подождать пока файл загрузится и можно будет его читать онлайн. Некоторые инструкции очень большие и время их появления зависит от вашей скорости интернета.

Краткое содержание

Страница 2 - Описание; Обратите

2 Описание Данная инструкция включает описание аппаратного оборудования и руководство по эксплуатации сварочных аппаратов MINIONE 1200/1400/1600/1800/2000. В целях безопасности внимательно ознакомьтесь с данной инструкцией . Обратите внимание ● Внимательно прочите инструкцию перед использованием апп...

Страница 3 - Содержание

3 Содержание 1 Меры предосторожности ..................................................................... 4 2 Аппарат ................................................................................................. 7 2.1 Общие сведения .................................................................

Страница 7 - Аппарат; Общие

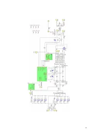
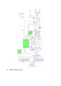
7 2 Аппарат 2.1 Общие сведения Данный аппарат изготовлен на базе самых современных инверторных технологий . Принцип инвертирования в преобразовании сетевого напряжения частоты в 50/60 Гц в высоко - частотное напряжение в 33 кГц при прохождении этого напряжения через фильтр – мощное устройство IGBT, ...

Характеристики

Другие модели - Сварочное оборудование Aurora

Все сварочное оборудование Aurora