Aurora PRO STICKMATE 180 MMA TIG PULSE lift - Инструкция по эксплуатации

Aurora PRO STICKMATE 180 MMA TIG PULSE lift

Сварочное оборудование Aurora PRO STICKMATE 180 MMA TIG PULSE lift - инструкция пользователя по применению, эксплуатации и установке на русском языке. Мы надеемся, она поможет вам решить возникшие у вас вопросы при эксплуатации техники.

Если остались дополнительные вопросы — свяжитесь с нами через контактную форму.

1 Страница 1
2 Страница 2
3 Страница 3
4 Страница 4
5 Страница 5
6 Страница 6
7 Страница 7
8 Страница 8
9 Страница 9
10 Страница 10
11 Страница 11
12 Страница 12
13 Страница 13
14 Страница 14
15 Страница 15
16 Страница 16
17 Страница 17
18 Страница 18
19 Страница 19
20 Страница 20
21 Страница 21
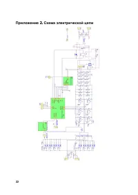
22 Страница 22
23 Страница 23
24 Страница 24
25 Страница 25
Страница: / 25
Загрузка инструкции





РУКОВОДСТВО ПОЛЬЗОВАТЕЛЯ

ПО ЭКСПЛУАТАЦИИ





STICKMATE 180
STICKMATE 200




www.aurora-online.ru

"Загрузка инструкции" означает, что нужно подождать пока файл загрузится и можно будет его читать онлайн. Некоторые инструкции очень большие и время их появления зависит от вашей скорости интернета.

Характеристики

Другие модели - Сварочное оборудование Aurora

Все сварочное оборудование Aurora