Aurora PRO AIRHOLD 45 (MOSFET) - Инструкция по эксплуатации

Aurora PRO AIRHOLD 45 (MOSFET)

Сварочное оборудование Aurora PRO AIRHOLD 45 (MOSFET) - инструкция пользователя по применению, эксплуатации и установке на русском языке. Мы надеемся, она поможет вам решить возникшие у вас вопросы при эксплуатации техники.

Если остались дополнительные вопросы — свяжитесь с нами через контактную форму.

1 Страница 1
2 Страница 2
3 Страница 3
4 Страница 4
5 Страница 5
6 Страница 6
7 Страница 7
8 Страница 8
9 Страница 9
10 Страница 10
11 Страница 11
12 Страница 12
13 Страница 13
14 Страница 14
15 Страница 15
16 Страница 16
17 Страница 17
18 Страница 18
19 Страница 19
20 Страница 20
21 Страница 21
22 Страница 22
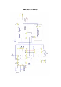
23 Страница 23
Страница: / 23
Загрузка инструкции

РУКОВОДСТВО ПОЛЬЗОВАТЕЛЯ

ПО ЭКСПЛУАТАЦИИ

AIRHOLD 45

aurora-online.ru

"Загрузка инструкции" означает, что нужно подождать пока файл загрузится и можно будет его читать онлайн. Некоторые инструкции очень большие и время их появления зависит от вашей скорости интернета.

Характеристики

Другие модели - Сварочное оборудование Aurora

Все сварочное оборудование Aurora