ZOTA 6 InLine ZI 346842 0006 - Инструкция по эксплуатации

ZOTA 6 InLine ZI 346842 0006

Водонагреватель ZOTA 6 InLine ZI 346842 0006 - инструкция пользователя по применению, эксплуатации и установке на русском языке. Мы надеемся, она поможет вам решить возникшие у вас вопросы при эксплуатации техники.

Если остались дополнительные вопросы — свяжитесь с нами через контактную форму.

1 Страница 1
2 Страница 2
3 Страница 3
4 Страница 4
5 Страница 5
6 Страница 6
7 Страница 7
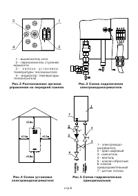
8 Страница 8
9 Страница 9
10 Страница 10
11 Страница 11
12 Страница 12
13 Страница 13
14 Страница 14
15 Страница 15
16 Страница 16
Страница: / 16

Содержание:

  • Страница 4 – ZOTA
  • Страница 10 – Íаимåнованиå
  • Страница 12 – Ì.П.
Загрузка инструкции

Электроводонагреватель

ZOTA “InLine”

ZOTA-6 “InLine”, ZOTA-7,5 “InLine”,

ZOTA-9 “InLine”, ZOTA-12 “InLine”,

ZOTA-15 “InLine”

Паспорт и инструкция

по эксплуатации

"Загрузка инструкции" означает, что нужно подождать пока файл загрузится и можно будет его читать онлайн. Некоторые инструкции очень большие и время их появления зависит от вашей скорости интернета.

Краткое содержание

Страница 4 - ZOTA

стр.2 1. ÎÁÙÈÅ ÑÂÅÄÅÍÈß ÎÁ ЭËÅÊÒÐÎÂÎÄÎÍÀÃÐÅÂÀÒÅËÅ 1 . 1 . Ý л å к т р и ч å с к и й в о ä о н а г р å в а т å л ь п р о т о ч н ы й Z O T A “ I n L i n e ” , ä а л å å элåктровоäонагрåватåль прåäназначåн äля нагрåва воäы äля бытовых нужä и тåхничåских цåлåй. Îäин элåктровоäонагрåватåль можåт снабжат...

Страница 10 - Íаимåнованиå

стр.8 Â н и м а н и е ! Á å з о п а с н о å и н а ä å ж н о å ф у н к ц и о н и р о в а н и å элåктровоäонагрåватåля зависит от åго правильного и своåврåмåнного тåхничåского обслуживания, котороå äолжно осущåствляться организациåй, имåющåй разрåшåниå на соотвåтствующиå виäы работ. 8.2. Í а и б о л å...

Страница 12 - Ì.П.

стр.10 12. ÑÂÈÄÅÒÅËÜÑÒÂÎ Î ПÐÈÅÌÊÅ È ПÐÎÄÀÆÅ Ýлåктровоäонагрåватåль ZOTA- _________”InLine” ¹____________соотвåтствуåт тåхничåским условиям ÒÓ 3468-001-47843355-2012 и признан гоäным äля эксплуатации. Äата изготовлåния_________________ 20_____ г. Øтамп ÎÒÊ Äата проäажи______________________ 20_____ ...

Характеристики

Другие модели - Водонагреватели ZOTA