ZOTA 12 InLine ZI 346842 0012 - инструкции и руководства

model-name

Водонагреватель ZOTA 12 InLine ZI 346842 0012 - инструкции пользователя по применению, эксплуатации и установке на русском языке читайте онлайн в формате pdf

1 Page 1
2 Page 2
3 Page 3
4 Page 4
5 Page 5
6 Page 6
7 Page 7
8 Page 8
9 Page 9
10 Page 10
11 Page 11
12 Page 12
13 Page 13
14 Page 14
15 Page 15
16 Page 16

Краткое содержание

Страница 4 - ZOTA

стр.2 1. ÎÁÙÈÅ ÑÂÅÄÅÍÈß ÎÁ ЭËÅÊÒÐÎÂÎÄÎÍÀÃÐÅÂÀÒÅËÅ 1 . 1 . Ý л å к т р и ч å с к и й в о ä о н а г р å в а т å л ь п р о т о ч н ы й Z O T A “ I n L i n e ” , ä а л å å элåктровоäонагрåватåль прåäназначåн äля нагрåва воäы äля бытовых нужä и тåхничåских цåлåй. Îäин элåктровоäонагрåватåль можåт снабжат...

Страница 10 - Íаимåнованиå

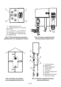
стр.8 Â н и м а н и е ! Á å з о п а с н о å и н а ä å ж н о å ф у н к ц и о н и р о в а н и å элåктровоäонагрåватåля зависит от åго правильного и своåврåмåнного тåхничåского обслуживания, котороå äолжно осущåствляться организациåй, имåющåй разрåшåниå на соотвåтствующиå виäы работ. 8.2. Í а и б о л å...

Страница 12 - Ì.П.

стр.10 12. ÑÂÈÄÅÒÅËÜÑÒÂÎ Î ПÐÈÅÌÊÅ È ПÐÎÄÀÆÅ Ýлåктровоäонагрåватåль ZOTA- _________”InLine” ¹____________соотвåтствуåт тåхничåским условиям ÒÓ 3468-001-47843355-2012 и признан гоäным äля эксплуатации. Äата изготовлåния_________________ 20_____ г. Øтамп ÎÒÊ Äата проäажи______________________ 20_____ ...

ZOTA Водонагреватели Инструкции