Вытяжки Miele DAR1155 для HR1956 - инструкция пользователя по применению, эксплуатации и установке на русском языке. Мы надеемся, она поможет вам решить возникшие у вас вопросы при эксплуатации техники.
Если остались вопросы, задайте их в комментариях после инструкции.
"Загружаем инструкцию", означает, что нужно подождать пока файл загрузится и можно будет его читать онлайн. Некоторые инструкции очень большие и время их появления зависит от вашей скорости интернета.
Загружаем инструкцию

Монтаж
26
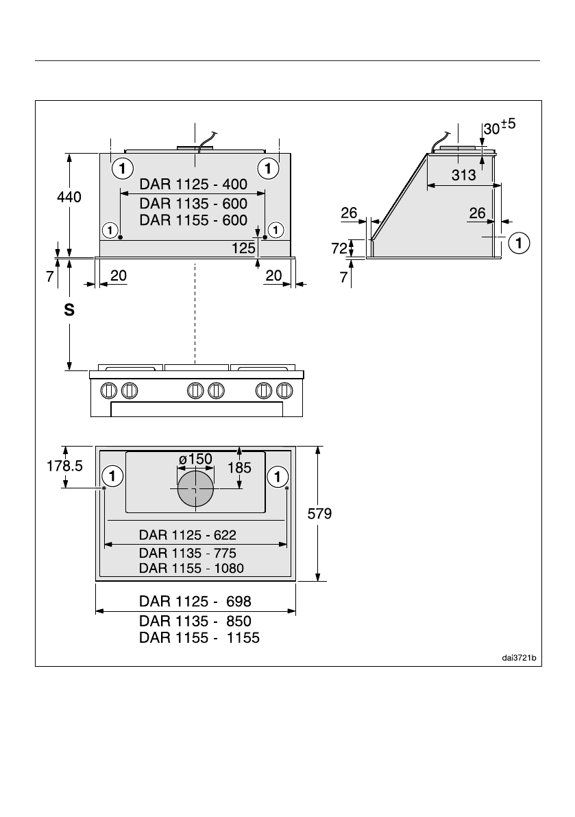
Размеры прибора
Вентиляционные блоки DAR 1125, DAR 1135, DAR 1155.
a
Точки крепления; В местах точек крепления необходимо следить за несу-
щей способностью опорной конструкции.
Содержание
- 2 Содержание
- 3 Указания по безопасности и предупреждения; Надлежащее использование; Эта вытяжка предназначена для использования в домашнем
- 4 Если у Вас есть дети
- 5 Техническая безопасность
- 7 Опасность отравления из-за вдыхания продуктов сгора-
- 9 Правильная эксплуатация
- 10 Правильный монтаж
- 11 Чистка и уход
- 12 Ваш вклад в охрану окружающей среды; Утилизация прибора
- 13 Описание функций; Работа в режиме циркуляции
- 16 Управление прибором; Включение вентилятора; Выключение вентилятора
- 17 Рекомендации по экономии электроэнергии
- 18 Корпус
- 19 Фильтр Baffle
- 22 Угольные фильтры
- 23 Монтаж; Перед монтажом; Снятие защитной пленки
- 26 Размеры прибора
- 29 Расстояние между варочной поверхностью и вытяжкой (S)
- 31 Воздуховод
- 32 Шумоподавитель
- 33 Электроподключение
- 34 Сервисная служба и гарантия качества; Сертификат соответствия; Дата изготовления
- 35 Технические характеристики
- 36 Для организаций, проводящих испытания
- 37 Гарантия качества товара
- 39 Контактная информация о Miele