Водонагреватели Vektor JSD20-W сж.газ - инструкция пользователя по применению, эксплуатации и установке на русском языке. Мы надеемся, она поможет вам решить возникшие у вас вопросы при эксплуатации техники.
Если остались вопросы, задайте их в комментариях после инструкции.
"Загружаем инструкцию", означает, что нужно подождать пока файл загрузится и можно будет его читать онлайн. Некоторые инструкции очень большие и время их появления зависит от вашей скорости интернета.
Загружаем инструкцию

12
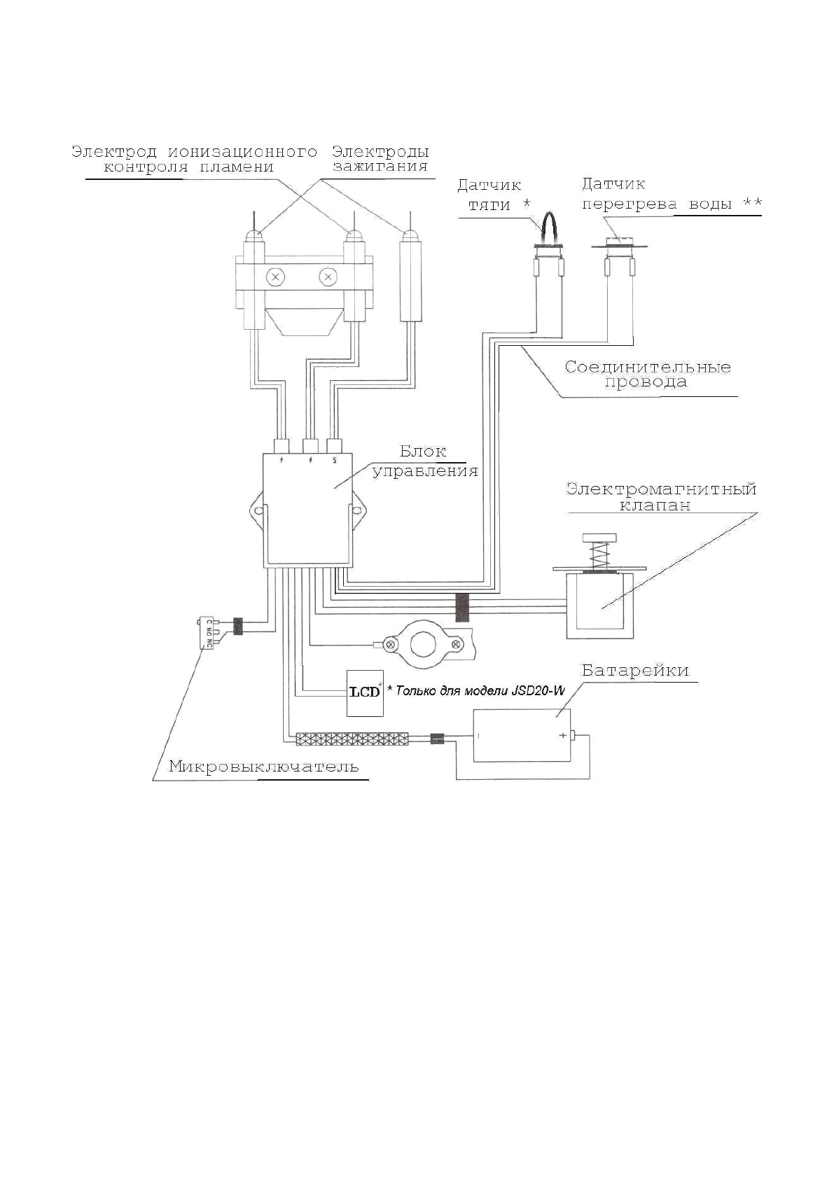
2.6
Схема электрическая
*
- датчик системы ODS (для модели JSD11-N)
** - только для моделей JSD20-E(W), JSD12-W
Рис. 3. Схема электрическая
Содержание
- 3 СОДЕРЖАНИЕ
- 4 УКАЗАНИЯ МЕР БЕЗОПАСНОСТИ
- 5 ОПИСАНИЕ И РАБОТА ИЗДЕЛИЯ; Назначение изделия; Аппарат предназначен для работы на природном газе по ГОСТ 5542-87.; Технические характеристики; Таблица 1; работы аппарата, кПа; Состав изделия; Составные части изделия
- 7 Таблица 2. Комплект поставки; сить изменения в конструкцию и комплект поставки аппарата.
- 8 Описание аппарата и назначение основных узлов
- 13 ПОРЯДОК УСТАНОВКИ; Место установки; нее 8 м; Монтаж аппарата; организации газовой службы.
- 14 Подключение воды; нений не допускается; Правила монтажа аппарата при помощи гибких шлангов
- 15 Рис. 4. Требования к монтажу гибких шлангов
- 16 Таблица 3 Правила монтажа гибких шлангов; Неправильно
- 17 Подключение газа; тельно установить запорный кран.; Подключение аппарата к баллону со сжиженным газом; том, что Ваш аппарат настроен на работу со сжиженным газом.; Установка дымохода для отвода продуктов сгорания (кроме мо-
- 19 вечать следующим требованиям:
- 20 ИСПОЛЬЗОВАНИЕ АППАРАТА; Включение аппарата
- 22 ТЕХНИЧЕСКОЕ ОБСЛУЖИВАНИЕ; ми обязательствами и производятся за счет потребителя.; Осмотр; Ежедневно перед включением аппарата:; Уход
- 23 Техническое обслуживание
- 25 Таблица 4; Внимание; Прежде чем приступать к ремонту водонагревателя проверьте уро-
- 27 ПРАВИЛА ХРАНЕНИЯ; С и относительной влажности не более 98 %.
- 28 ГАРАНТИЙНЫЕ ОБЯЗАТЕЛЬСТВА; новленный настоящим Руководством срок (не реже одного раза в год); СВИДЕТЕЛЬСТВО О ПРИЕМКЕ; Штамп магазина
- 31 ГАРАНТИЙНЫЙ ТАЛОН; ТАЛОН No1; УТВЕРЖДАЮ
- 33 ТАЛОН No2
- 35 ТАЛОН No3