Водонагреватели Термекс Corunna 3000 ЭдЭБ02734 - инструкция пользователя по применению, эксплуатации и установке на русском языке. Мы надеемся, она поможет вам решить возникшие у вас вопросы при эксплуатации техники.
Если остались вопросы, задайте их в комментариях после инструкции.
"Загружаем инструкцию", означает, что нужно подождать пока файл загрузится и можно будет его читать онлайн. Некоторые инструкции очень большие и время их появления зависит от вашей скорости интернета.

6
Рис. 2. Установка с выводом кабеля питания под мойкой
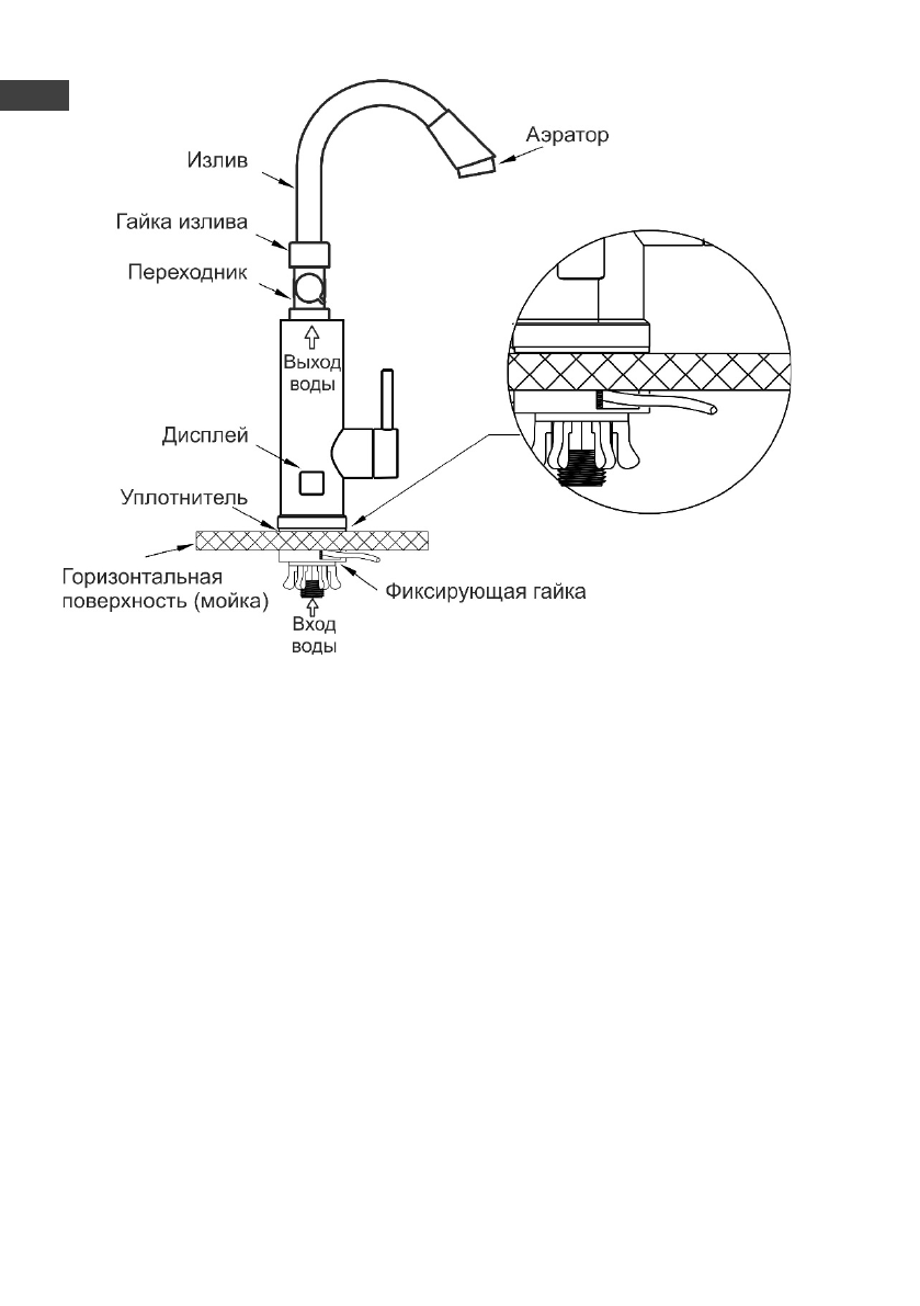
1. Извлеките корпус прибора, излив и душевой комплект из коробки. Присоеди-
ните излив к переходнику, установленному на корпусе смесителя, затянув
гайку излива.
2. Подключите к переходнику душевой комплект: прикрутите душевой шланг к
переходнику на корпусе со стороны шестигранной гайки. Со стороны кониче-
ской гайки присоедините к шлангу душевую лейку. При необходимости, уста-
новите на стену держатель душевой лейки, входящий в комплект поставки.
3. Установите ПЭВН на мойку в соответствие с выбранным вариантом уста-
новки, следуя схеме из Рисунка 1 или Рисунка 2.
4. Предварительно перекройте подачу холодной воды в системе водоснабже-
ния.
5. Подключите патрубок входа холодной воды ПЭВН к трубе холодного водо-
снабжения при помощи гибкой сантехподводки (не входит в комплект по-
ставки).
6. После подключения подайте воду в ПЭВН, дождитесь, когда из излива поль-
ется вода, прекратите подачу воды. Проверьте плотность всех соединений.
7. Перед подключением к электросети обесточьте сеть, к которой происходит
подключение прибора. Сначала кабель с УЗО подключается к прибору, а за-
тем включается в розетку.
8. Подключите УЗО к кабелю ПЭВН. Для этого снимите крышку УЗО, откру-
тив 2 самореза. Далее подключите подводящий электрокабель ПЭВН к
ы
RU
Содержание
- 3 нагревателя к вашей электросети.; кВт; Полное наименование приобретенного вами водонагревателя ука-; RU
- 5 ОПИСАНИЕ И ПРИНЦИП ДЕЙСТВИЯ ПЭВН; ржавеющей стали
- 7 УСТАНОВКА И ПОДКЛЮЧЕНИЕ
- 9 Включите ПЭВН в сеть.; Необходимо подавать холодную воду в ПЭВН, используя фильтр; cold
- 13 ГАРАНТИЯ ПРОИЗВОДИТЕЛЯ; серийного номера
- 14 СВЕДЕНИЯ ОБ ИЗГОТОВИТЕЛЕ; (ТЕРМЕКС хитинг Технолоджи; претензии по качеству в Российской Федерации:
- 16 ОТМЕТКА О ПРОДАЖЕ; плуатации и условиями гарантии ознакомлен и согласен.
- 19 Wi-Fi Motion Wireless Technology; Other products with remote control:; Отопление; Водоснабжение
- 20 рядом с Карловыми Варами.; Встречай













