Водонагреватели Термекс Corunna 3000 ЭдЭБ02734 - инструкция пользователя по применению, эксплуатации и установке на русском языке. Мы надеемся, она поможет вам решить возникшие у вас вопросы при эксплуатации техники.
Если остались вопросы, задайте их в комментариях после инструкции.
"Загружаем инструкцию", означает, что нужно подождать пока файл загрузится и можно будет его читать онлайн. Некоторые инструкции очень большие и время их появления зависит от вашей скорости интернета.

5
6. УСТАНОВКА И ПОДКЛЮЧЕНИЕ
Установка должна производиться квалифицированным персоналом.
Рекомендуется следующая последовательность действий по установке:
•
монтаж водонагревателя на раковине;
•
подключение к водопроводу;
•
подключение к электросети.
Установка возможна двумя способами: вывод кабеля питания над мойкой и вы-
вод кабеля питания под мойкой.
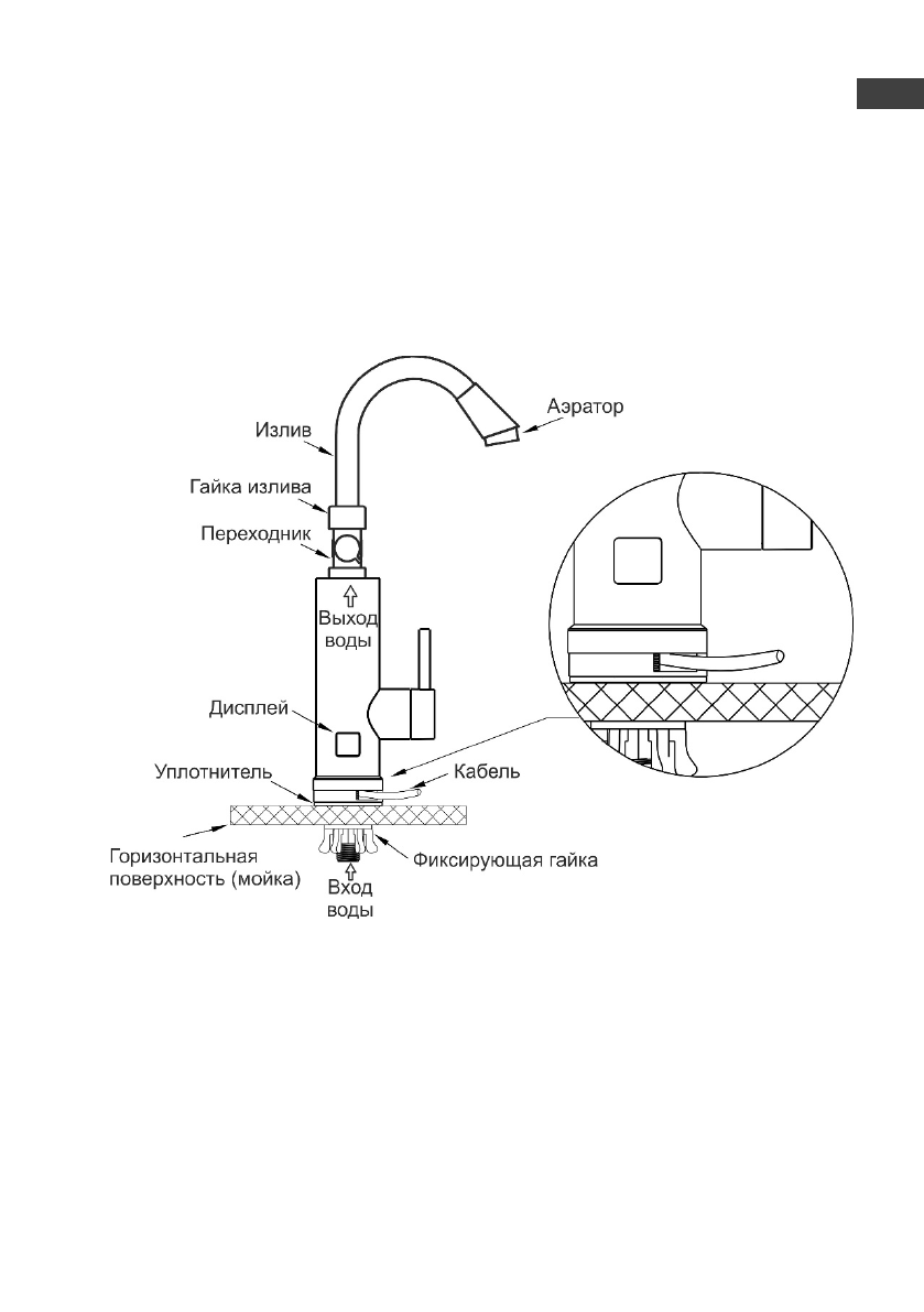
Рис. 1. Установка с выводом кабеля питания над мойкой
ы
RU
Содержание
- 3 нагревателя к вашей электросети.; кВт; Полное наименование приобретенного вами водонагревателя ука-; RU
- 5 ОПИСАНИЕ И ПРИНЦИП ДЕЙСТВИЯ ПЭВН; ржавеющей стали
- 7 УСТАНОВКА И ПОДКЛЮЧЕНИЕ
- 9 Включите ПЭВН в сеть.; Необходимо подавать холодную воду в ПЭВН, используя фильтр; cold
- 13 ГАРАНТИЯ ПРОИЗВОДИТЕЛЯ; серийного номера
- 14 СВЕДЕНИЯ ОБ ИЗГОТОВИТЕЛЕ; (ТЕРМЕКС хитинг Технолоджи; претензии по качеству в Российской Федерации:
- 16 ОТМЕТКА О ПРОДАЖЕ; плуатации и условиями гарантии ознакомлен и согласен.
- 19 Wi-Fi Motion Wireless Technology; Other products with remote control:; Отопление; Водоснабжение
- 20 рядом с Карловыми Варами.; Встречай













