Водонагреватели STIEBEL ELTRON SBB 1001 229293 - инструкция пользователя по применению, эксплуатации и установке на русском языке. Мы надеемся, она поможет вам решить возникшие у вас вопросы при эксплуатации техники.
Если остались вопросы, задайте их в комментариях после инструкции.
"Загружаем инструкцию", означает, что нужно подождать пока файл загрузится и можно будет его читать онлайн. Некоторые инструкции очень большие и время их появления зависит от вашей скорости интернета.

WWW.STIEBEL-ELTRON.RU
SBB 751-1001 | SBB 751-1001 SOL |
11
МОНТАЖ
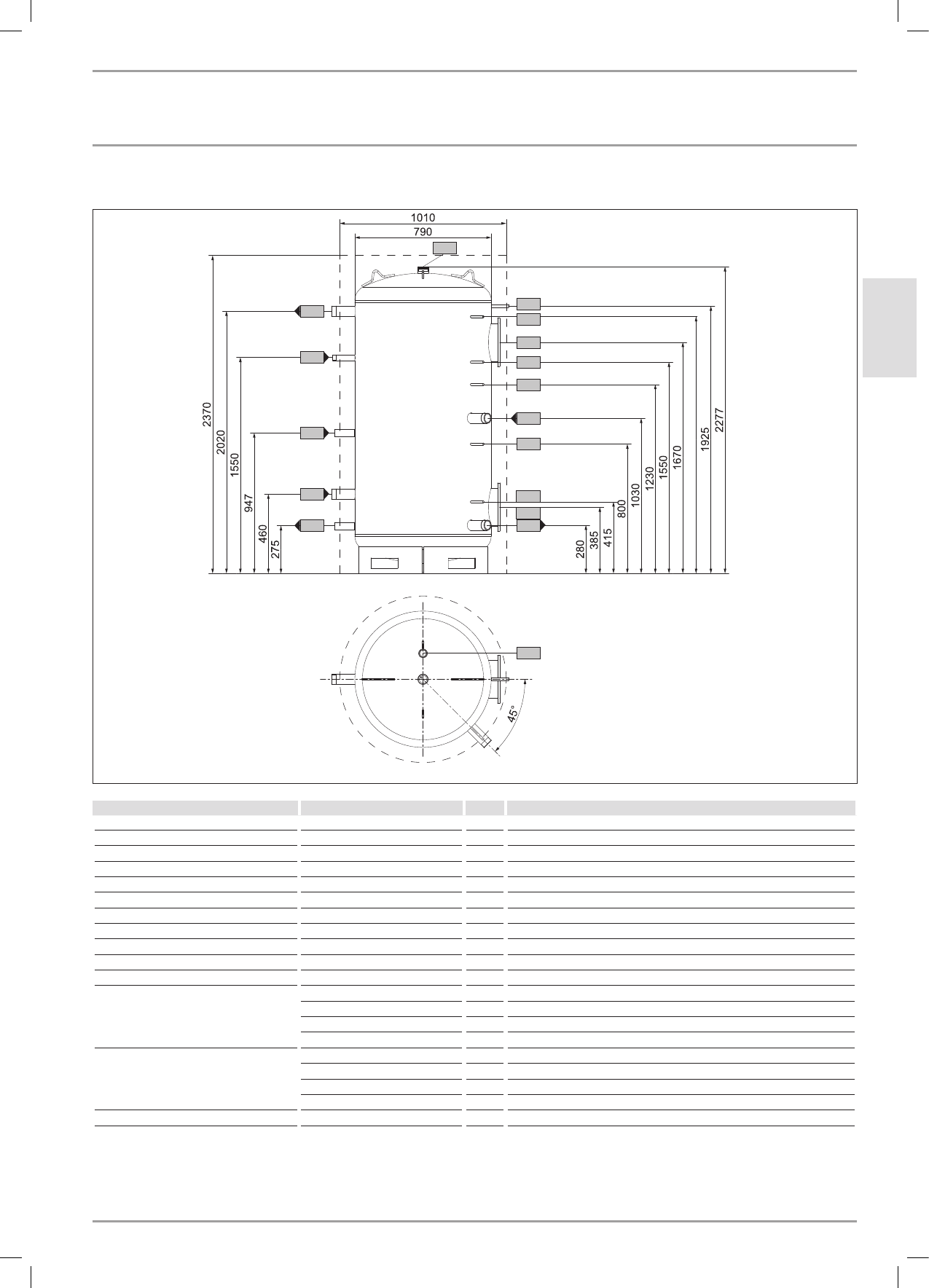
ТЕХНИЧЕСКИЕ ХАРАКТЕРИСТИКИ
SBB 1001 SOL
c06
c01
h43
h06
i03
h06
h06
i02
d21
h28
d26
d25
c10
i18
i18
d22
1820
h05
SBB 1001 SOL
c01 Подача холодной воды
Наружная резьба
G 2 A
c06 Выпуск горячей воды
Наружная резьба
G 2 A
c10 Циркуляция горячей воды
Наружная резьба
G 1 A
d21 Подача (станция теплообмена WTS) Наружная резьба
G 2 A
d22 Обрат. (станция теплообмена WTS)
Наружная резьба
G 2 A
d25 Гелиоустановка подача
Внутренняя резьба
G 1
d26 Гелиоустановка обрат.
Внутренняя резьба
G 1
h05 Датчик тепловой насос - ГВС
Диаметр
мм
9.5
h06 Датчик тепловой насос - ГВС (опция)
Диаметр
мм
9.5
h28 Датчик емкости солнеч.установки
Диаметр
мм
9.5
h43
Термометр
Диаметр
мм
14.5
i02 Фланец 1
Диаметр
мм
280
Диаметр окружности с центром отверстий
мм
245
Шурупы
M 14
Момент затяжки
Нм
80
i03 Фланец 2
Диаметр
мм
280
Диаметр окружности с центром отверстий
мм
245
Шурупы
M 14
Момент затяжки
Нм
80
i18 Защитный анод
Внутренняя резьба
G 1 1/4
РУ
СС
КИЙ
Содержание
- 3 Техника безопасности; Использование по назначению; Описание устройства; Другие обозначения в данной; Единицы измерения
- 4 Устранение неисправностей; Описание устройства; Комплект поставки; Предохранительный узел, редуктор давления; обслуживание; Индикация степени износа сигнального; МОНТАЖ; Общие указания по технике
- 5 мероприятия
- 7 Повторный ввод в эксплуатацию; Проверка предохранительно клапана; ПРЕДУПРЕЖДЕНИЕ об опасности поражения; Таблица неисправностей; ПРЕДУПРЕЖДЕНИЕ об опасности ожога
- 8 Технические характеристики; Размеры и соединения
- 12 Условия неисправности
- 13 GUARANTEE; Гарантия













