Водонагреватели STIEBEL ELTRON SBB 1001 229293 - инструкция пользователя по применению, эксплуатации и установке на русском языке. Мы надеемся, она поможет вам решить возникшие у вас вопросы при эксплуатации техники.
Если остались вопросы, задайте их в комментариях после инструкции.
"Загружаем инструкцию", означает, что нужно подождать пока файл загрузится и можно будет его читать онлайн. Некоторые инструкции очень большие и время их появления зависит от вашей скорости интернета.

10
| SBB 751-1001 | SBB 751-1001 SOL
WWW.STIEBEL-ELTRON.RU
МОНТАЖ
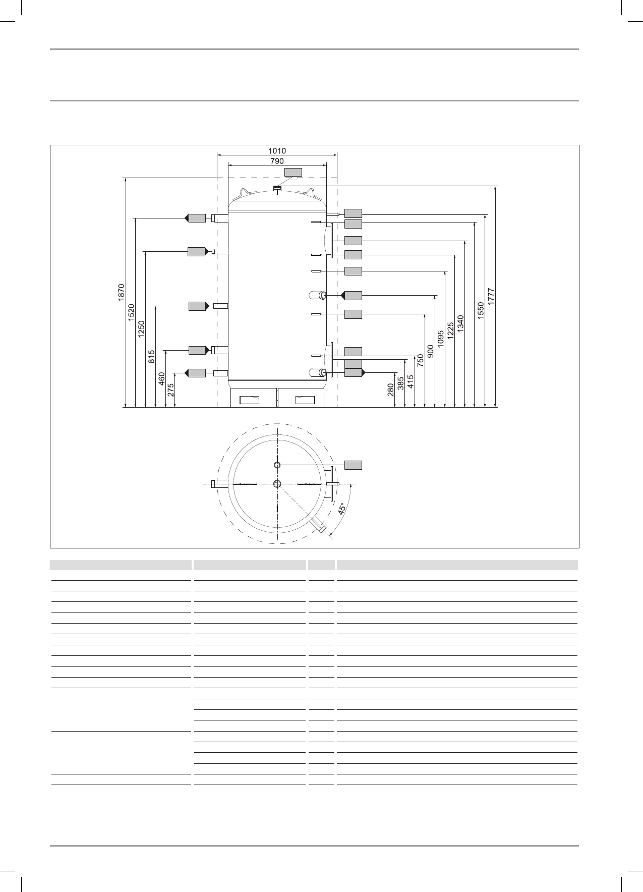
ТЕХНИЧЕСКИЕ ХАРАКТЕРИСТИКИ
SBB 751 SOL
i18
h43
h06
i03
h06
h06
h28
i02
d21
c06
d26
d22
c01
d25
c10
1490
h05
i18
SBB 751 SOL
c01 Подвод холодной воды
Наружная резьба
G 2 A
c06
Выпуск горячей воды
Наружная резьба
G 2 A
c10
Циркуляция горячей воды
Наружная резьба
G 1 A
d21
Подача (станция теплообмена WTS)
Наружная резьба
G 2 A
d22 Обрат. (станция теплообмена WTS)
Наружная резьба
G 2 A
d25
Гелиоустановка подача
Внутренняя резьба
G 1
d26
Гелиоустановка обрат.
Внутренняя резьба
G 1
h05 Датчик тепловой насос - ГВС
Диаметр
мм
9.5
h06 Датчик тепловой насос - ГВС (опция)
Диаметр
мм
9.5
h28
Датчик емкости солнеч.установки
Диаметр
мм
9.5
h43 Термометр
Диаметр
мм
14.5
i02 Фланец 1
Диаметр
мм
280
Диаметр окружности с центром отверстий
мм
245
Шурупы
M 14
Момент затяжки
Нм
80
i03 Фланец 2
Диаметр
мм
280
Диаметр окружности с центром отверстий
мм
245
Шурупы
M 14
Момент затяжки
Нм
80
i18 Защитный анод
Внутренняя резьба
G 1 1/4
Содержание
- 3 Техника безопасности; Использование по назначению; Описание устройства; Другие обозначения в данной; Единицы измерения
- 4 Устранение неисправностей; Описание устройства; Комплект поставки; Предохранительный узел, редуктор давления; обслуживание; Индикация степени износа сигнального; МОНТАЖ; Общие указания по технике
- 5 мероприятия
- 7 Повторный ввод в эксплуатацию; Проверка предохранительно клапана; ПРЕДУПРЕЖДЕНИЕ об опасности поражения; Таблица неисправностей; ПРЕДУПРЕЖДЕНИЕ об опасности ожога
- 8 Технические характеристики; Размеры и соединения
- 12 Условия неисправности
- 13 GUARANTEE; Гарантия













