Водонагреватели Stiebel Eltron DHF 21 C - инструкция пользователя по применению, эксплуатации и установке на русском языке. Мы надеемся, она поможет вам решить возникшие у вас вопросы при эксплуатации техники.
Если остались вопросы, задайте их в комментариях после инструкции.
"Загружаем инструкцию", означает, что нужно подождать пока файл загрузится и можно будет его читать онлайн. Некоторые инструкции очень большие и время их появления зависит от вашей скорости интернета.

Mix Series. Ðóêîâîäñòâî ïîëüçîâàòåëÿ
27
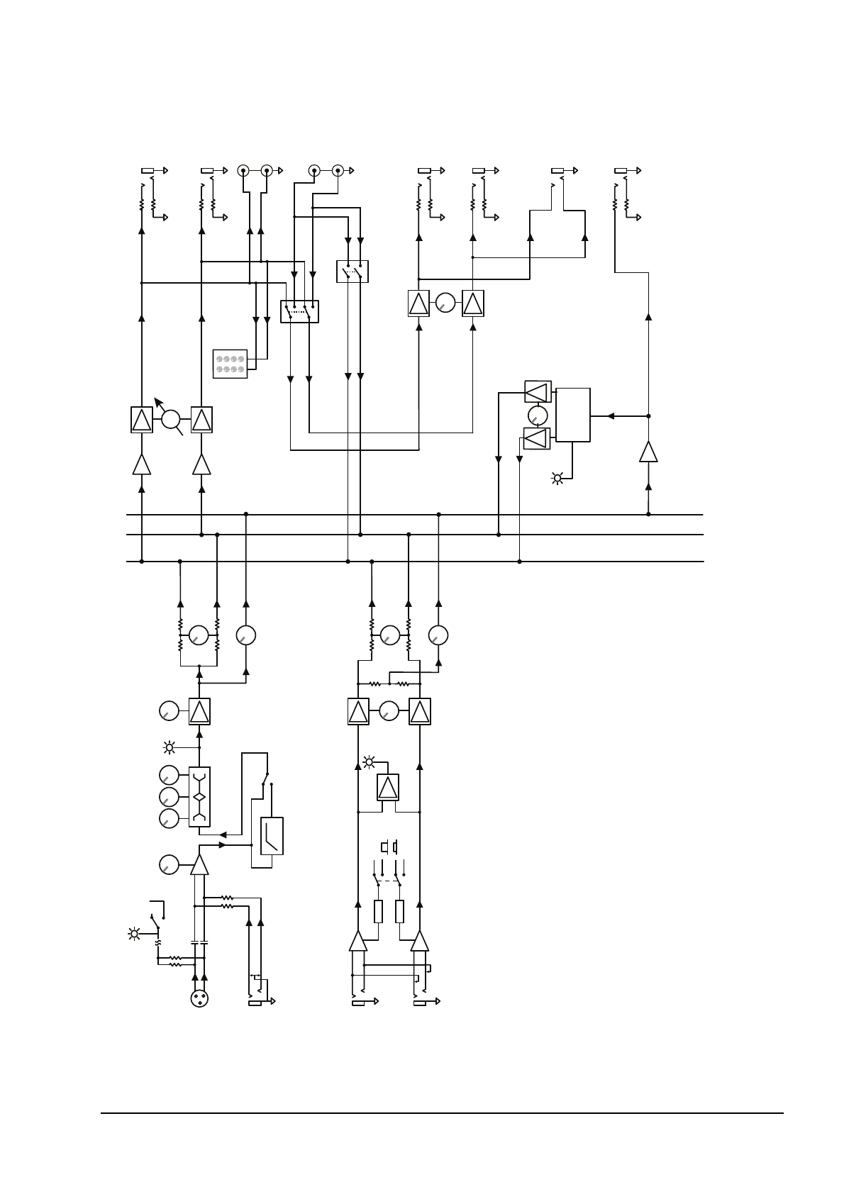
Áëîê-ñõåìà Mix12FX
PHANT
O
M
MIC IN
+48 VDC
LINE IN
LINE IN LEFT (MONO)
LINE IN RIGHT
PEAK
OL
MONO CHANNELS
1 th
rough 4
GAIN
EQ
75H
z
HI P
A
SS
HIGH
MID
80
K
5.
2
K
2
1
LO
W
+4
–10
PA
N
LE
VEL
LE
VEL
FX
M
AIN MIX
STEREO CHANNELS
5/6, 7/8, 9/10, and 11/12
L
L
R
R
PA
N
FX
L
R
LEFT MAIN BUS
RIGHT MAIN BUS
FX BUS
FX SEND
PHONES
OUT
LEFT
RIGHT
ME
TERS
T
A
PE
T
O
CR /
PHONES
T
A
PE T
O
M
A
IN
CR /
PHONES
LEFT M
AIN
MIX OUT
RIGHT M
AIN
MIX OUT
LEFT
CR
OUTS
RIGHT
T
APE OUT
LEFT
RIGHT
T
APE IN
F
X
TO
MAIN
INTERNAL FX
SIG / OL












