Водонагреватели Stiebel Eltron DHF 21 C - инструкция пользователя по применению, эксплуатации и установке на русском языке. Мы надеемся, она поможет вам решить возникшие у вас вопросы при эксплуатации техники.
Если остались вопросы, задайте их в комментариях после инструкции.
"Загружаем инструкцию", означает, что нужно подождать пока файл загрузится и можно будет его читать онлайн. Некоторые инструкции очень большие и время их появления зависит от вашей скорости интернета.

26
Mix Series. Ðóêîâîäñòâî ïîëüçîâàòåëÿ
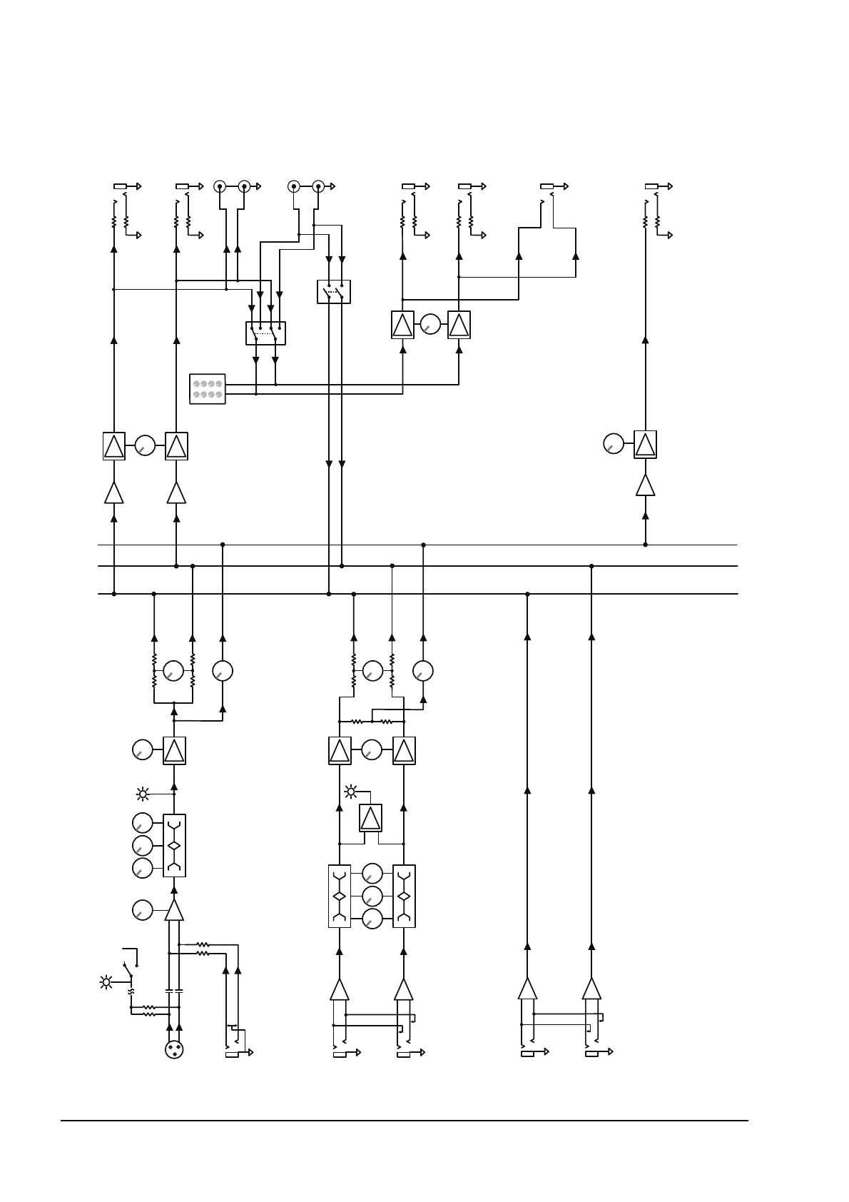
Áëîê-ñõåìà Mix8
PHANT
OM
MIC IN
+48 VDC
LINE IN
LINE IN LEFT
(MONO)
LINE IN RIGHT
AUX RETURN LEFT
(MONO)
AUX RETURN RIGHT
PEAK
PEAK
MONO CHANNELS
1 and 2
GAIN
EQ
HIGH
MID
80
K
5.
2K
2
1
LOW
EQ
HIGH
MID
80
K
5.
2K
2
1
LOW
PA
N
LEVEL
LEVEL
AUX
MAIN MIX
STEREO CHANNELS
AUX RETURNS
3/4 and 5/6
L
L
R
R
PA
N
AUX
L
R
L
R
LEFT MAIN BUS
RIGHT MAIN BUS
AUX BUS
AUX SEND
HEADPHONE
OUTPUT
LEFT
RIGHT
METERS
T
A
PE
T
O
CTRL
RM/
PHONES
T
APE T
O
MIX
CONTROL
ROOM/
PHONES
LEFT
MAIN
MIX OUT
RIGHT
MAIN
MIX OUT
LEFT
CONTROL
ROOM
OUTPUTS
RIGHT
CD/T
APE OUT
LEFT
RIGHT
CD/T
APE IN
MASTER AUX
SEND
LEVEL












