Водонагреватели Roda JSD-20A8 - инструкция пользователя по применению, эксплуатации и установке на русском языке. Мы надеемся, она поможет вам решить возникшие у вас вопросы при эксплуатации техники.
Если остались вопросы, задайте их в комментариях после инструкции.
"Загружаем инструкцию", означает, что нужно подождать пока файл загрузится и можно будет его читать онлайн. Некоторые инструкции очень большие и время их появления зависит от вашей скорости интернета.

6
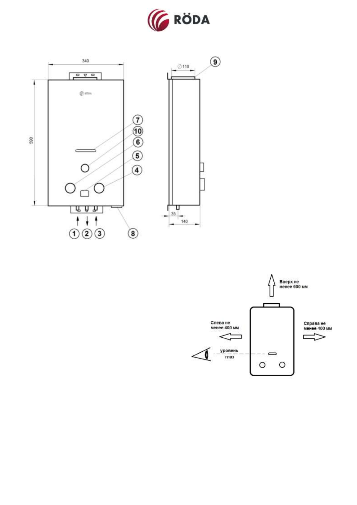
Моделі А3/А4/А5/A6 (кольорова або срібляста передня панель)
1- Підключення газу, 1/2"
2- Вихід гарячої води, 1/2"
3- Вхід холодної води, 1/2"
4- Ручка регулювання
температури води (протоку)
5- Дисплей
6- Ручка регулювання
потужності пальника
7- Отвір для візуального
контролю полум’я
8- Відсік для елементів
живлення
9- Патрубок димоходу
10- Регулятор «зима-літо»
1. При виборі висоти установки приладу
розташовуйте його таким чином, щоб отвір
контролю полум'я був на рівні очей.
2. Відстані з боків і зверху повинні
забезпечувати легкий доступ до апарату
для його обслуговування.
3. Переконайтеся, що апарат буде
вивішений вертикально.
4. Для кріплення приладу на стіні
передбачено дві монтажні планки. Верхня і
нижня планки мають по три отвори для
кріпильних болтів.
5. Для кріплення використовуйте сталеві
болти.
Содержание
- 23 Данный водонагреватель не предназначен для работы на; Внимание; . Подключение к газовой магистрали выполняют только
- 24 Номинальное давление природного газа в магистрали – 130 мм. вод. ст.; Установка дымохода для отвода продуктов сгорания.; Дымоходная труба должна иметь внутренний диаметр не менее 110 мм.
- 26 Подготовка перед включением:; Открыть кран подачи газа на водонагреватель; Регулирование температуры горячей воды.; Для регулирования температуры горячей воды:; Защита от замерзания.
- 28 Типичные проблемы и их решения.
- 30 Функциональна схема водонагревателя.
- 31 Технические характеристики.
Характеристики
Остались вопросы?Не нашли свой ответ в руководстве или возникли другие проблемы? Задайте свой вопрос в форме ниже с подробным описанием вашей ситуации, чтобы другие люди и специалисты смогли дать на него ответ. Если вы знаете как решить проблему другого человека, пожалуйста, подскажите ему :)