Водонагреватели Roda JSD-20A8 - инструкция пользователя по применению, эксплуатации и установке на русском языке. Мы надеемся, она поможет вам решить возникшие у вас вопросы при эксплуатации техники.
Если остались вопросы, задайте их в комментариях после инструкции.
"Загружаем инструкцию", означает, что нужно подождать пока файл загрузится и можно будет его читать онлайн. Некоторые инструкции очень большие и время их появления зависит от вашей скорости интернета.

21
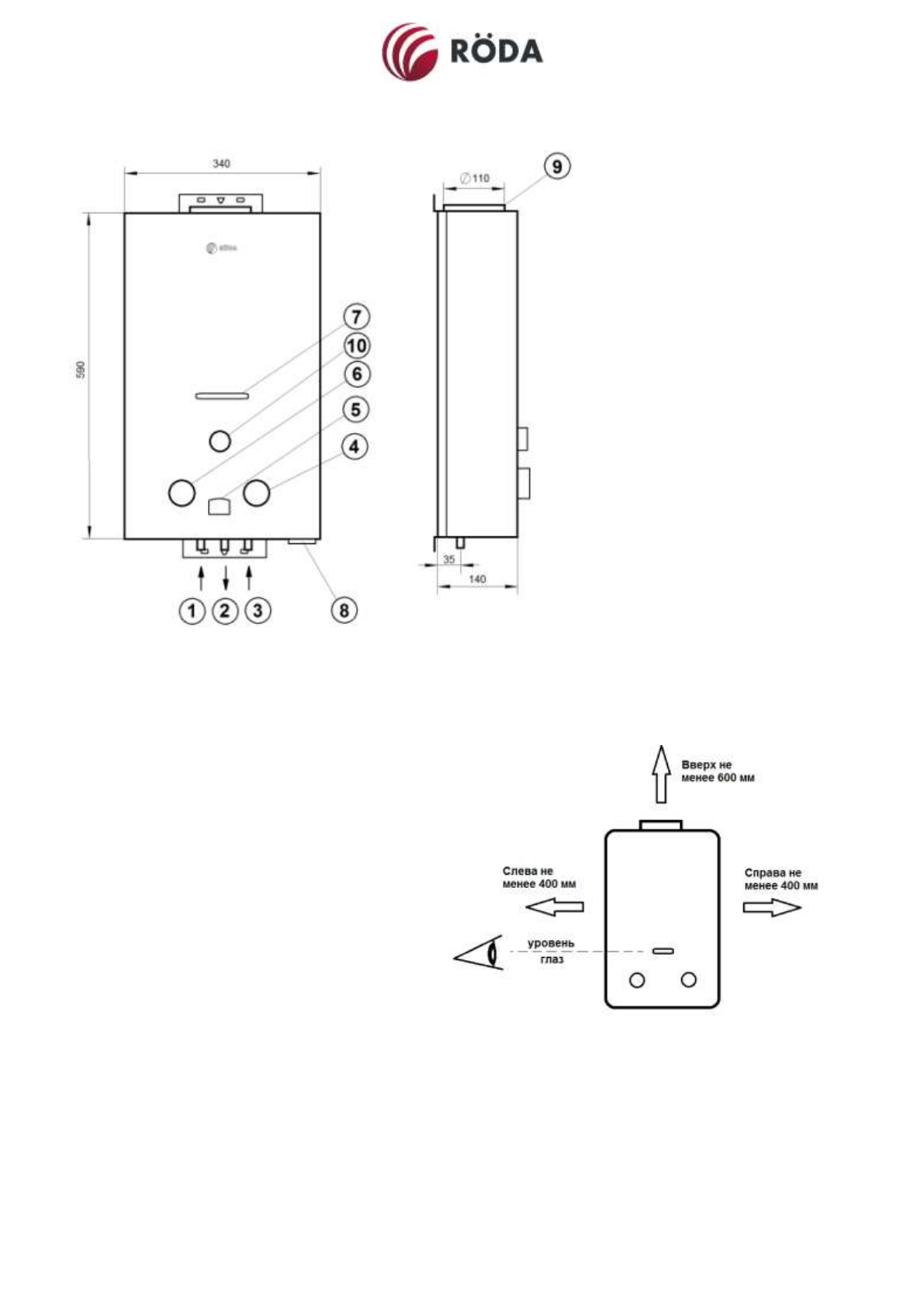
Внешний вид модели А3/А4/А5/А6 (цветное или серебристое исполнение передней
панели)
1- Подключение газа,
1/2"
2- Выход горячей воды,
1/2"
3- Вход холодной воды
1/2"
4- Ручка регулировки
температуры воды
(протока)
5- Дисплей
6- Ручка регулировки
мощности горелки
7- Смотровое окно
8- Отсек для элементов
питания
9- Патрубок дымохода
10- Регулятор «зима-
лето»
1. При выборе высоты установки
прибора располагайте его таким
образом, чтобы смотровое окно
наличия пламени было на уровне глаз.
2. Расстояния с боков и сверху должны
давать легкий доступ к аппарату для
его обслуживания.
3. Убедитесь, что аппарат будет
вывешен вертикально.
4. Для крепления прибора на стене
предусмотрено две монтажные планки.
Верхняя и нижняя планки имеют по три
отверстия для крепежных болтов.
5. Для крепежа используйте стальные
болты.
6. Если стена, отведенная под
установку водонагревателя, состоит из
Содержание
- 23 Данный водонагреватель не предназначен для работы на; Внимание; . Подключение к газовой магистрали выполняют только
- 24 Номинальное давление природного газа в магистрали – 130 мм. вод. ст.; Установка дымохода для отвода продуктов сгорания.; Дымоходная труба должна иметь внутренний диаметр не менее 110 мм.
- 26 Подготовка перед включением:; Открыть кран подачи газа на водонагреватель; Регулирование температуры горячей воды.; Для регулирования температуры горячей воды:; Защита от замерзания.
- 28 Типичные проблемы и их решения.
- 30 Функциональна схема водонагревателя.
- 31 Технические характеристики.
Характеристики
Остались вопросы?Не нашли свой ответ в руководстве или возникли другие проблемы? Задайте свой вопрос в форме ниже с подробным описанием вашей ситуации, чтобы другие люди и специалисты смогли дать на него ответ. Если вы знаете как решить проблему другого человека, пожалуйста, подскажите ему :)