Водонагреватели Polaris PS 50Vr - инструкция пользователя по применению, эксплуатации и установке на русском языке. Мы надеемся, она поможет вам решить возникшие у вас вопросы при эксплуатации техники.
Если остались вопросы, задайте их в комментариях после инструкции.
"Загружаем инструкцию", означает, что нужно подождать пока файл загрузится и можно будет его читать онлайн. Некоторые инструкции очень большие и время их появления зависит от вашей скорости интернета.

Внимание!
Только когда аппарат заполнен водой полностью, можно
включать в электрическую сеть нагревательный элемент.
                                  
 
                                                         
 
 
 
 
 
 
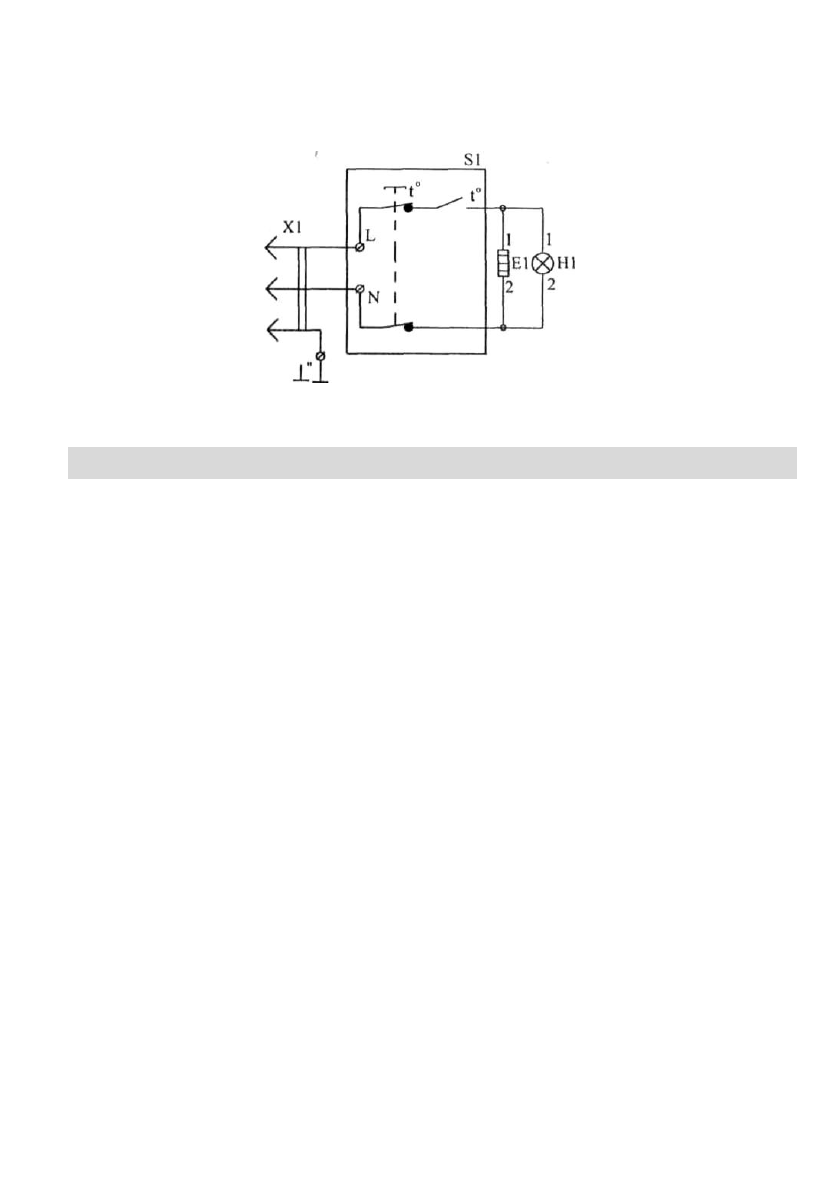
Рисунок 5 Схема электрическая принципиальная водонагревателя
6. Порядок работы
Первое (проверочное) включение
При изучении порядка включения водонагревателя необходимо
руководствоваться рисунками 1, 4.
Заполнить водонагреватель холодной водой. Для этого: 
- закрыть запорный вентиль горячей воды из магистрали; 
- открыть запорный вентиль холодной воды из магистрали; 
- открыть вентиль подвода холодной воды к водонагревателю; 
- открыть вентиль горячей воды; 
-  открыть  кран  горячей  воды  потребителя  (в  дальнейшем  -  кран 
горячей воды); 
-
При  полном  заполнении  водонагревателя  водой  вода  начнет 
вытекать из крана горячей воды. 
Внимание!
Включение водонагревателя при неполном его заполнении
водой  может  привести  к  серьёзным  повреждениям  нагревательного 
элемента. 
Включить водонагреватель в электросеть.
Проверить  первый  режим  "нагрев-отключение":  по  достижении 
установленной  температуры  нагрева  воды,  термостат  должен 
отключить нагрев, контрольная лампочка погаснуть. 
Отключить водонагреватель от сети.
Характеристики
Остались вопросы?Не нашли свой ответ в руководстве или возникли другие проблемы? Задайте свой вопрос в форме ниже с подробным описанием вашей ситуации, чтобы другие люди и специалисты смогли дать на него ответ. Если вы знаете как решить проблему другого человека, пожалуйста, подскажите ему :)
 
  
  
  
  
  
  
  
  
  
  
  
  
  
  
  
  
  
  
  
  
  
 











