Водонагреватели Neva Lux 6014 - инструкция пользователя по применению, эксплуатации и установке на русском языке. Мы надеемся, она поможет вам решить возникшие у вас вопросы при эксплуатации техники.
Если остались вопросы, задайте их в комментариях после инструкции.
"Загружаем инструкцию", означает, что нужно подождать пока файл загрузится и можно будет его читать онлайн. Некоторые инструкции очень большие и время их появления зависит от вашей скорости интернета.

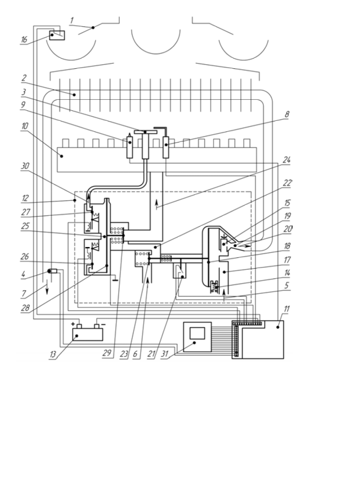
1 –
газоотводящее
устройство
; 2 –
теплообменник
; 3 –
запальная
горелка
; 4 –
датчик
температуры
воды
;
5 –
подвод
холодной
воды
; 6 –
подвод
газа
; 7 –
отвод
горячей
воды
; 8 –
датчик
наличия
пламени
;
9 –
свеча
; 10 –
основная
горелка
; 11 –
регулятор
розжига
; 12 –
водогазовый
узел
; 13 –
батарейный
отсек
;
14 –
пробка
для
слива
воды
; 15 –
кран
расхода
воды
; 16 –
термореле
; 17 –
водяной
узел
;
18 –
мембрана
водяного
узла
; 19 –
штуцер
Вентури
; 20 –
выход
холодной
воды
на
теплообменник
;
21 –
датчик
протока
воды
; 22 –
газовый
узел
; 23 –
газовый
клапан
,
управляемый
водяным
узлом
;
24 –
выход
газа
на
основную
горелку
; 25 –
блок
клапанов
;
26 –
электромагнитный
сервоклапан
(
нормально
открытый
);
27 –
электромагнитный
клапан
запальной
горелки
(
нормально
закрытый
);
28 –
мембрана
блока
клапанов
; 29 –
двухступенчатый
газовый
клапан
основной
горелки
;
30 –
выход
газа
на
запальную
горелку
; 31 –
плата
дисплея
(
индикатора
температуры
).
Рисунок
3.
Функциональная
схема
аппарата