Водонагреватели Kospel Bonus electronic KDE-18 - инструкция пользователя по применению, эксплуатации и установке на русском языке. Мы надеемся, она поможет вам решить возникшие у вас вопросы при эксплуатации техники.
Если остались вопросы, задайте их в комментариях после инструкции.
"Загружаем инструкцию", означает, что нужно подождать пока файл загрузится и можно будет его читать онлайн. Некоторые инструкции очень большие и время их появления зависит от вашей скорости интернета.

9
RUS-020B/
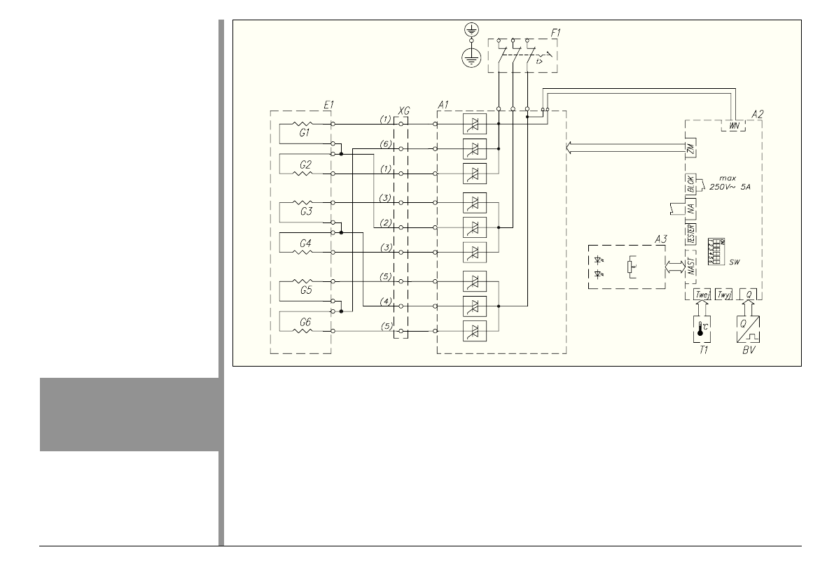
Рис.9 Принципиальная схема
Е1 - нагревательный блок [1]
BV - датчик протока воды [2]
F - т е рм и ч ес к и й в ы к л юч а -
тель WT3 [3]
XG - планка подключения на-
гревательного блока
А1 - плата мощности
А2 - плата управления
А3 - плата индикаторов
Т1 - д а т ч и к т е м п е р а т у р ы
воды на входе
NA - б л о к и р о в к а в к л юч е н и я
водонагревателя
BLOK - зажимы реле сигнализа-
ции нагрева
Устранение вышеперечисленных причин неправильной работы водонагревателя не входит в перечень
работ гарантийного ремонта. В случае аварии (т.е. если водонагреватель работает неправильно, и ни
одна из вышеназванных причин не обнаружена) следует обратиться в сервисный центр для устранения
неисправностей.
- повреждение электропроводки источника питания или неправильное
подсоединение патрубков вход-выход,
- слабый нагрев или его отсут-
ствие
- ошибка соединения, отсутствие 3 фаз,
- повреждение электропроводки питания,
- не горят индикаторы
Крышку водонагревателя
можно снимать только
после отключения водона-
гревателя от сети.
Возможные неисправности и их вероятные причины:
- слабый проток воды
- засоренный сетчатый фильтр, не до конца открыты регулировочные
клапаны системы.
Неправильная
работа
устройства
9
L1 L2 L3
Разрыв цепи (NA)
- блокада включения
водонагревателя
Уст
ановка
прирост
а
те
мперат
уры
зеленый
красный

