Водонагреватели Hyundai H-SWS2-50H-UI074 - инструкция пользователя по применению, эксплуатации и установке на русском языке. Мы надеемся, она поможет вам решить возникшие у вас вопросы при эксплуатации техники.
Если остались вопросы, задайте их в комментариях после инструкции.
"Загружаем инструкцию", означает, что нужно подождать пока файл загрузится и можно будет его читать онлайн. Некоторые инструкции очень большие и время их появления зависит от вашей скорости интернета.

33.
Электрический накопительный водонагреватель
RU
СЕРТИФИКАЦИЯ
При отсутствии копии нового сертификата в коробке, спрашивайте копию у продавца.
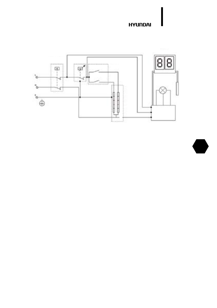
ЭЛЕКТРИЧЕСКАЯ ПРИНЦИПИАЛЬНАЯ СХЕМА
ограничитель
температуры
переключатель режимов мощности
индикаторная
лампа
да
тчик
тем
пера
ту
ры
нагрев
ат
ельный э
лем
ент
дисплей
термостат
силовая плата
индикации
Содержание
- 18 Содержание
- 19 ВВЕДЕНИЕ; Описание
- 20 Внешний вид
- 21 Устройство
- 22 Технические параметры
- 24 ПРАВИЛА БЕЗОПАСНОЙ ЭКСПЛУАТАЦИИ И; Безопасность детей и лиц с ограниченными физическими; Общие правила безопасности; Безопасность и предостережения при установке
- 25 Безопасность и предостережения при
- 26 Монтаж; УСТАНОВКА
- 27 Подключение к водопроводной сети
- 28 ЭКСПЛУАТАЦИЯ; Подключение к электрической сети
- 30 ОБСЛУЖИВАНИЕ
- 32 Неисправность; ПОИСК И УСТРАНЕНИЕ НЕИСПРАВНОСТЕЙ
- 33 СЕРТИФИКАЦИЯ
- 34 УВАЖАЕМыЙ ПОКУПАТЕЛЬ!
- 37 Гарантийные обязательства
- 38 Заполнение гарантийного талона
- 39 Изготовитель оставляет за собой право:; Общие правила установки, подключения и запуска в
- 40 Гарантийные обязательства не распространяются на
- 41 Изготовитель не несет гарантийных обязательств за изделие; Особые условия гарантийного обслуживания для отдельных
- 42 Водонагревательное оборудование
- 44 Кондиционеры, устройства с компрессором
- 45 Электрические обогреватели
- 46 Cтандартные гарантийные сроки для изделий,; Кондиционеры воздуха:
- 49 Сведения об установке изделия
- 53 Профилактическое обслуживание изделия.
- 55 Вниманию покупателей!