Водонагреватели Hyundai H-SWE5-100V-UI404 - инструкция пользователя по применению, эксплуатации и установке на русском языке. Мы надеемся, она поможет вам решить возникшие у вас вопросы при эксплуатации техники.
Если остались вопросы, задайте их в комментариях после инструкции.
"Загружаем инструкцию", означает, что нужно подождать пока файл загрузится и можно будет его читать онлайн. Некоторые инструкции очень большие и время их появления зависит от вашей скорости интернета.
Загружаем инструкцию

17.
Электрический накопительный водонагреватель
RU
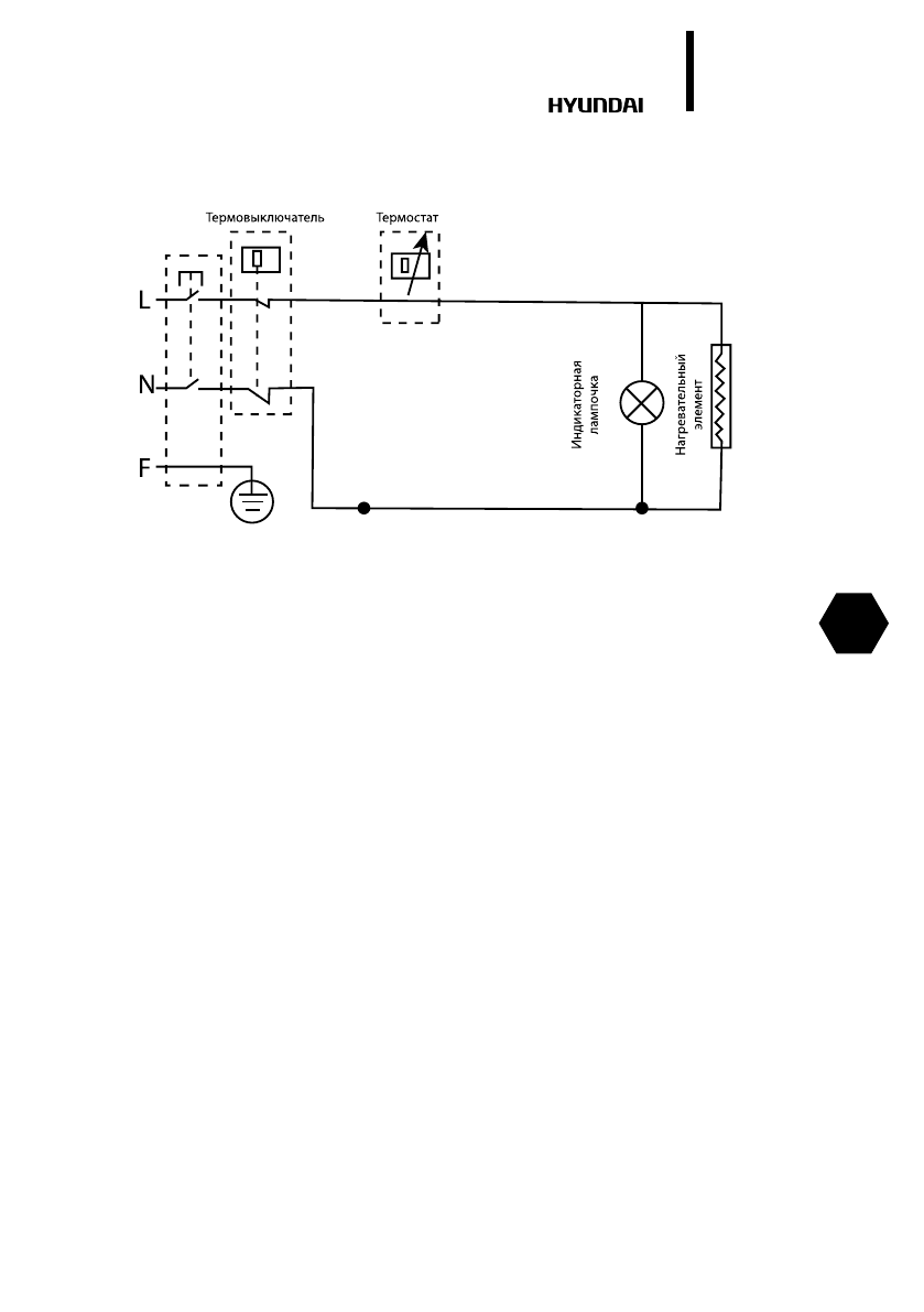
ЭЛЕКТРИЧЕСКАЯ ПРИНЦИПИАЛЬНАЯ СХЕМА
нагрева
Содержание
- 2 Содержание
- 3 ВВЕДЕНИЕ; Описание
- 4 Расшифровка артикула; Внешний вид. Серия Niagara
- 5 Внешний вид. Серия Utta
- 6 Устройство водонагревателей серий Niagara и Utta; Комплектация водонагревателей серий Niagara и Utta
- 7 Технические параметры водонагревателей серий Niagara и Utta
- 8 ПРАВИЛА БЕЗОПАСНОЙ ЭКСПЛУАТАЦИИ И; Безопасность детей и лиц с ограниченными физическими; Общие правила безопасности
- 9 Безопасность и предостережения при установке; Безопасность и предостережения при эксплуатации; ВНИМАНИЕ!
- 10 Утилизация; УСТАНОВКА; Монтаж
- 11 Подключение к водопроводной сети
- 12 Подключение к электрической сети
- 13 ЭКСПЛУАТАЦИЯ
- 14 ОБСЛУЖИВАНИЕ
- 16 Неисправность; ПОИСК И УСТРАНЕНИЕ НЕИСПРАВНОСТЕЙ
- 18 УВАЖАЕМЫЙ ПОКУПАТЕЛЬ!
- 21 Гарантийные обязательства
- 22 Гарантийный срок действителен для изделий, произведен
- 23 Досрочное прекращение гарантийного обслуживания.
- 24 Гарантийные обязательства не распространяются на
- 25 Гарантийные обязательства Изготовителя не распространяются
- 29 Бланк гарантийного талона; Без подписи покупателя на странице 28 Гарантийный талон
- 33 Профилактическое обслуживание изделия.
- 35 Вниманию покупателей!