Водонагреватели Hyundai H-SWE3-100V-UI304 - инструкция пользователя по применению, эксплуатации и установке на русском языке. Мы надеемся, она поможет вам решить возникшие у вас вопросы при эксплуатации техники.
Если остались вопросы, задайте их в комментариях после инструкции.
"Загружаем инструкцию", означает, что нужно подождать пока файл загрузится и можно будет его читать онлайн. Некоторые инструкции очень большие и время их появления зависит от вашей скорости интернета.
Загружаем инструкцию

32.
Электрический накопительный водонагреватель
RU
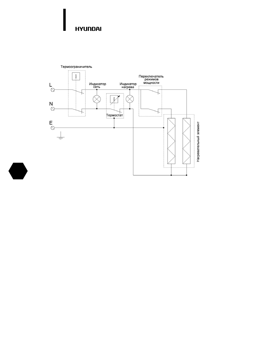
7. ЭЛЕКТРИЧЕСКАЯ ПРИНЦИПИАЛЬНАЯ СХЕМА
Содержание
- 2 Electrical storage water heater; Instruction manual
- 18 Содержание
- 19 ВВЕДЕНИЕ; Описание
- 22 Технические параметры; Серия прибора
- 23 Габаритные и установочные размеры; ПРАВИЛА БЕЗОПАСНОЙ ЭКСПЛУАТАЦИИ И
- 25 Безопасность и предостережения при; УТИЛИЗАЦИЯ
- 26 Монтаж
- 27 Подключение к водопроводной сети
- 28 Подключение к электрической сети
- 32 Неисправность; ПОИСК И УСТРАНЕНИЕ НЕИСПРАВНОСТЕЙ
- 34 УВАЖАЕМыЙ ПОКУПАТЕЛЬ!
- 36 Гарантийные обязательства
- 37 Заполнение гарантийного талона
- 38 Изготовитель оставляет за собой право:; Общие правила установки, подключения и запуска в
- 39 Гарантийные обязательства не распространяются на
- 40 Изготовитель не несет гарантийных обязательств за изделие; Особые условия гарантийного обслуживания для отдельных
- 41 Водонагревательное оборудование
- 43 Кондиционеры, устройства с компрессором
- 44 Электрические обогреватели
- 45 Cтандартные гарантийные сроки для изделий,; Накопительные водонагреватели:; Кондиционеры воздуха:
- 48 Сведения об установке изделия
- 52 Профилактическое обслуживание изделия.
- 54 Вниманию покупателей!