Водонагреватели Gorenje GBK150RNB6 - инструкция пользователя по применению, эксплуатации и установке на русском языке. Мы надеемся, она поможет вам решить возникшие у вас вопросы при эксплуатации техники.
Если остались вопросы, задайте их в комментариях после инструкции.
"Загружаем инструкцию", означает, что нужно подождать пока файл загрузится и можно будет его читать онлайн. Некоторые инструкции очень большие и время их появления зависит от вашей скорости интернета.

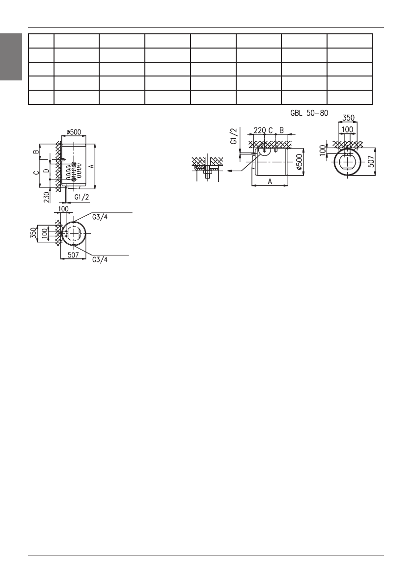
16
GBL 50
GBL 80
GBK 80
GBK 100
GBK 120
GBK 150
GBK 200
A
583
803
803
948
1103
1318
1510
B
187
207
207
202
207
222
430
C
145
345
565
715
865
1065
1050
D
340
416
416
416
416
Connection and installation dimensions [mm].
GBK 80 - 200
CONNECTION TO THE WATER SUPPLY SYSTEM
Inlet and outlet of water are on the water heater pipes marked with colour. The
supply of cold water is marked with blue, the outlet of warm water is marked with
red.
The water heater can be connected to the water supply in two manners. Closed
pressure system of connection enables the outlet of water on several outlet spots,
non-pressure system enables only one outlet point. With regard to the system of
connection chosen, also the suitable mixing taps must be purchased. By open non-pressure system it must before the
water heater a safety valve be built-in preventing the running of water of the tank if in the network the water runs short.
By this system of connection, the cross-flow mixing tap must be used. In the water heater, due to the heating the volume
of water is increasing, which causes the dropping of water of the mixing tap pipe. By strong squeezing of knob of the
mixing tap the dropping of water can not be prevented, but the mixing tap can only be damaged. By closed pressure
system of connection on the outlet spots the pressure mixing tap must be used. For safety reasons the supply pipe must
be fitted with a return safety valve or alternatively, a valve of the safety class that prevents the pressure in the tank from
exceeding the nominal pressure by more than 0.1 MPa.
By heating of water in the water heater the pressure of water in the tank is increasing to the limit which is adjusted in the
safety valve. Because the return of water back to the water supply is prevented, dropping of water from outlet opening of
the safety valve can occur. The dropping water may be let to the outlet over an intercepting accessory which is placed
under the safety valve. In order to do this you should first unscrew the protective cover off the water heater. In case the
existing plumbing does not enable you to pipe the dripping water from the return safety valve into the drain, you can
avoid the dripping by installing a 3-litre expansion tank on the inlet water pipe of the boiler.
You should ensure that the return safety valve is functioning properly by checking it on a regular basis i.e. every 14
days. To check the valve, you should open the outlet of the return safety valve by turning the handle or unscrewing
the nut of the valve (depending on the type of the valve). The valve is operating properly if the water comes out of the
nozzle when the outlet is open.
Between the water heater and safety valve no closing valve may be built-in because it would
disable the operation of non-return safety valve.
The water heater may be connected to the water supply in the house without reduction valve if the pressure in the
network is lower than 0.5 MPa. If the pressure in the network surpasses 1.0 MPa, two reduction valves must be built-in,
one after another.
Prior to the electric connection, the water heater must mandatorily be filled with water. By first filling the tap for the
hot water upon the mixing tap must be opened. When the heater is filled with water, the water starts to run through the
outlet pipe of the mixing tap.
Right connection
Left connection
GB
Содержание
- 11 Уважаемый покупатель, благодарим Вас за покупку нашего изделия.; монтдж; ТЕХНИЧЕСКИЕ ХАРАКТЕРИСТИКИ АППАРАТА; входящей температуре холодной воды из водопровода 15°C.; ТЕХНИЧЕСКИЕ ХАРАКТЕРИСТИКИ ТЕПЛООБМЕННИКА; US
- 12 Соединительные и монтажные размеры водонагревателя [мм]; ПОДКЛЮЧЕНИЕ K ВОДОПРОВОДУ; от выбранной системы подключения. B открытой проточной системе
- 13 ПОДKЛЮЧЕНИЕ K ЭЛЕКТРОСЕТИ
- 14 ИСПОЛЬЗОВАНИЕ И УХОД













