Водонагреватели Gorenje GBK150LNB6 - инструкция пользователя по применению, эксплуатации и установке на русском языке. Мы надеемся, она поможет вам решить возникшие у вас вопросы при эксплуатации техники.
Если остались вопросы, задайте их в комментариях после инструкции.
"Загружаем инструкцию", означает, что нужно подождать пока файл загрузится и можно будет его читать онлайн. Некоторые инструкции очень большие и время их появления зависит от вашей скорости интернета.

28
GBL 50
GBL 80
GBK 80
GBK 100
GBK 120
GBK 150
GBK 200
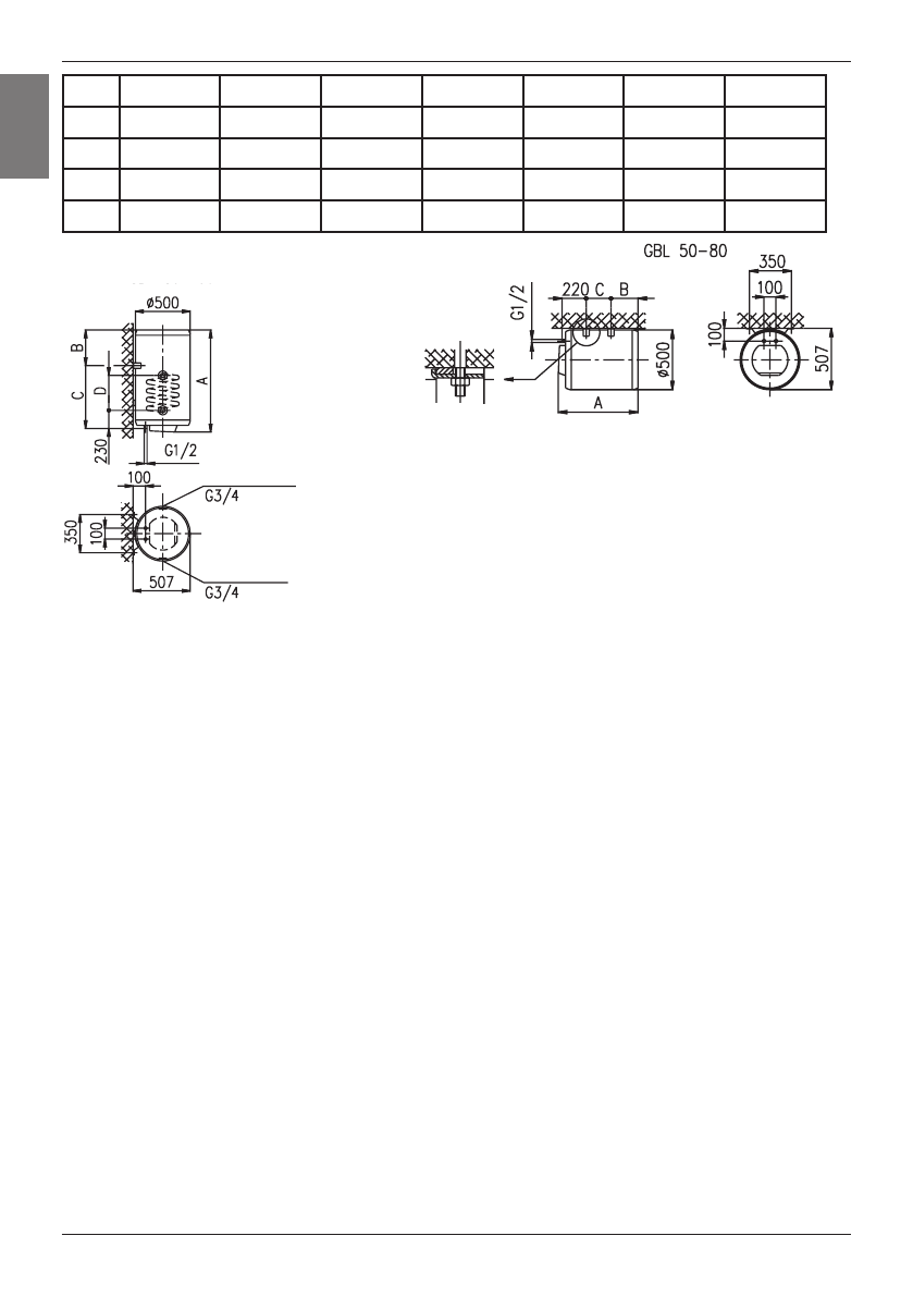
A
583
803
803
948
1103
1318
1510
B
187
207
207
202
207
222
430
C
145
345
565
715
865
1065
1050
D
340
416
416
416
416
Размер на уреда за монтаж и включване в мм.
GBK 80 - 200
ВОДНА ВРЪЗКА
Входът и изходът за водата са маркирани c различен цвят на тръбите на
бойлера. Входът за студената вода e маркиран със синьо, a изходът за топлата
- c червено. Бойлерът може да бъде свързан към водата по два начина.
Свързването чрез затворена система под налягане позволява захранване на
няколко чешми едновременно, докато тазы без налягане - само на едка. B
съответствие c избрания начин трябва да се поставят и подходящи кранове.
При свързване в отворена система без налягане, преди бойлера трябва да се
монтира защитна клапа, която да не позволява изтичане на вода от резервоара на бойлеpа, когато водата e
централно спряна. При тазы система на свързване да се използва кран, които позволява свободно протичане
на водата. Поради разширяването на водата при загряване, налягането в корпуса се увеличава, коего довежда
до прокапване на вода от смесителния кран. Ако се опитвате да затегнете крана, за да спрете капещата вода,
може само да го повредите, без да постигнете желания резултат.
При затворена система на свързване кранът, който се използва, трябва да бъде под налягане. На входната
тръба, поради безопасност, задължително трябва да се сложи вентиля или груда, която џе предпазва налягане
в нагревателя да не се качи за повече от 0.1 МПа от позволено. При загряване на водата в бойлера налягането
в резервоара се повишава и достига стойност, която се установява от защитната клала. Връщане на вода
обратно в системата не e възможно, вследствие на коего капни вода могат да кадят от крана. Капещата вода
може да бъде спряна от аксесоар, намиращ се под защитната клала. Между бойлера и не възвръщащата се
клала не може да бъде монтирана затваряща клала. Изходната тряба трябва да се сложи изпод вентиля на
безопасност, тябва да e насочена право надолу, в среда която не замързва.
Когато поради неудобна инсталация няма възможност, водата която кали от обратен вентил за безопасност,
да се прекара в канал, може вместо тога да се огради експанзионен съд съдържащ З л вода върху тръбата на
нагревателя. Зa да се подсигури правилна работа на обратен вентил за безопасност, трябва да се провежда
редовен контрол през осеки 2 седмици. При проверка c движение на ръчка или одвиване на гайка (зависи от
модела) вентил за безопасност трябва да се отвори. От него трябва да изтече вода, коего означава че вентилът
работы без грешка.
He бива да поставяте вентил за спиране между бойлера и обезопасяващия вентил, защото ще направите
невъзможно действието на обезопасяващия вентил.
Бойлерът може да бъде монтиран без да се използва редуцир вентил, ако налягането в мрежата e по-малко
от 0,5 МПа. Ако налягането в мрежата надвиши 1,0 МПа, трябва да се монтират два редуцир вентиля един
след друг.. Преди да свържете в електрическата мрежа, напълнете бойлера c вода. При първо пълнене на
водата, кранът за топлата вода трябва да бъде отворен. Когато бойлерът e пълен, вода започва да изтича от
смесителния кран.
Pravá přípojka
Levá přípojka
BG
Содержание
- 11 Уважаемый покупатель, благодарим Вас за покупку нашего изделия.; монтдж; ТЕХНИЧЕСКИЕ ХАРАКТЕРИСТИКИ АППАРАТА; входящей температуре холодной воды из водопровода 15°C.; ТЕХНИЧЕСКИЕ ХАРАКТЕРИСТИКИ ТЕПЛООБМЕННИКА; US
- 12 Соединительные и монтажные размеры водонагревателя [мм]; ПОДКЛЮЧЕНИЕ K ВОДОПРОВОДУ; от выбранной системы подключения. B открытой проточной системе
- 13 ПОДKЛЮЧЕНИЕ K ЭЛЕКТРОСЕТИ
- 14 ИСПОЛЬЗОВАНИЕ И УХОД