Водонагреватели Gorenje GBK100RNB6 - инструкция пользователя по применению, эксплуатации и установке на русском языке. Мы надеемся, она поможет вам решить возникшие у вас вопросы при эксплуатации техники.
Если остались вопросы, задайте их в комментариях после инструкции.
"Загружаем инструкцию", означает, что нужно подождать пока файл загрузится и можно будет его читать онлайн. Некоторые инструкции очень большие и время их появления зависит от вашей скорости интернета.

32
R
O
GBL 50
GBL 80
GBK 80
GBK 100
GBK 120
GBK 150
GBK 200
A
583
803
803
948
1103
1318
1510
B
187
207
207
202
207
222
430
C
145
345
565
715
865
1065
1050
D
340
416
416
416
416
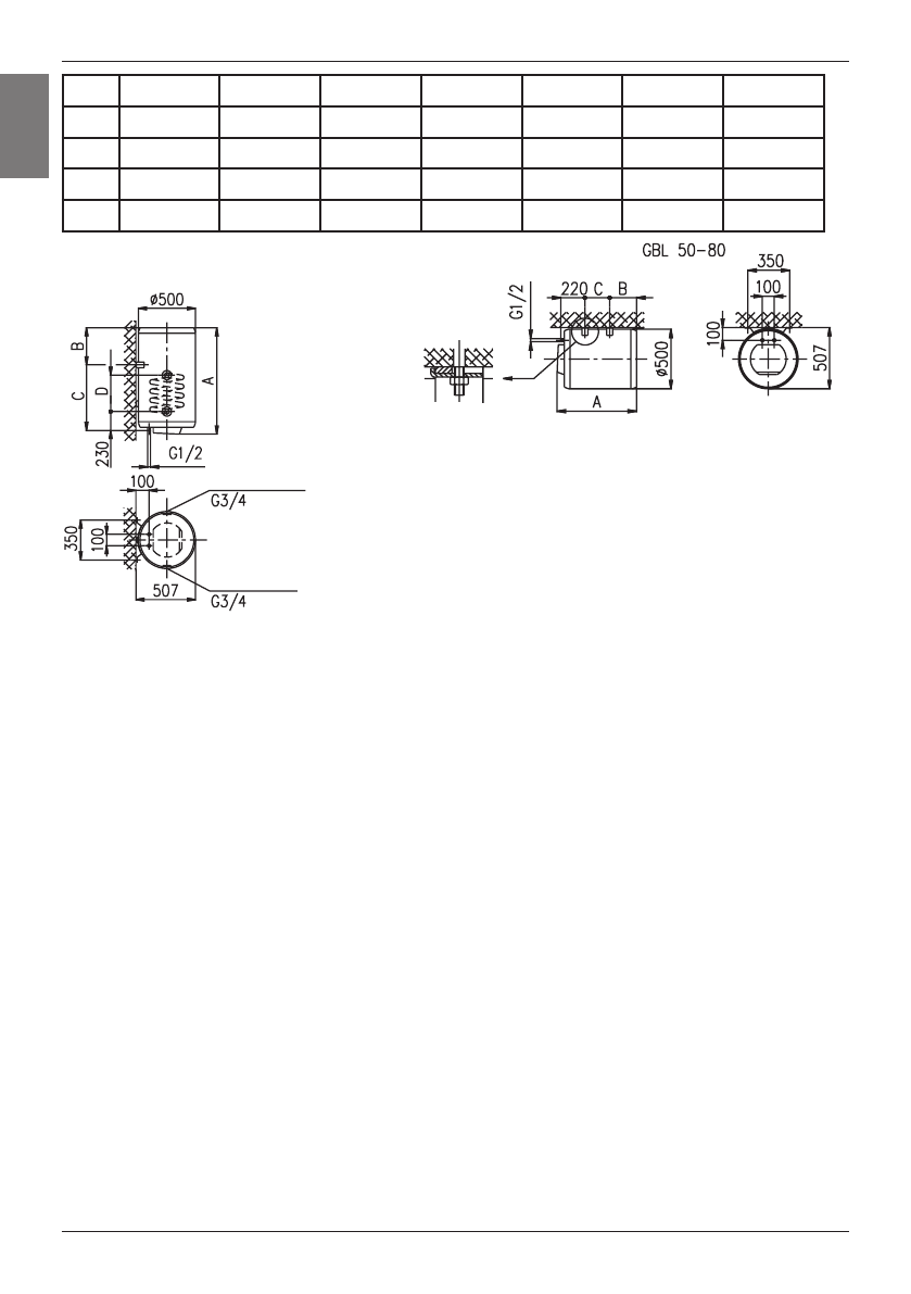
Măsurători de racordare şi montare a boilerului (mm).
GBK 80 - 200
BRANŞAREA LA REŢEAUA DE DISTRIBUIRE A APEI
Ţevile de alimentare cu apă şi de evacuare a apei din boiler sunt marcate cu culori
diferite. Ţeva de aducţiune a apei reci este marcată cu albastru, iar cea de evacuare a
apei calde cu roşu.
Boilerul poate fi racordat la reţeaua de alimentare cu apă în două moduri. Sistemul
închis de branşare sub presiune, permite distribuirea apei calde în mai multe locuri de
utilizare a acesteia deodată. În funcţie de sistemul de conectare ales se vor cumpăra
bateriile corespunzătoare. În cazul recurgerii la sistemul deschis, fără compresie, va
trebui montat un ventil de scurgere, care împiedică scurgerea apei din boiler în situaţiile
de lipsă de apă sau de întrerupere temporară a alimentării cu apă de la reţea. În cazul aplicării acestui sistem de branşare, se
impune utilizarea unei baterii de transvazare. Datorită încălzirii, volumul apei din boiler se măreşte, ccea ce provoacă picurarea
apei din ţeava bateriei. Strângerea până la refuz a robinetului nu opreşte picurarea, ci dimpotrivă, duce la deteriorarea bateriei.
În cazul sistemului închis de branşare sub presiune (racord de presiune), va trebui să folosiţi baterii sub presiune. Pentru a
se asigura o funcţionare lipsită de orice fel de riscuri, pe ţeava de intrare a apei în boiler va trebui obligatoriu să fie montat
un ventil sau un grup de siguranţă, prin care se va evita creşterea presiunii din cazan cu mai mult de 0,1 MPa peste valoarea
nominală. Încălzirea apei din boiler duce la creşterea presiunii până la limita fixată prin ventilul de siguranţă. Întrucât întoarcerea
apei în reţea este împiedicată, se poate întâmpla să înceapă să picure apă din orificiul de scurgere al ventilului de siguranţă.
Apa rezultată din picurare poate fi deviată în canalul de scurgere, prin intermediul unui manşon de captare, care va fi plasat
sub ventilul de siguranţă. Ţeava de evacuare a apei conectată la ventilul de siguranţă va trebui montată sub acesta, în poziţie
descendentă, avându-se grijă ca ea să se afle într-un loc ferit de îngheţ.
În cazul în care, din cauza instalării necorespunzătoare, nu aveţi posibilitatea să orientaţi apa care picură din ventilul de
siguranţă reversibil spre canalul de scurgere a apei, acumularea apei picurate poate fi evitată prin montarea unui sertar de
expansiune având capacitatea de 3 l, pe ţeava de alimentare cu apă a boilerului.
Pentru a asigura buna funcţionare a ventilului de siguranţă reversibil, va trebui să efectuaţi controale regulate la interval de
14 zile. La fiecare verificare, va trebui deschis orificiul de scurgere al ventilului de siguranţă reversibil; în funcţie de tipul de
ventil, acest lucru poate fi realizat fie cu ajutorul robinetului acestuia, fie prin deşurubarea piuliţei ventilului. Dacă în momentul
respectiv prin orificiul de scurgere al ventilului va începe să curgă apă, înseamnă că ventilul funcţionează impecabil.
Nu este permisă montarea unui robinet de închidere între boiler şi ventilul de siguranţă reductor
de presiune, întrucât aceasta ar împiedica funcţionarea acestuia din urmă.
Boilerul poate fi branşat la instalaţia domestică de alimentare cu apă fără ventilul de reducere, dacă presiunea din reţea este
mai mică de 0,5 MPa. Dacă presiunea din reţea depăşeşte 1,0 MPa, vor trebui montate două ventile de reducere unul după
altul. Înainte de a fi branşat la reţeaua electrică, boilerul va trebui obligatoriu umplut cu apă. la prima umplere se va deschide
robinetul de apă caldă al bateriei. Boilerul este umplut atunci când apa începe să curgă prin ţeava bateriei.
racord dreapta
racord stânga
Содержание
- 11 Уважаемый покупатель, благодарим Вас за покупку нашего изделия.; монтдж; ТЕХНИЧЕСКИЕ ХАРАКТЕРИСТИКИ АППАРАТА; входящей температуре холодной воды из водопровода 15°C.; ТЕХНИЧЕСКИЕ ХАРАКТЕРИСТИКИ ТЕПЛООБМЕННИКА; US
- 12 Соединительные и монтажные размеры водонагревателя [мм]; ПОДКЛЮЧЕНИЕ K ВОДОПРОВОДУ; от выбранной системы подключения. B открытой проточной системе
- 13 ПОДKЛЮЧЕНИЕ K ЭЛЕКТРОСЕТИ
- 14 ИСПОЛЬЗОВАНИЕ И УХОД













