Водонагреватели Gorenje GBK100RNB6 - инструкция пользователя по применению, эксплуатации и установке на русском языке. Мы надеемся, она поможет вам решить возникшие у вас вопросы при эксплуатации техники.
Если остались вопросы, задайте их в комментариях после инструкции.
"Загружаем инструкцию", означает, что нужно подождать пока файл загрузится и можно будет его читать онлайн. Некоторые инструкции очень большие и время их появления зависит от вашей скорости интернета.

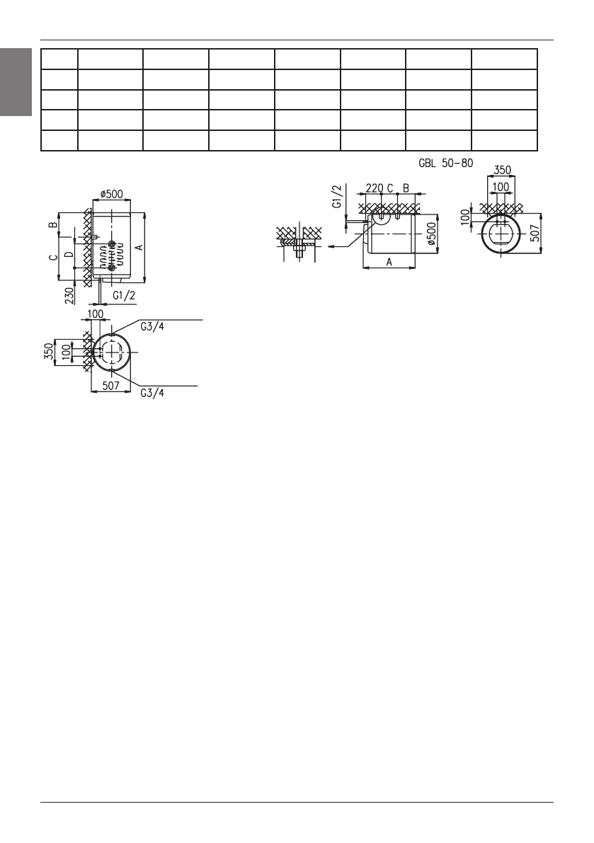
20
HR
GBL 50
GBL 80
GBK 80
GBK 100
GBK 120
GBK 150
GBK 200
A
583
803
803
948
1103
1318
1510
B
187
207
207
202
207
222
430
C
145
345
565
715
865
1065
1050
D
340
416
416
416
416
Priključne i montažne mjere (mm).
GBK 80 - 200
PRIKLJUČAK NA VODOVODNU MREŽU
Na grijalici su dovod i odvod vode označeni primjerenim bojama: dovod hladne
vode plavom - odvod tople vode crvenom bojom. Grijalicu je moguće priključiti
na vodovodnu mrežu na dva načina: zatvoreni (tlačni) sustav priključenja
omogućuje uzimanje vode na više potrošačkih mjesta, dok otvoreni, netlačni
sustav dopušta uzimanje vode samo na jednom potrošačkom mjestu. Glede na
odabrani sustav priključenja moramo odabrati i montirati primjerene baterije za
miješanje tople i hladne vode.
Kod otvorena sustava u grijalicu ispred grijača namjestimo sigurnosni ventil koji u slučaju nedotijecanja vode iz
vodovodne mreže spriječava istijecanje vode iz kotla grijalice. Za taj sustav priključenja upotrijebimo protočnu bateriju
za miješanje tople i hladne vode. Budući da se zagrijavanjem vode u grijalici prostornina vode povećava, voda iz cijevi
baterije kaplje. To ne možemo spriječiti, osobito ne snažnim zatezanjem ručice baterije, jer bismo je time oštetili.
Kod zatvorena (tlačnog) sustava priključenja na potrošačkim mjestima montiramo tlačne baterije za miješanje tople
i hladne vode. Na dovodnu cijev je potrebno zbog sigurnog rada ugraditi sigurnosni ventil ili sigurnosnu grupu koja
sprječava povišenje tlaka u kotliću više od 0,1 MPa iznad nominale.
Tijekom zagrijavanja vode tlak se u grijalici povećava do vrijednosti koja je podešena u sigurnosnom ventilu. Budući da
je povraćaj vode u vodovodnu mrežu spriječen, može doći do kapljanja iz otočnog otvora sigurnosna ventila; tu vodu
možemo usmjeriti u odvodnu cijev preko prihvatnog produžnog segmenta kojega smo montirali ispod sigurnosnog
ventila. Odvodna cijev koja se nalazi ispod ispusta sigurnosnog ventila mora biti postavljena vodoravno prema dolje u
okolini, u kojoj ne dolazi do smrzavanja.
U slučaju, da zbog neodgovarajuće izvedene instalacije nemate mogućnosti da vodu koja kaplje iz povratnog sigurnosnog
ventila sprovedete u odvod, kapanje možete izbjeći ugradnjom ekspanzijske posude volumena 3 l na dovodnu cijev
grijača.
Za pravilan rad povratnog sigurnosnog ventila sami morate izvodite redovite kontrole svakih 14 dana. Pri provjeravanju
morate pomicanjem ručke ili odvijanjem matice ventila (ovisno o tipu ventila) otvoriti istjecanje iz povratnog sigurnosnog
ventila. Pri tome mora kroz mlaznicu ventila za istjecanje priteći voda, što je znak, da je ventil besprijekoran.
Između aparata i sigurnosnog ventila ne smijemo ugraditi nepovratni ventil jer bismo
time onemogučili djelovanje prvoga.
Grijalicu možemo priključiti na kučnu vodovodnu mrežu bez redukcijskog ventila, ako je tlak u mreži niži od 0,5 MPa;
ukoliko pak tlak premašuje 1,0 MPa, moramo ugraditi zaporedno dva redukcijska ventila.
Bojler morate obvezno napuniti vodom prije priključenja na električnu mrežu. Kod prvog punjenja otvorite ručku sa
toplom vodom na miješalici. Bojler je napunjen kada voda proteče kroz cijev miješalice.
Desni prikljućak
Levi prikljućak
Содержание
- 11 Уважаемый покупатель, благодарим Вас за покупку нашего изделия.; монтдж; ТЕХНИЧЕСКИЕ ХАРАКТЕРИСТИКИ АППАРАТА; входящей температуре холодной воды из водопровода 15°C.; ТЕХНИЧЕСКИЕ ХАРАКТЕРИСТИКИ ТЕПЛООБМЕННИКА; US
- 12 Соединительные и монтажные размеры водонагревателя [мм]; ПОДКЛЮЧЕНИЕ K ВОДОПРОВОДУ; от выбранной системы подключения. B открытой проточной системе
- 13 ПОДKЛЮЧЕНИЕ K ЭЛЕКТРОСЕТИ
- 14 ИСПОЛЬЗОВАНИЕ И УХОД













