Водонагреватели Fondital WHPS BA 500 SS - инструкция пользователя по применению, эксплуатации и установке на русском языке. Мы надеемся, она поможет вам решить возникшие у вас вопросы при эксплуатации техники.
Если остались вопросы, задайте их в комментариях после инструкции.
"Загружаем инструкцию", означает, что нужно подождать пока файл загрузится и можно будет его читать онлайн. Некоторые инструкции очень большие и время их появления зависит от вашей скорости интернета.

16
5. OPERATION
This water heater is designed for DHW supply in residential or industrial applications.
It can be installed in any CH or solar panel heating system.
The water heater must be connected to the water supply via the cold water coupling and to DHW utilities via the hot water
coupling. When DHW is required, cold water enters the tank where it is heated to the temperature set on the thermostat, if
there is one.
The ideal setting is 60-65°C because this temperature guarantees the best performance of the water heater as well as:
- maximum hygiene
- cost effectiveness
- reduced scaling
DHW in the tank is heated by CH/solar heated water flowing through the heat exchangers.
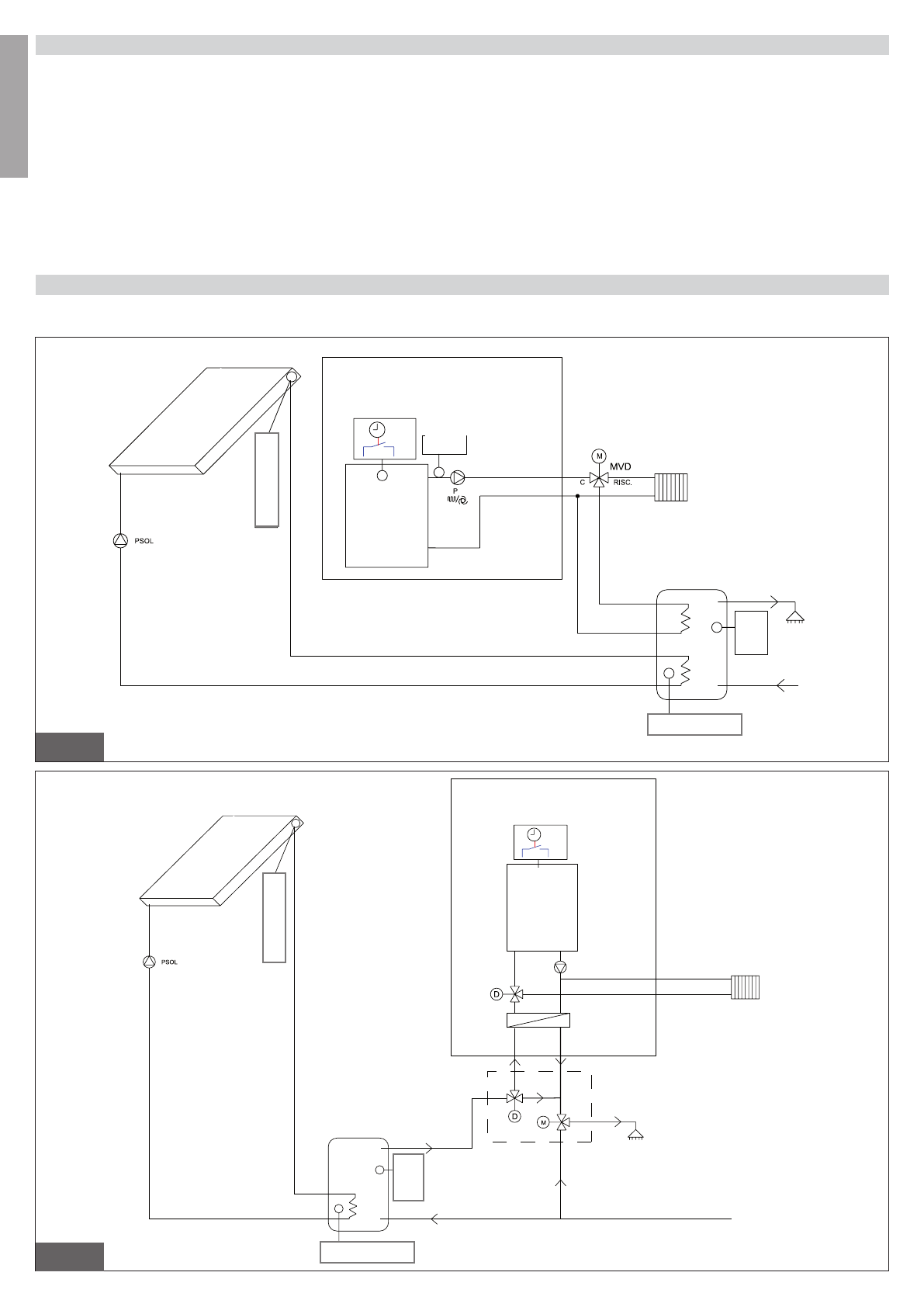
6. SAMPLE LAYOUTS
fig. 5
fig. 6
The examples given below are purely indicative.
For
ced cir
cula
tion
solar panel
For
ced cir
cula
-
tion solar panel
pr
obe on the c
ollec
tor side
max. length 100 m
pr
obe on the c
ollec
tor side
max. length 100 m
Flow probe
W
at
er
he
at
er
p
ro
be
(boiler)
HEAT
EXCHANGER
EXTERNAL BOILER
Burner
Burner
HEATING
HEATING
hot water
hot water
cold water
cold water
W
ATER HEA
TER
W
at
er hea
-
ter pr
obe
(boiler)
W
ATER HEA
TER
EXTERNAL BOILER
water heater probe
water heater probe
W
at
er
h
ea
te
r
pr
obe (boiler)
ENGLISH
HEAT