Водонагреватели Fondital WHPS BA 200 SS - инструкция пользователя по применению, эксплуатации и установке на русском языке. Мы надеемся, она поможет вам решить возникшие у вас вопросы при эксплуатации техники.
Если остались вопросы, задайте их в комментариях после инструкции.
"Загружаем инструкцию", означает, что нужно подождать пока файл загрузится и можно будет его читать онлайн. Некоторые инструкции очень большие и время их появления зависит от вашей скорости интернета.

24
5. ФУНКЦИОНИРОВАНИЕ
Данный водонагреватель обеспечивает эффективное снабжение горячей водой как для домашнего использования, так и для
индустриальных нужд.
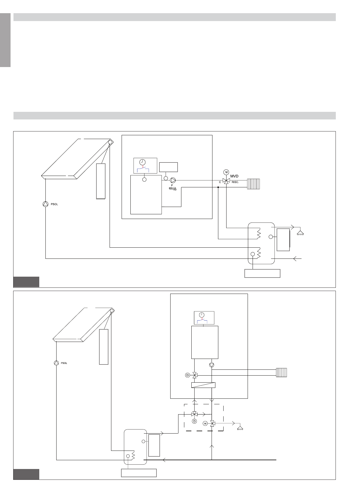
Он легко и без проблем подсоединяется к любому отопительному оборудованию или оборудованию, работающему на солнечной энергии.
Водонагреватель подключается к сети водоснабжения через разъём для холодной воды и к системе ГВС через разъём для горячей воды.
При водоразборе горячей воды холодная вода выдавливает горячую из водонагревателя в систему ГВС и нагревается до температуры,
выставленной на термостате (при наличии такового). Рекомендуется устанавливать температуру между 60 и 65°С, так как эта температура
обеспечивает наилучшие эксплуатационные качества устройства и в то же время гарантирует:
- Безопасность эксплуатации;
- Максимальную чистоту;
- Максимальную экономичность;
- Уменьшение образования накипи.
Нагрев воды для санитарно-бытовых нужд в водонагревателе осуществляется через теплообменники теплоносителем от системы
отопления или от солнечных коллекторов.
6. ПРИМЕРЫ ОБОРУДОВАНИЯ
рис. 5
рис. 6
Примеры, приведенные ниже, являются ориентировочными.
СО
ЛНЕ
ЧНАЯ ПАНЕ
ЛЬ
С ПРИНУ
ДИТЕ
ЛЬ
НОЙ
ЦИРК
УЛЯЦИЕЙ
For
ced cir
cula
-
tion solar panel
pr
obe on the c
ollec
tor side
max. length 100 m
термо
да
тчик к
ол
лек
тора
мак
с. д
лина 100 м
термодатчик
ПОДАЧИ
ТЕПЛО
ОБМЕННИК
HEAT
EXCHANGER
КОТЕЛ
Горелка
Burner
ОТОПЛЕНИЕ
ОТОПЛЕНИЕ
горячая вода
горячая вода
холодная вода
холодная вода
ВО
Д
ОНАГРЕВА
ТЕ
ЛЬ
W
at
er hea
-
ter pr
obe
(boiler)
ВО
Д
ОНАГРЕВА
ТЕ
ЛЬ
КОТЕЛ
термодатчик
водонагревателя
те
рм
од
ат
чи
к
во
до
на
гр
ев
ат
ел
я
(к
от
ла)
термодатчик
ПОДАЧИ
ТЕПЛО
ОБМЕННИК
Горелка
те
рм
од
ат
чи
к
во
до
на
гр
ев
ат
ел
я
(к
от
ла)
термодатчик
водонагревателя
со
лне
чна
я пане
ль
с прин
уди
те
льной
цирк
ул
яцией
термо
да
тчик к
ол
лек
тора
мак
с. д
лина 100 м
PУC
CKИЙ