Водонагреватели DEXP WH-ER100MNAN/W - инструкция пользователя по применению, эксплуатации и установке на русском языке. Мы надеемся, она поможет вам решить возникшие у вас вопросы при эксплуатации техники.
Если остались вопросы, задайте их в комментариях после инструкции.
"Загружаем инструкцию", означает, что нужно подождать пока файл загрузится и можно будет его читать онлайн. Некоторые инструкции очень большие и время их появления зависит от вашей скорости интернета.

.
Уважаемый покупатель!
Благодарим Вас за выбор продукции, выпускаемой под торговой маркой « DEXP». Мы рады
предложить Вам изделия, разработанные и изготовленные в соответствии с высокими требованиями
к качеству, функциональности и дизайну. Перед началом эксплуатации устройства внимательно
прочитайте данное руководство, в котором содержится важная информация, касающаяся Вашей
безопасности, а также рекомендации по правильному использованию устройства и уходу за ним.
Позаботьтесь о сохранности настоящего Руководства, используйте его в качестве справочного
материала при дальнейшем использовании устройства.
Меры предосторожности
Перед началом установки водонагревателя убедитесь в том, что электрическая розетка
надежно заземлена. Иначе водонагреватель нельзя устанавливать и использовать.
Не используйте удлинители. Неправильная установка и использование электрического
водонагревателя может вызвать серьезные травмы и повреждения имущества.
Электрическая розетка должна быть заземлена. Номинальный ток электрической розетки
должен быть не менее 10 А. Розетка и вилка должны находиться в сухом месте во избежание
поражения электрическим током.
Высота установки розетки до пола должна быть не менее 1.8 м.
Стена, на которую устанавливается водонагреватель, должна выдерживать нагрузку равную
двойному весу водонагревателя, наполненного водой, наличие трещин и деформаций на стене
не допускается. В противном случае необходимо принять дополнительные меры по усилению
стены.
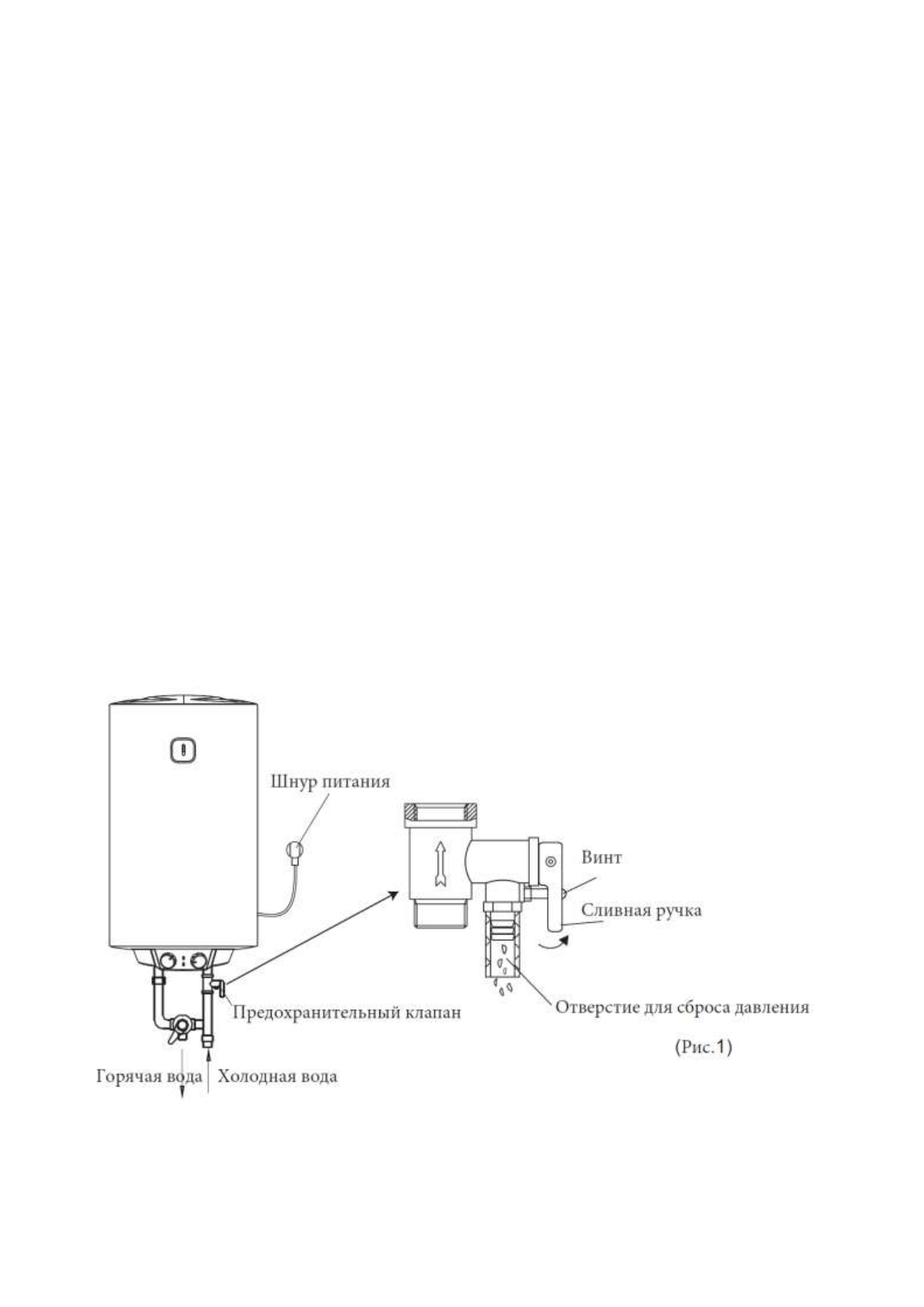
Предохранительный клапан, идущий в комплекте с водонагревателем, должен быть установлен
на впускной трубе холодной воды водонагревателя (см. рис. 1). Из отверстия для сброса
давления предохранительного клапана может вытекать вода, поэтому необходимо установить
дренажную трубку. Необходимо регулярно проверять и очищать предохранительный клапан, во
избежание его блокировки.
При первом использовании водонагревателя (или первом использовании после технического
обслуживания) нельзя включать водонагреватель, пока он полностью не наполнен водой. При
наполнении водой хотя бы один из выпускных клапанов водонагревателя должен быть открыт
для выпуска воздуха. Данный клапан необходимо закрыть после того, как водонагреватель будет
наполнен водой.