Водонагреватели De Dietrich BLС 300 EC606 100018090 - инструкция пользователя по применению, эксплуатации и установке на русском языке. Мы надеемся, она поможет вам решить возникшие у вас вопросы при эксплуатации техники.
Если остались вопросы, задайте их в комментариях после инструкции.
"Загружаем инструкцию", означает, что нужно подождать пока файл загрузится и можно будет его читать онлайн. Некоторые инструкции очень большие и время их появления зависит от вашей скорости интернета.

54
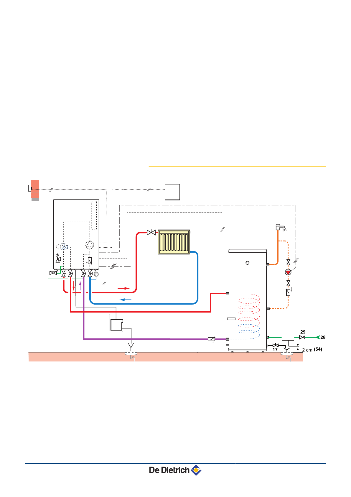
Окончание отводящего трубопровода должно быть
свободным и видимым на 2-4 см выше сливной
воронки
56
Циркуляция
57
Выход горячей санитарно-технической воды
64
Прямой контур отопления (например : радиаторы)
65
Контур отопления, который может быть
низкотемпературным (напольное или радиаторное
отопление)
67
Вентиль с ручной головкой
68
Система нейтрализации конденсата
4.7.2.
Пример с настенным котлом или
тепловым насосом
68
9
9
27
27
32
33
25
56
L000369-B
24
30
50
50Hz
230V
46
16
64
67
B
A
11
21
27
9
1
4
2
3
BLC 150...500
4. Установка
18/11/2015 - 300027311-04
18
Содержание
- 3 Защита
- 5 Общие правила техники безопасности; ОПАСНОСТЬ; Рекомендации; ВНИМАНИЕ
- 6 Ответственность; Ответственность производителя
- 9 Используемые символы; Используемые в инструкции символы; Сокращения
- 10 Сертификаты
- 11 Общее описание
- 12 Технические характеристики; Характеристики водонагревателя ГВС
- 13 Установка; Нормы и правила для установки; Упаковка; Стандартная поставка
- 14 Выбор места для установки; Идентификационная табличка; Размещение оборудования; Основные размеры; Список условных обозначений
- 16 Установка оборудования
- 17 Выравнивание; Установка датчика ГВС
- 18 Гидравлическая схема установки
- 20 Пример с напольным котлом
- 21 Гидравлическое подключение
- 22 Особые меры предосторожности; Предписание для Швейцарии; Расчёт размеров
- 23 Запорные вентили
- 24 Редуктор давления
- 25 Ввод в эксплуатацию оборудования
- 26 Качество санитарно-технической воды
- 27 Общие правила; Проверка предохранительного клапана или группы безопасности; Чистка обшивки
- 29 Снятие заглушек для чистки; Установка на место заглушек для чистки
- 31 Ведомость технического обслуживания
- 32 Запасные части; Общие сведения
- 35 ГАРАНТИИ
- 39 Директива для экодизайна