Водонагреватели De Dietrich BLC 150 - инструкция пользователя по применению, эксплуатации и установке на русском языке. Мы надеемся, она поможет вам решить возникшие у вас вопросы при эксплуатации техники.
Если остались вопросы, задайте их в комментариях после инструкции.
"Загружаем инструкцию", означает, что нужно подождать пока файл загрузится и можно будет его читать онлайн. Некоторые инструкции очень большие и время их появления зависит от вашей скорости интернета.

4.7.3.
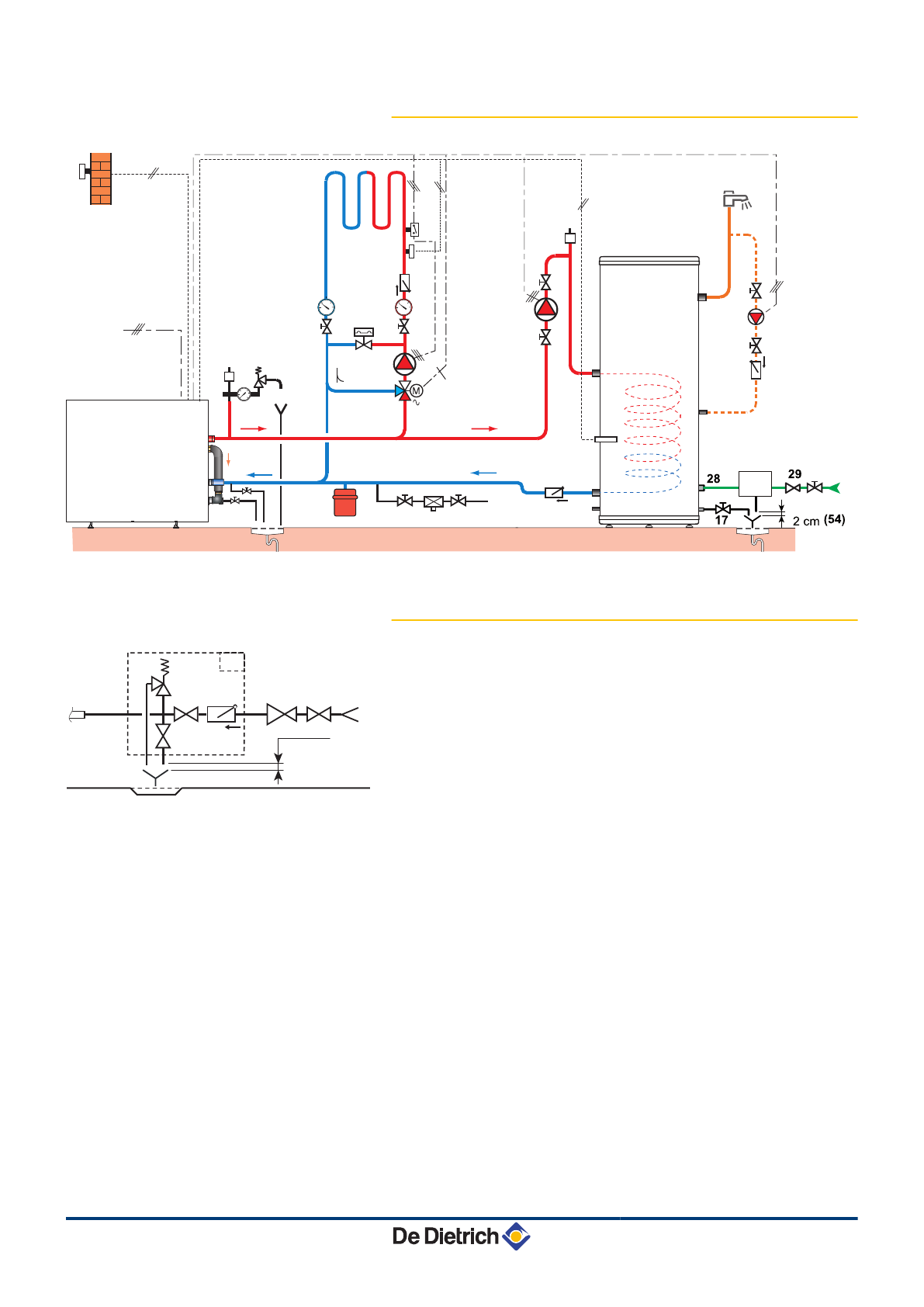
Пример с напольным котлом
4.7.4.
Группа безопасности (Для всех стран,
кроме Франции)
9
Отсечной вентиль
17
Сливной вентиль
27
Обратный клапан
28
Вход холодной санитарно-технической воды
29
Редуктор давления
30
Группа безопасности
54
Окончание отводящего трубопровода должно быть
свободным и видимым на 2-4 см выше сливной
воронки
d
Предохранительный клапан 7 бар
Германия : Предохранительный клапан - максимум
10 бар
50
18
9
9
9
9
9
27
27
32
16
33
25
26
56
57
21
50Hz
230V
7
2
3
4
1
7
17
65
9
9
52
11
10
27
°C
°C
23
44
L000368-B
4
24
30
9
A
L000370-B
d
(54)
2 cm
9
9
29
17
27
30
28
4. Установка
BLC 150...500
17
03/05/2012 - 300027311-001-01