Водонагреватели De Dietrich BLC 150 - инструкция пользователя по применению, эксплуатации и установке на русском языке. Мы надеемся, она поможет вам решить возникшие у вас вопросы при эксплуатации техники.
Если остались вопросы, задайте их в комментариях после инструкции.
"Загружаем инструкцию", означает, что нужно подождать пока файл загрузится и можно будет его читать онлайн. Некоторые инструкции очень большие и время их появления зависит от вашей скорости интернета.

54
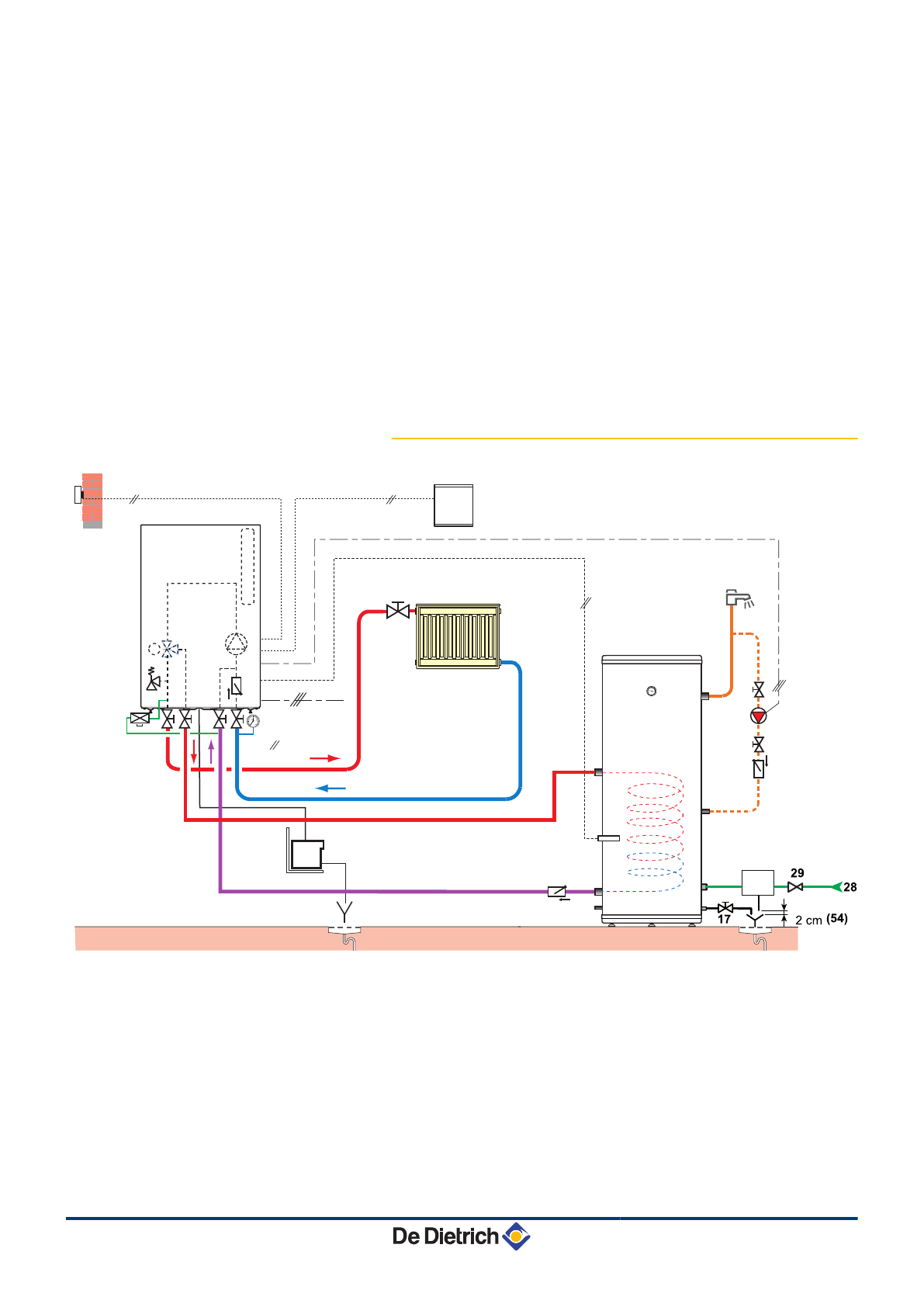
Окончание отводящего трубопровода должно быть
свободным и видимым на 2-4 см выше сливной
воронки
56
Циркуляция
57
Выход горячей санитарно-технической воды
64
прямой контур отопления (например : радиаторы)
65
Контур отопления, который может быть
низкотемпературным (напольное или радиаторное
отопление)
67
Вентиль с ручной головкой
68
Система нейтрализации конденсата
4.7.2.
Пример с настенным котлом или
тепловым насосом
68
9
9
27
27
32
33
25
56
L000369-B
24
30
50
50Hz
230V
46
16
64
67
B
A
11
21
27
9
1
4
2
3
BLC 150...500
4. Установка
03/05/2012 - 300027311-001-01
16