Водонагреватели Ariston AURES SM 7.7 3520025 - инструкция пользователя по применению, эксплуатации и установке на русском языке. Мы надеемся, она поможет вам решить возникшие у вас вопросы при эксплуатации техники.
Если остались вопросы, задайте их в комментариях после инструкции.
"Загружаем инструкцию", означает, что нужно подождать пока файл загрузится и можно будет его читать онлайн. Некоторые инструкции очень большие и время их появления зависит от вашей скорости интернета.

7
EN
INSTALLATION REQUIREMENTS
A. A separate electrical line is required.
B. The device must be connected to a separate circuit breaker.
C. The recommended electrical cable for feeding the device, see table I (next page).
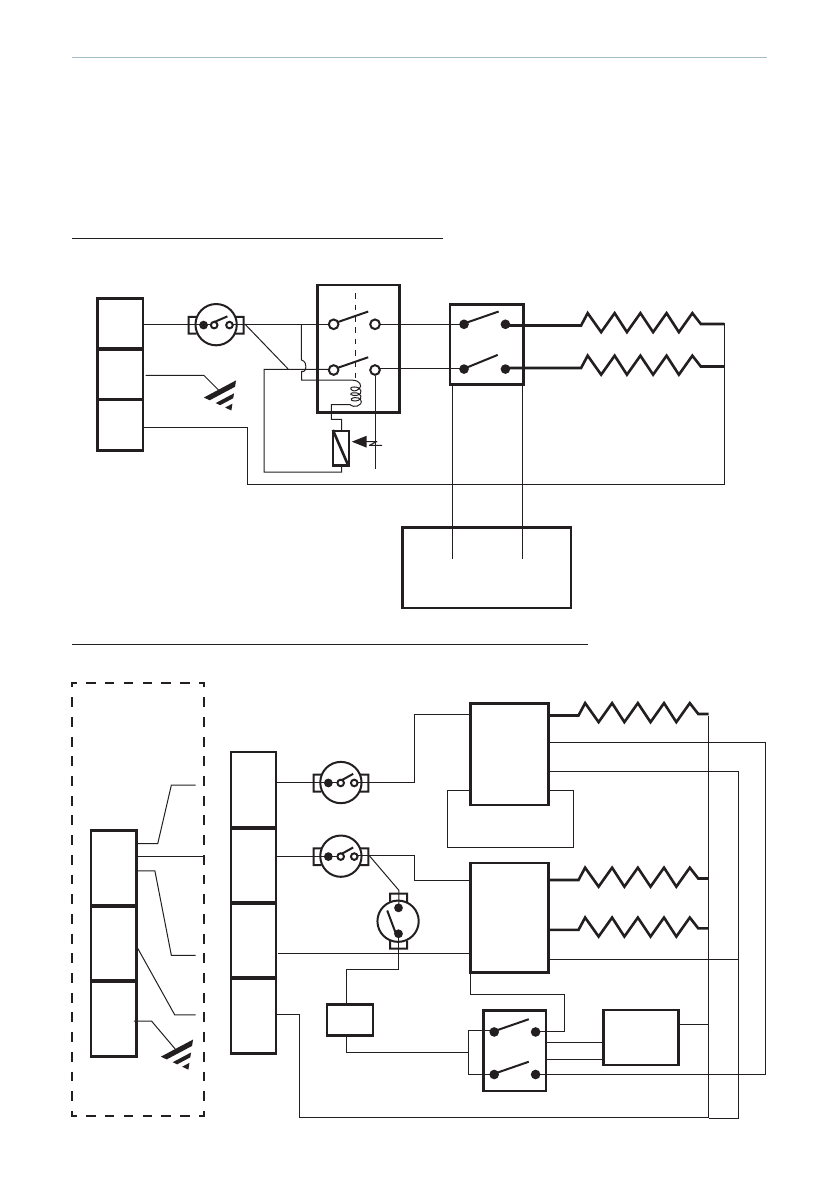
INSTALLATION
Device with 220V - 240V up to 7.0kW output
Relay
R.R
L
G
N
Switch
PCB
Indicator
Heating Element
Thermostat
52/80
Terminal
Block
Heating Element
Device with 220-240v up to 12Kw output & 400-415V 3Phase
Relay
Relay
R.R
L1
L2
L3
N
N
G
L
Switch
Heating Element
Heating Element
Heating Element
Thermostat
57
Thermostat 85
Thermostat 85
Terminal
Block
Terminal
Block
For
One Phase
Short Circuit
Together
PCB
Indicator
Содержание
- 12 ГАРАНТИЙНЫЙ ТАЛОН; ЭЛЕКТРИЧЕСКИЕ ВОДОНАГРЕВАТЕЛИ; года; Дата продажи; Условия гарантийного обслуживания
- 13 Представительство ООО «Аристон; Срок службы изделия
- 16 ОБЩИЕ УКАЗАНИЯ ПО ТЕХНИКЕ БЕЗОПАСНОСТИ; техническому обслуживанию.
- 17 ОБЩИЕ ПРАВИЛА ТЕХНИКИ БЕЗОПАСНОСТИ
- 18 ТЕХНИЧЕСКИЕ ХАРАКТЕРИСТИКИ; Информация об изделии
- 19 УКАЗАНИЯ ПО МОНТАЖУ; закончены перед началом электрических работ; Под раковиной
- 20 ИНСТРУКЦИИ ПО ЭКСПЛУАТАЦИИ
- 21 фазной цепи
- 22 Таблица I. Рекомендуемое сечение провода; Неправильная установка; справа • вход воды снизу слева; РАЗМЕРЫ ПРИБОРА: Высота 178 мм Ширина 304 мм Глубина 98 мм
- 24 Данное изделие отвечает; организации по сбору вторсырья или к продавцу изделия.; Размеры изделия
- 25 Поиск и устранение неисправностей; ПРОБЛЕМА